| DIAGRAMAS - SISTEMA DE CARGA Y ARRANQUE - 2005 - Mecanica Automotriz - INDICE |
Diagramas GMC : Carga y Arranque | Charging and Starting System: - Esquemas - Graphics 2005 - |
| Los Diagramas, listados abajo, se refieren unicamente al Circuito electrico que involucra: Alternador [Generador] y/o; Arrancador [Motor de arranque, Marcha, Starter] - INDICE: GMC - 2005 - |
| AŃO | Modelo | Alternador | Arrancador |
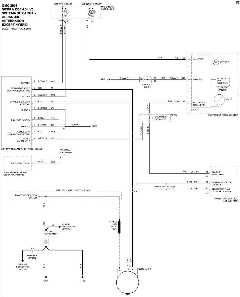
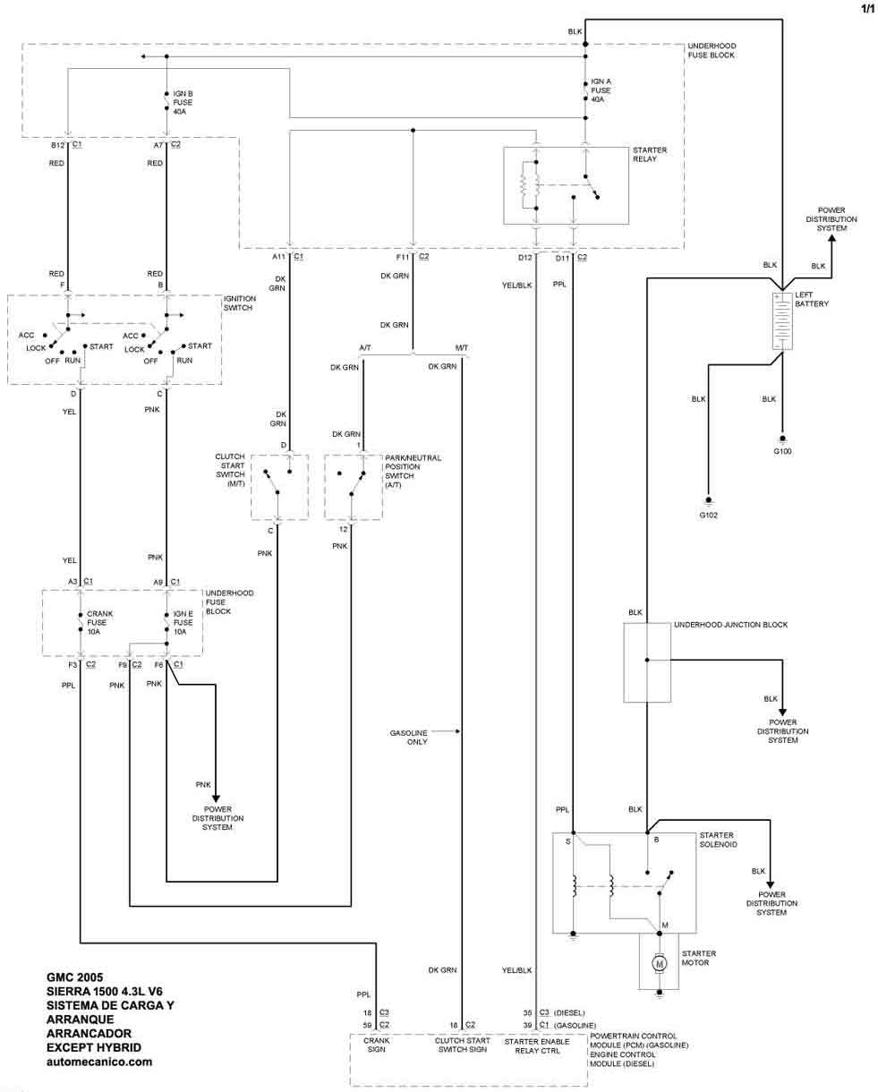
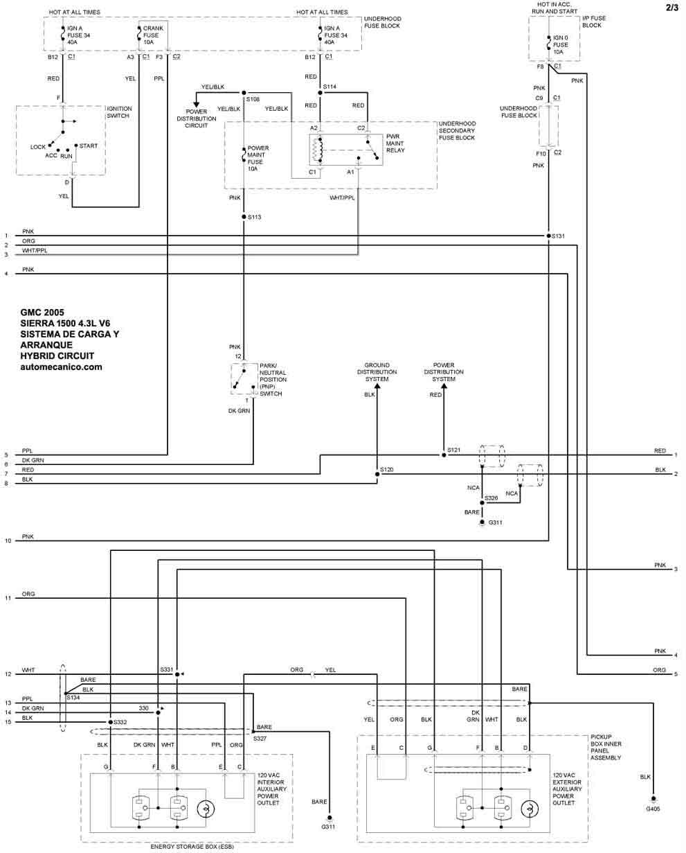
| 2005 | SIERRA 1500 - 4.3L V6 Except Hyb | SIST. DE CARGA | SIST. DE ARRANQUE |
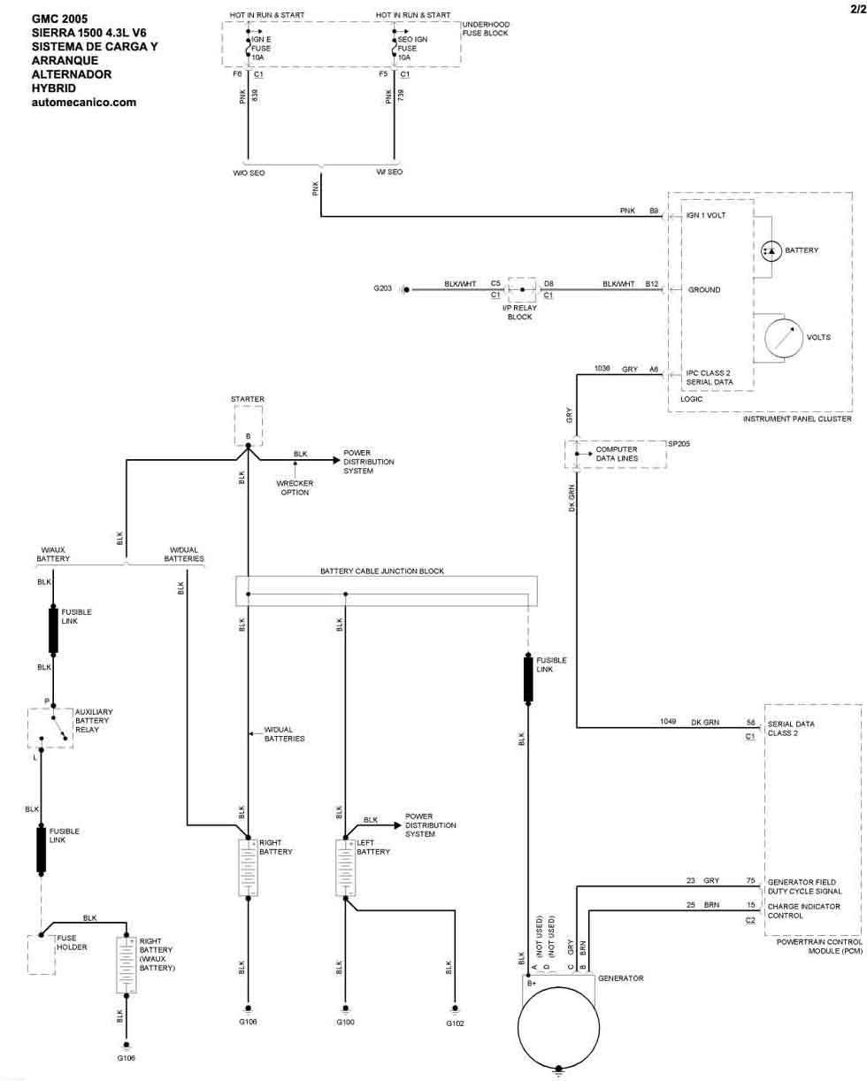
| 2005 | SIERRA 1500 - 4.3L V6 Hybr | CIRCUIT HYB | |
| 2005 | SIERRA 1500 -4.3L V6 Hybr | CIRCUIT HYB | |
| 2005 | SIERRA 1500 - 4.3L V6 Hybr | CIRCUIT HYB | |
| 2005 | SIERRA 1500 - 4.3L V6 Hybr | CIRCUIT HYB | |
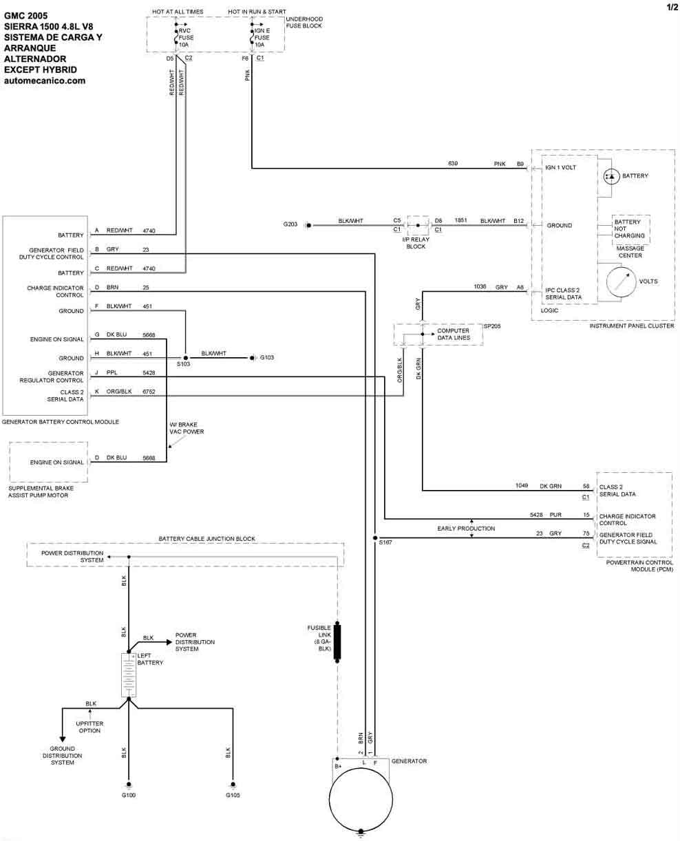
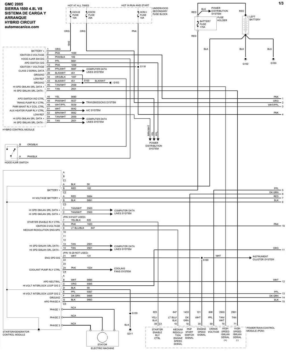
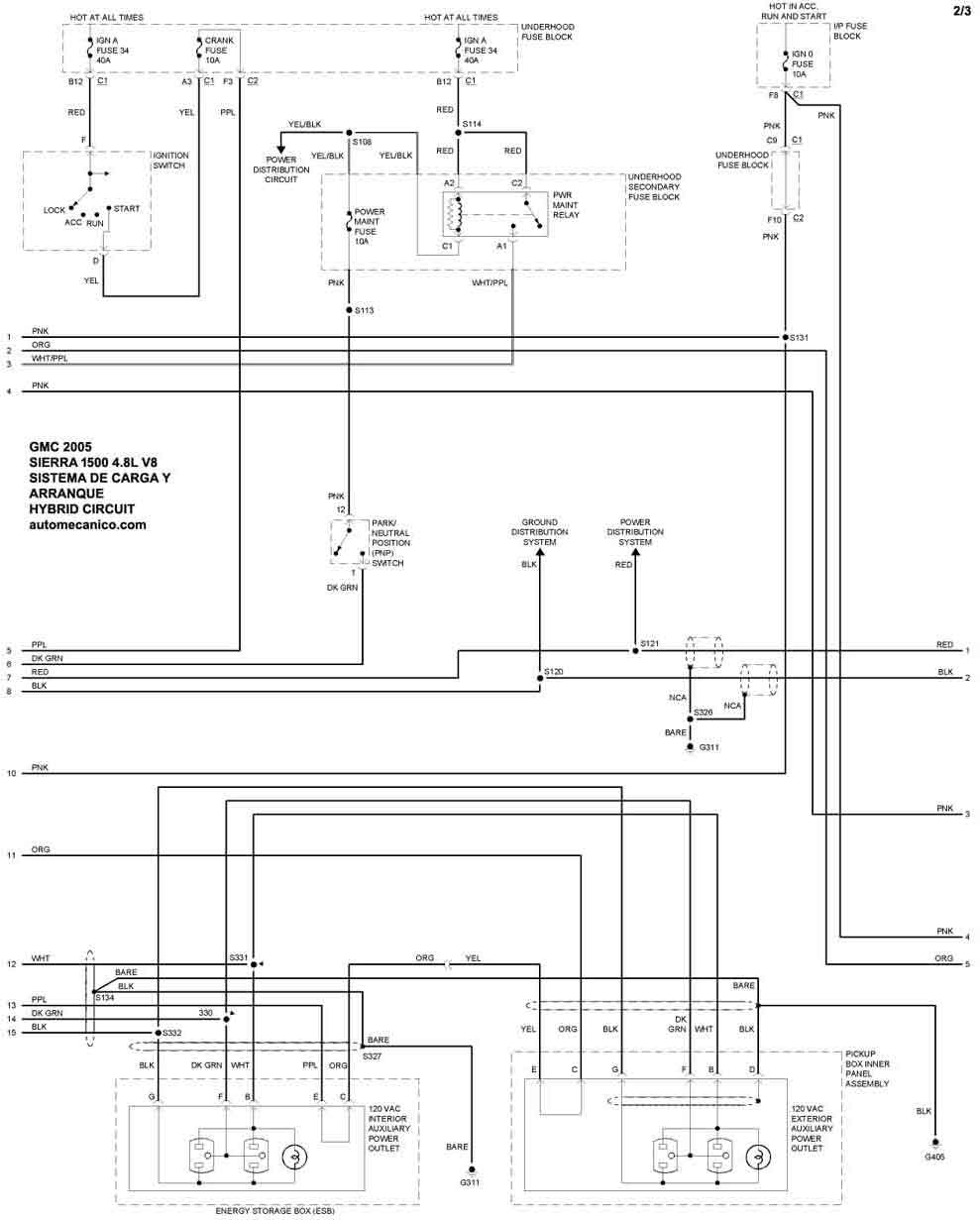
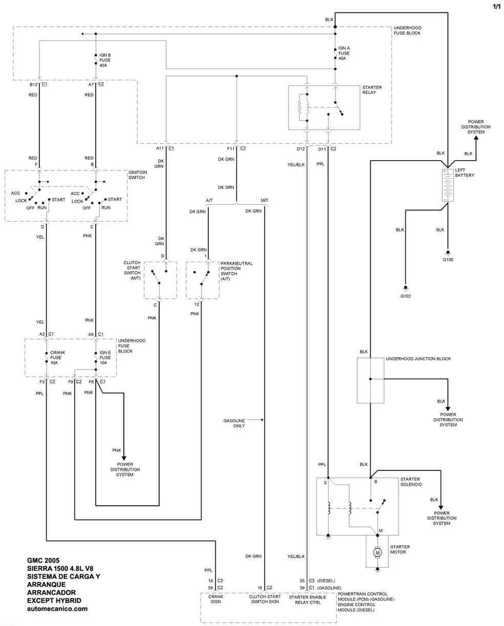
| 2005 | SIERRA 1500 - 4.8L V8 Except Hyb | SIST. DE CARGA | SIST. DE ARRANQUE |
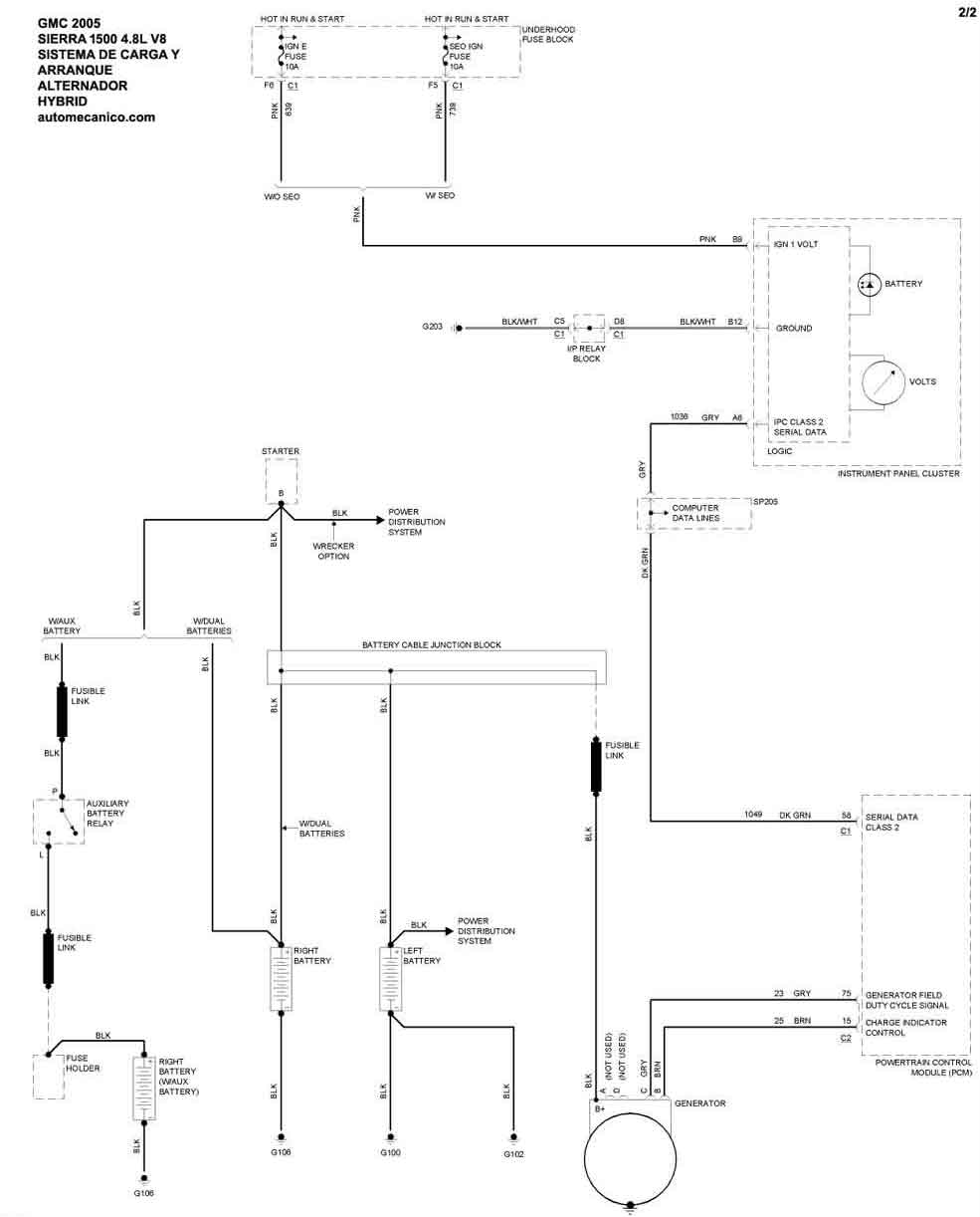
| 2005 | SIERRA 1500 - 4.8L V8 Hybr | CIRCUIT HYB | |
| 2005 | SIERRA 1500 - 4.8L V8 Hybr | CIRCUIT HYB | |
| 2005 | SIERRA 1500 - 4.8L V8 Hybr | CIRCUIT HYB | |
| 2005 | SIERRA 1500 - 4.8L V8 Hybr | CIRCUIT HYB | |
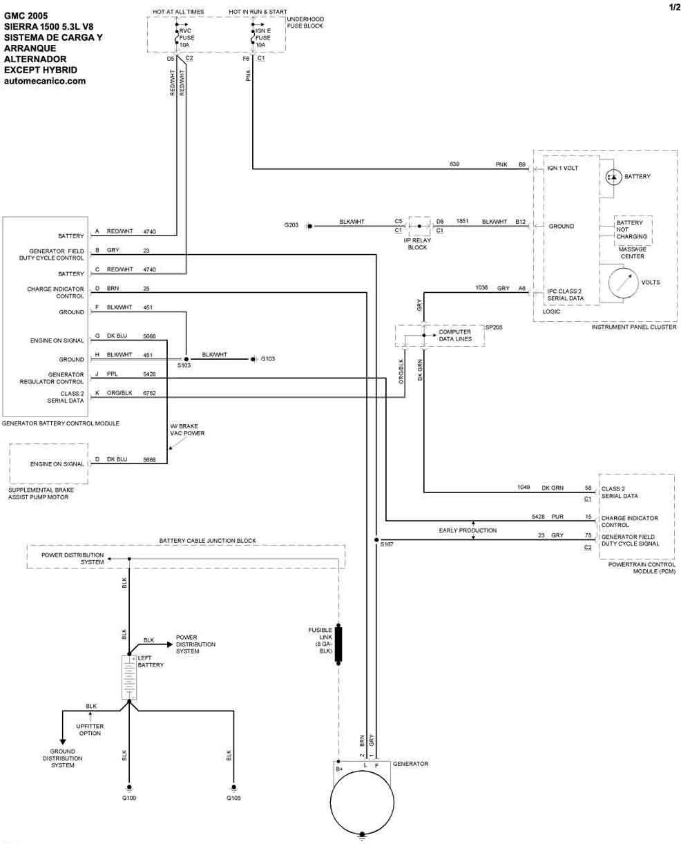
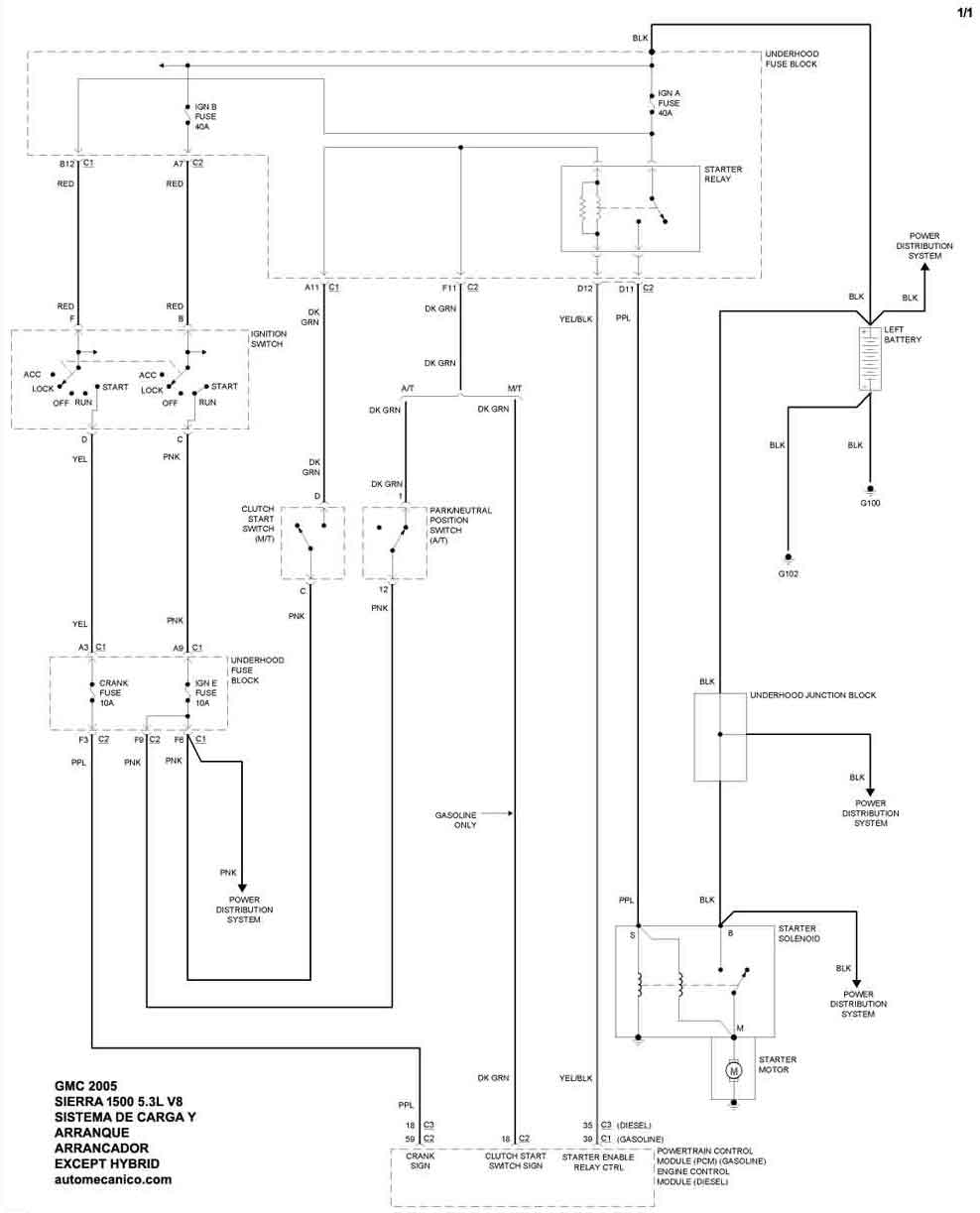
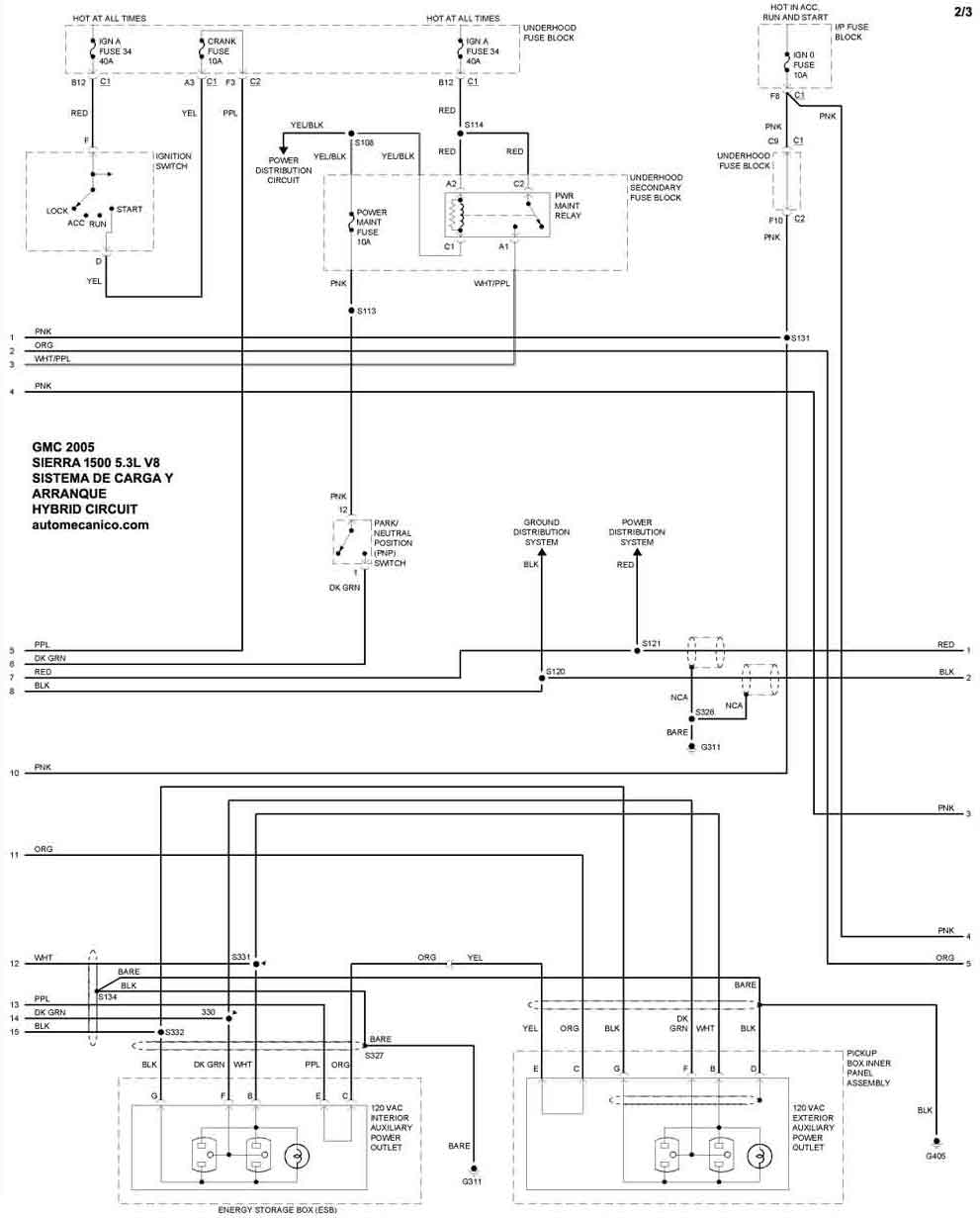
| 2005 | SIERRA 1500 - 5.3L V8 Except Hyb | SIST. DE CARGA | SIST. DE ARRANQUE |
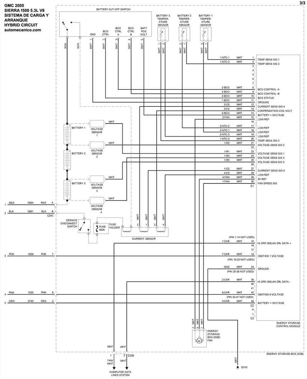
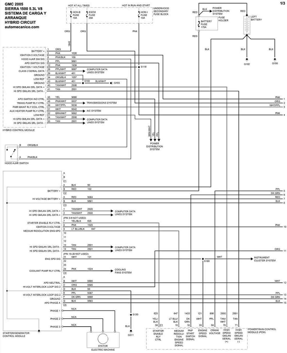
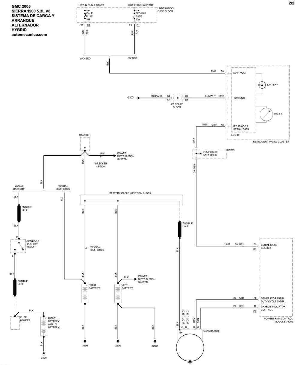
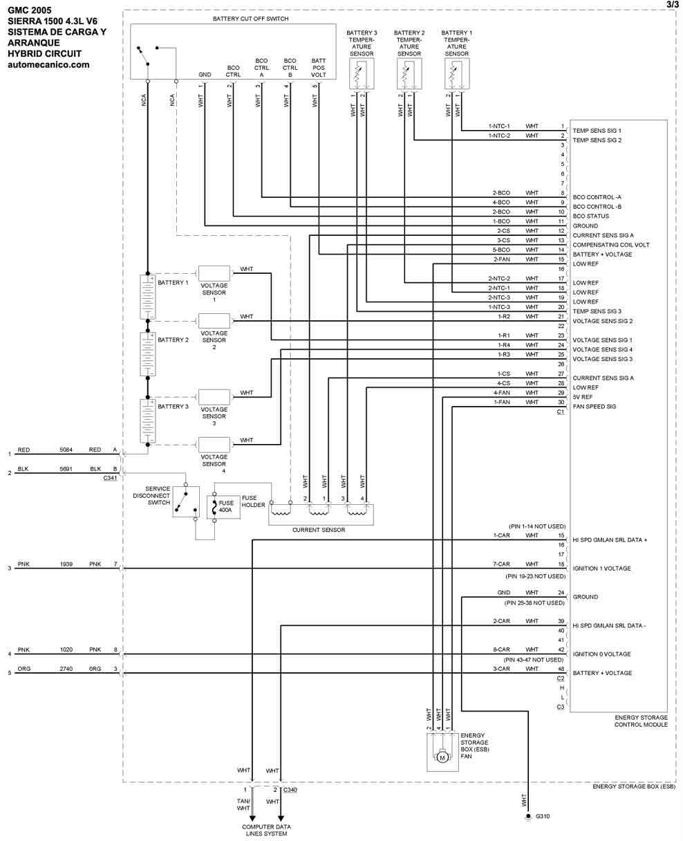
| 2005 | SIERRA 1500 - 5.3L V8 Hybr | CIRCUIT HYB | |
| 2005 | SIERRA 1500 - 5.3L V8 Hybr | CIRCUIT HYB | |
| 2005 | SIERRA 1500 - 5.3L V8 Hybr | CIRCUIT HYB | |
| 2005 | SIERRA 1500 - 5.3L V8 Hybr | CIRCUIT HYB | Volver al listado principal |
