| DIAGRAMAS - SISTEMA DE CARGA Y ARRANQUE - 2005 - Mecanica Automotriz - INDICE |
Diagramas HONDA : Carga y Arranque | Charging and Starting System: - Esquemas - Graphics 2005 - |
| Los Diagramas, listados abajo, se refieren unicamente al Circuito electrico que involucra: Alternador [Generador] y/o; Arrancador [Motor de arranque, Marcha, Starter] - INDICE: HONDA - 2005 - |
| AŃO | Modelo | Alternador | Arrancador |
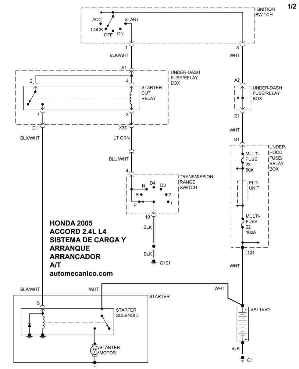
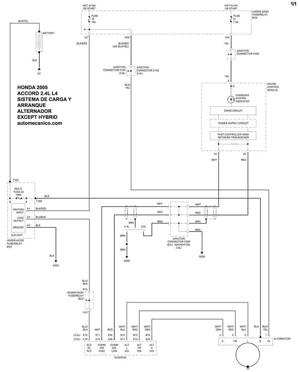
| 2005 | ACCORD - 2.4L L4 Excep Hyb | SIST. DE CARGA | SIST. DE ARRANQUE T/A |
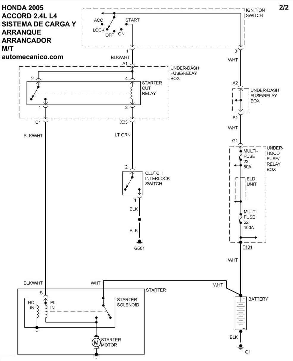
| 2005 | ACCORD - 2.4L L4 Excep Hyb | T/M = T/Manual | SIST. DE ARRANQUE T/M |
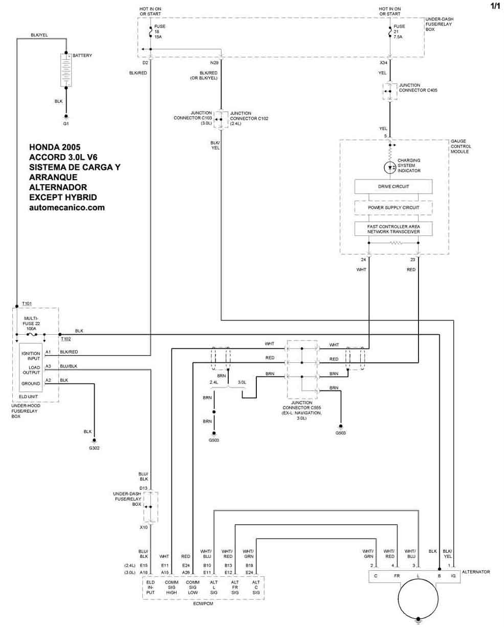
| 2005 | ACCORD - 3.0L V6 Excep Hyb | SIST. DE CARGA | SIST. DE ARRANQUE T/A |
| 2005 | ACCORD - 3.0L V6 Excep Hyb | T/M = T/Manual | SIST. DE ARRANQUE T/M |
| Volver al listado principal |
