| DIAGRAMAS - SISTEMA DE CARGA Y ARRANQUE - 2005 - Mecanica Automotriz - INDICE |
Diagramas HONDA : Carga y Arranque | Charging and Starting System: - Esquemas - Graphics 2005 - |
| Los Diagramas, listados abajo, se refieren unicamente al Circuito electrico que involucra: Alternador [Generador] y/o; Arrancador [Motor de arranque, Marcha, Starter] - INDICE: HONDA - 2005 - |
| AŃO | Modelo | Alternador | Arrancador |
| 2005 | CIVIC - 1.7L 4 Cil.Excep. Hatchback & Hybrid | SIST. DE CARGA | SIST. DE ARRANQUE |
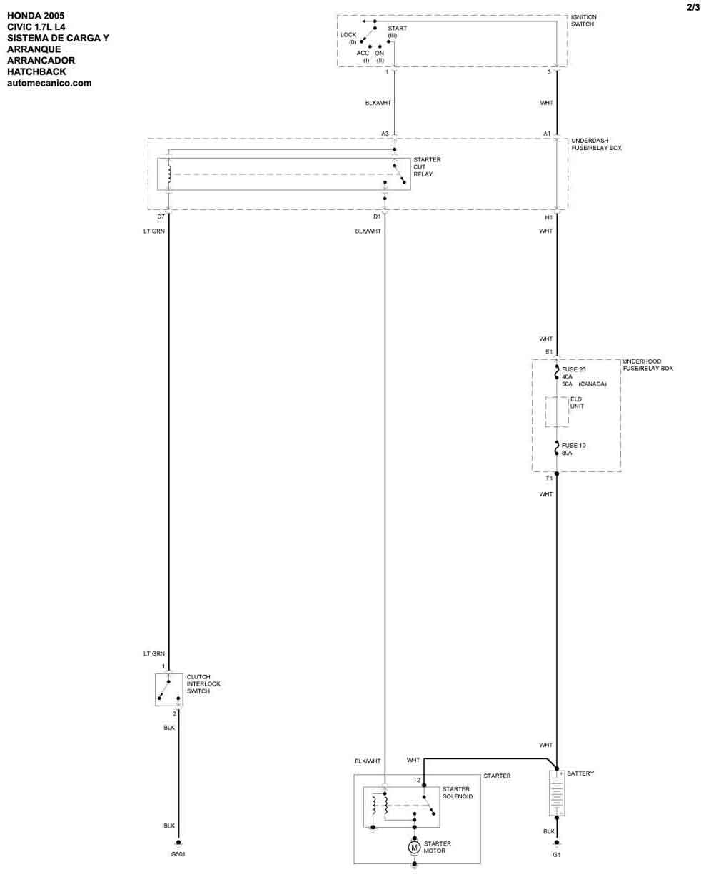
| 2005 | CIVIC - 1.7L 4 Cil. Hatchback | SIST. DE CARGA | SIST. DE ARRANQUE |
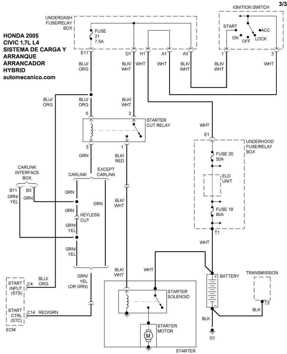
| 2005 | CIVIC - 1.7L 4 Cil. | HYBRID | SIST. DE ARRANQUE |
| Volver al listado principal |
