| DIAGRAMAS - SISTEMA DE CARGA Y ARRANQUE - 2005 - Mecanica Automotriz - INDICE |
Diagramas HUMMER : Carga y Arranque | Charging and Starting System: - Esquemas - Graphics 2005 - |
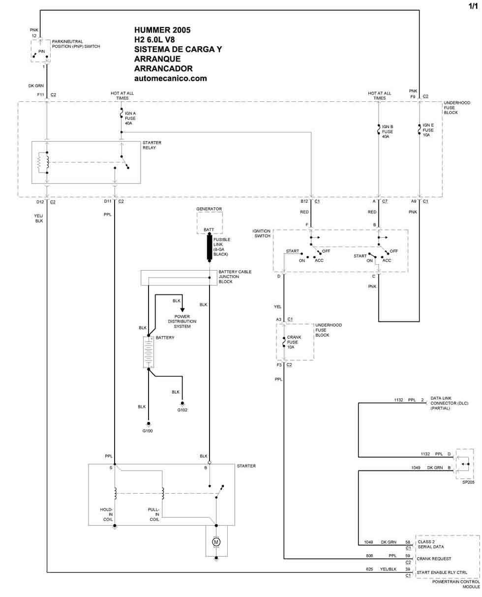
| Los Diagramas, listados abajo, se refieren unicamente al Circuito electrico que involucra: Alternador [Generador] y/o; Arrancador [Motor de arranque, Marcha, Starter] - INDICE: HUMMER - 2005 - |
| AŃO | Modelo | Alternador | Arrancador |
| 2005 | H2 - 6.0L V8 | SIST. DE CARGA | SIST. DE ARRANQUE |
| Volver al listado principal |
