| DIAGRAMAS - SISTEMA DE CARGA Y ARRANQUE - 2005 - Mecanica Automotriz - INDICE |
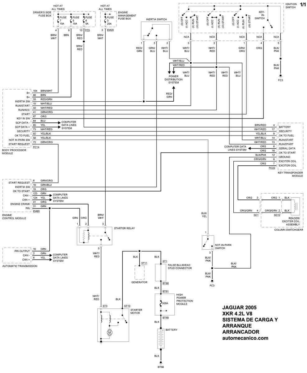
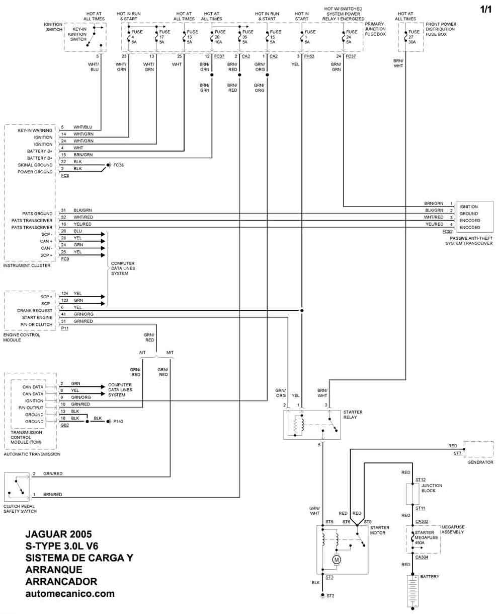
Diagramas JAGUAR : Carga y Arranque | Charging and Starting System: - Esquemas - Graphics 2005 - |
| Los Diagramas, listados abajo, se refieren unicamente al Circuito electrico que involucra: Alternador [Generador] y/o; Arrancador [Motor de arranque, Marcha, Starter] - INDICE: JAGUAR - 2005 - |
| AŃO | Modelo | Alternador | Arrancador |
| 2005 | S-TYPE - 3.0L V6 | SIST. DE CARGA | SIST. DE ARRANQUE |
| 2005 | S-TYPE - 4.2L V8 | SIST. DE CARGA | SIST. DE ARRANQUE |
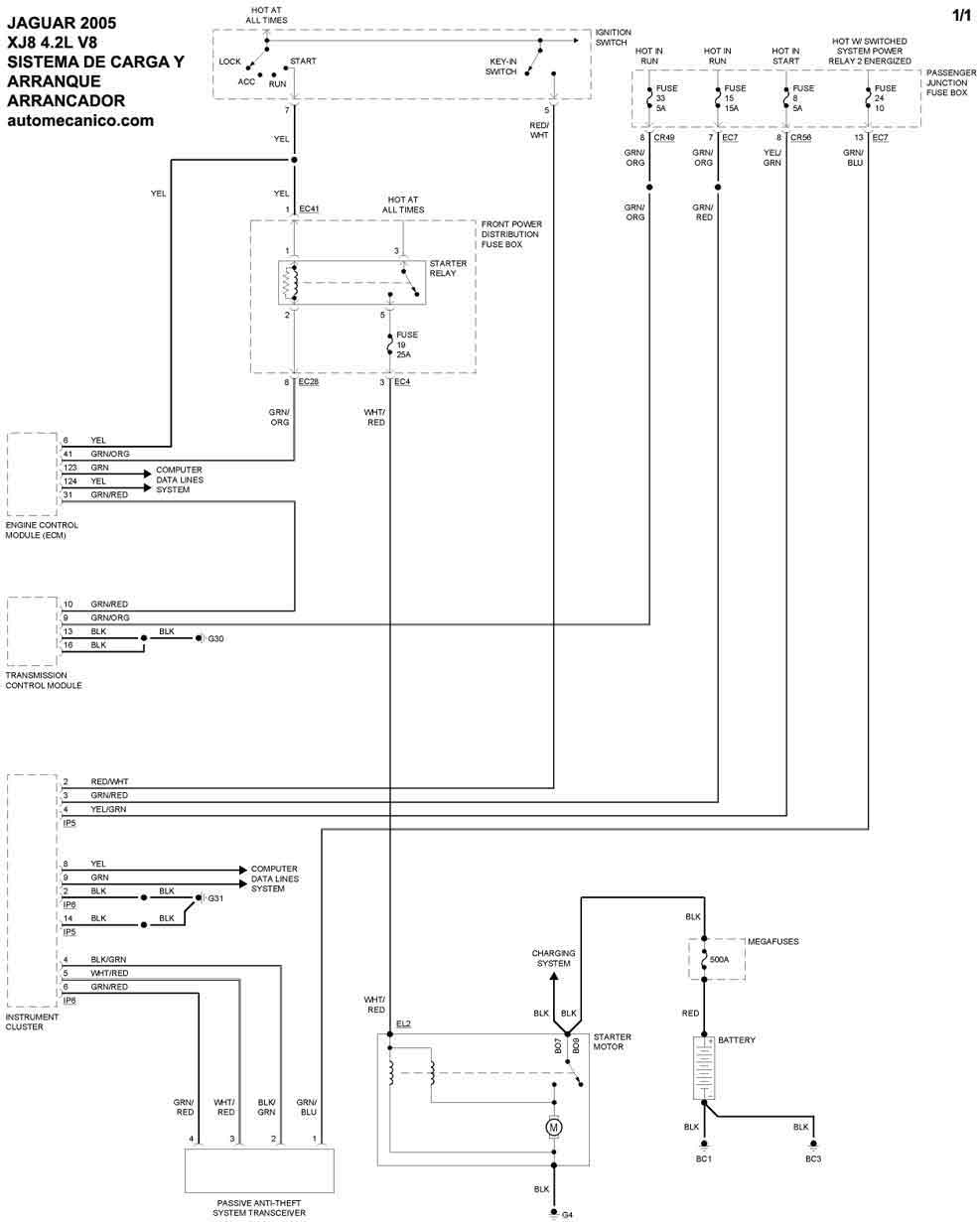
| 2005 | XJ8 - 4.2L V8 | SIST. DE CARGA | SIST. DE ARRANQUE |
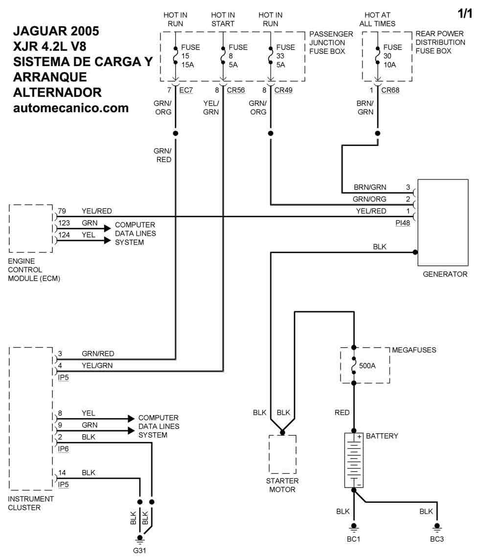
| 2005 | XJR - 4.2L V8 | SIST. DE CARGA | SIST. DE ARRANQUE |
| 2005 | XK8 - 4.2L V8 | SIST. DE CARGA | SIST. DE ARRANQUE |
| 2005 | XKR - 4.2L V8 | SIST. DE CARGA | SIST. DE ARRANQUE |
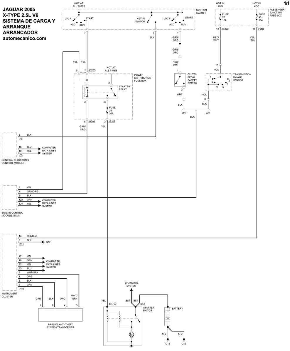
| 2005 | X-TYPE - 2.5L V6 | SIST. DE CARGA | SIST. DE ARRANQUE |
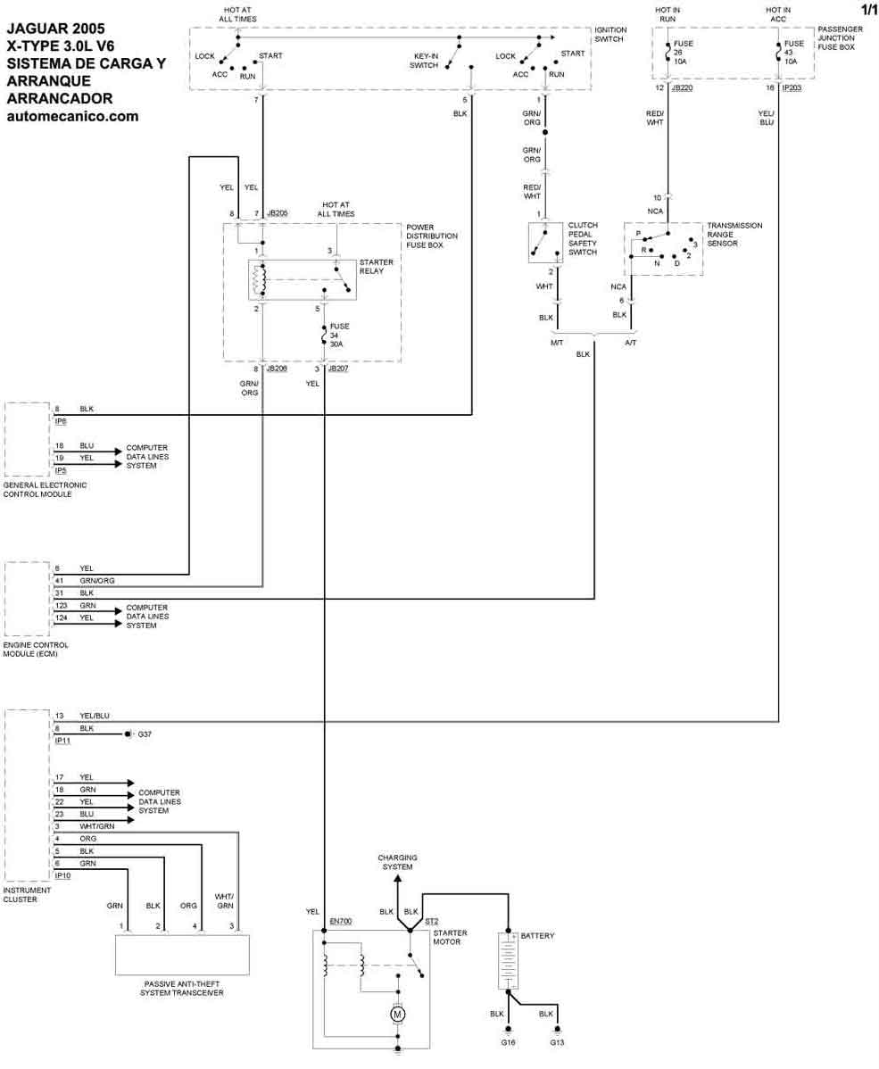
| 2005 | X-TYPE - 3.0L V6 | SIST. DE CARGA | SIST. DE ARRANQUE |
| Volver al listado principal |
