| DIAGRAMAS - SISTEMA DE CARGA Y ARRANQUE - 2005 - Mecanica Automotriz - INDICE |
Diagramas KIA : Carga y Arranque | Charging and Starting System: - Esquemas - Graphics 2005 - |
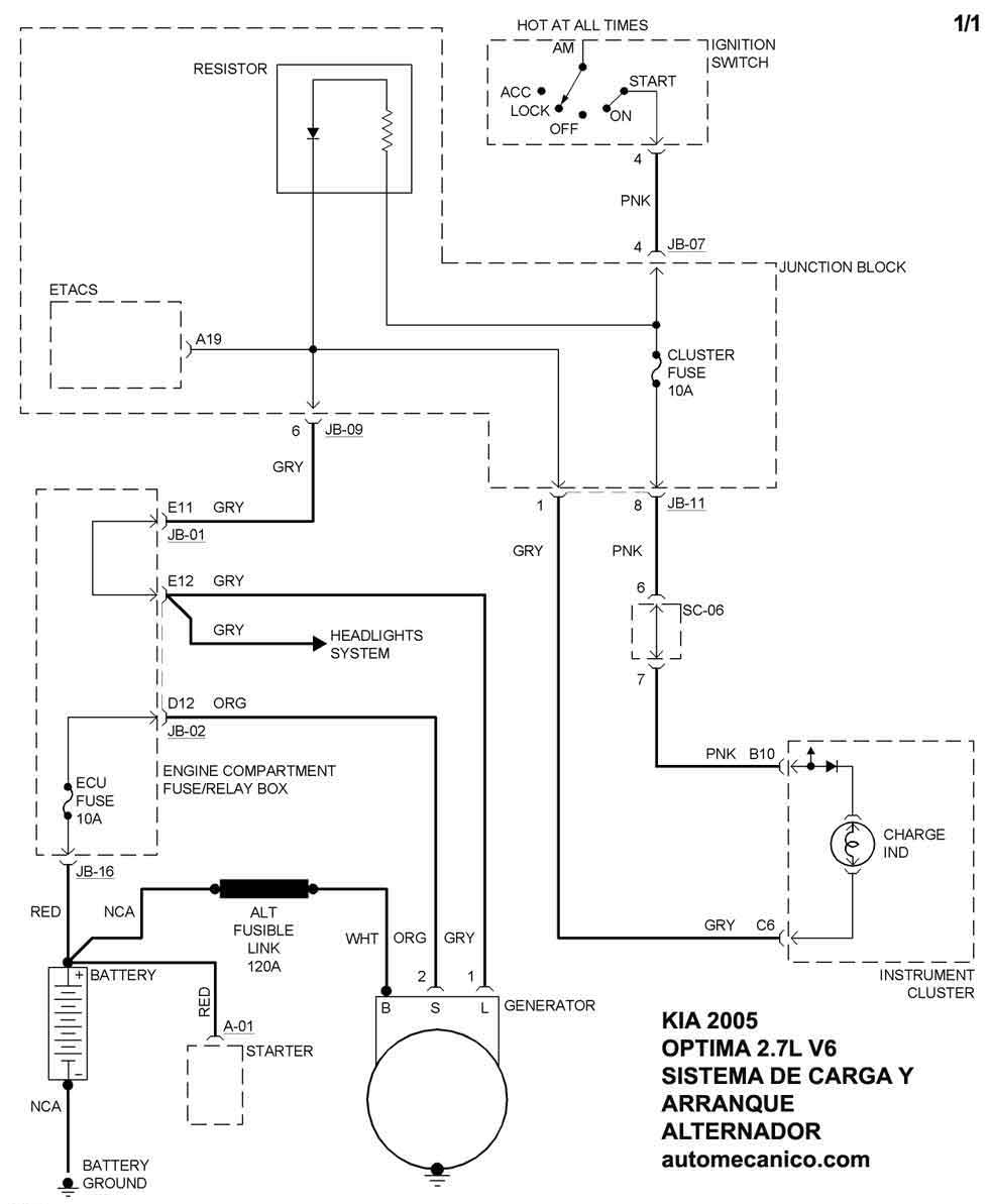
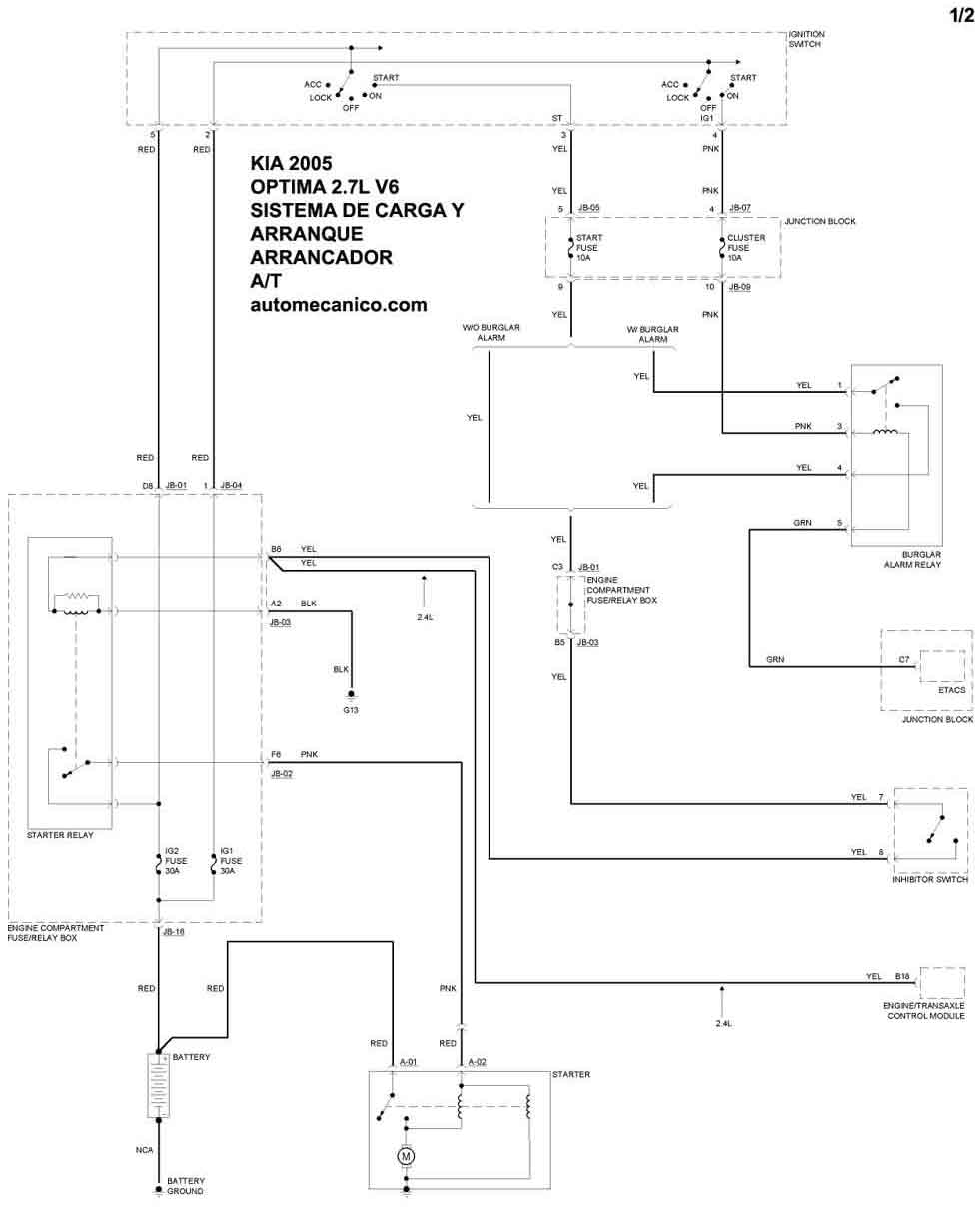
| Los Diagramas, listados abajo, se refieren unicamente al Circuito electrico que involucra: Alternador [Generador] y/o; Arrancador [Motor de arranque, Marcha, Starter] - INDICE: KIA - 2005 - |
| AŃO | Modelo | Alternador | Arrancador |
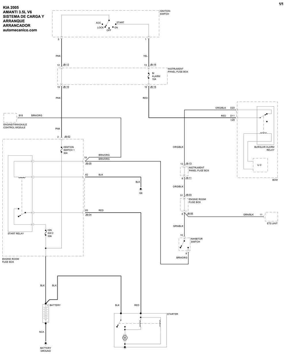
| 2005 | AMANTI - 3.5L V6 | SIST. DE CARGA | SIST. DE ARRANQUE |
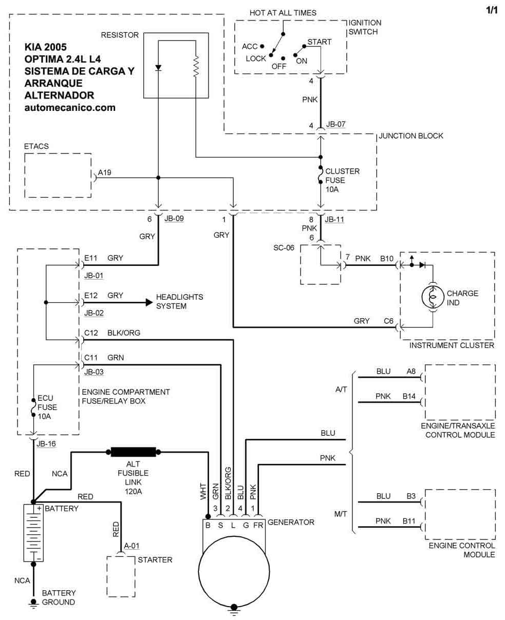
| 2005 | OPTIMA - 2.4L L4 | SIST. DE CARGA | SIST. DE ARRANQUE T/A |
| 2005 | OPTIMA - 2.4L L4 | 00 | SIST. DE ARRANQUE T/M |
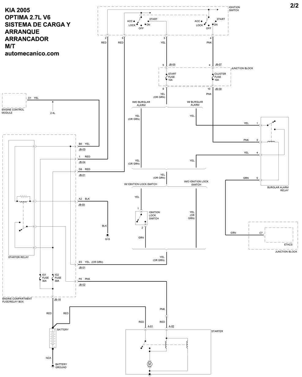
| 2005 | OPTIMA - 2.7L V6 | SIST. DE CARGA | SIST. DE ARRANQUE T/A |
| 2005 | OPTIMA - 2.7L V6 | 00 | SIST. DE ARRANQUE T/M |
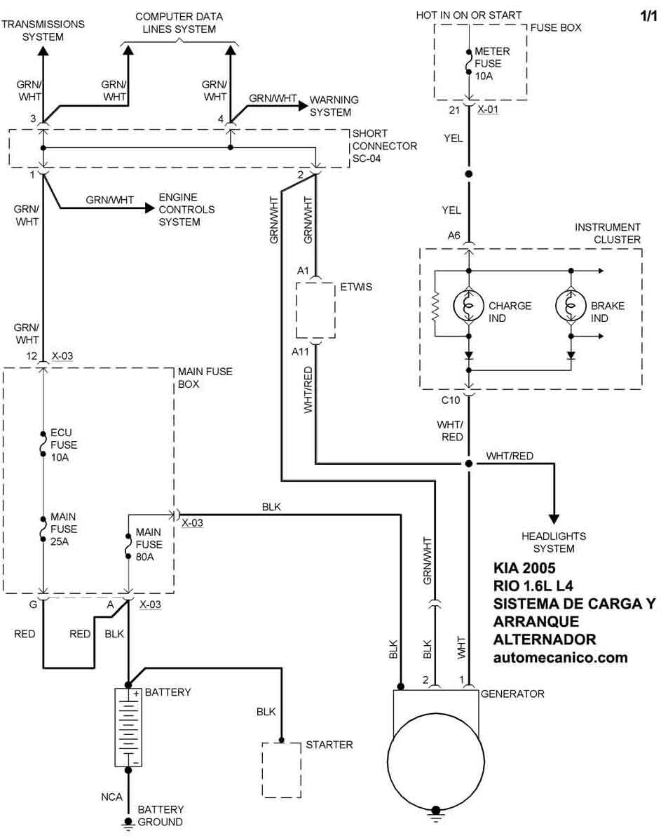
| 2005 | RIO - 1.6L 4 Cil. | SIST. DE CARGA | SIST. DE ARRANQUE |
| Volver al listado principal |
