| DIAGRAMAS - SISTEMA DE CARGA Y ARRANQUE - 2005 - Mecanica Automotriz - INDICE |
Diagramas MAZDA : Carga y Arranque | Charging and Starting System: - Esquemas - Graphics 2005 - |
| Los Diagramas, listados abajo, se refieren unicamente al Circuito electrico que involucra: Alternador [Generador] y/o; Arrancador [Motor de arranque, Marcha, Starter] - INDICE: MAZDA - 2005 - |
| AŃO | Modelo | Alternador | Arrancador |
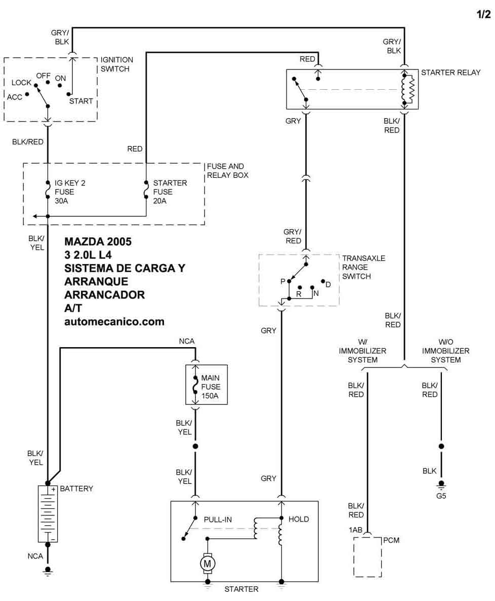
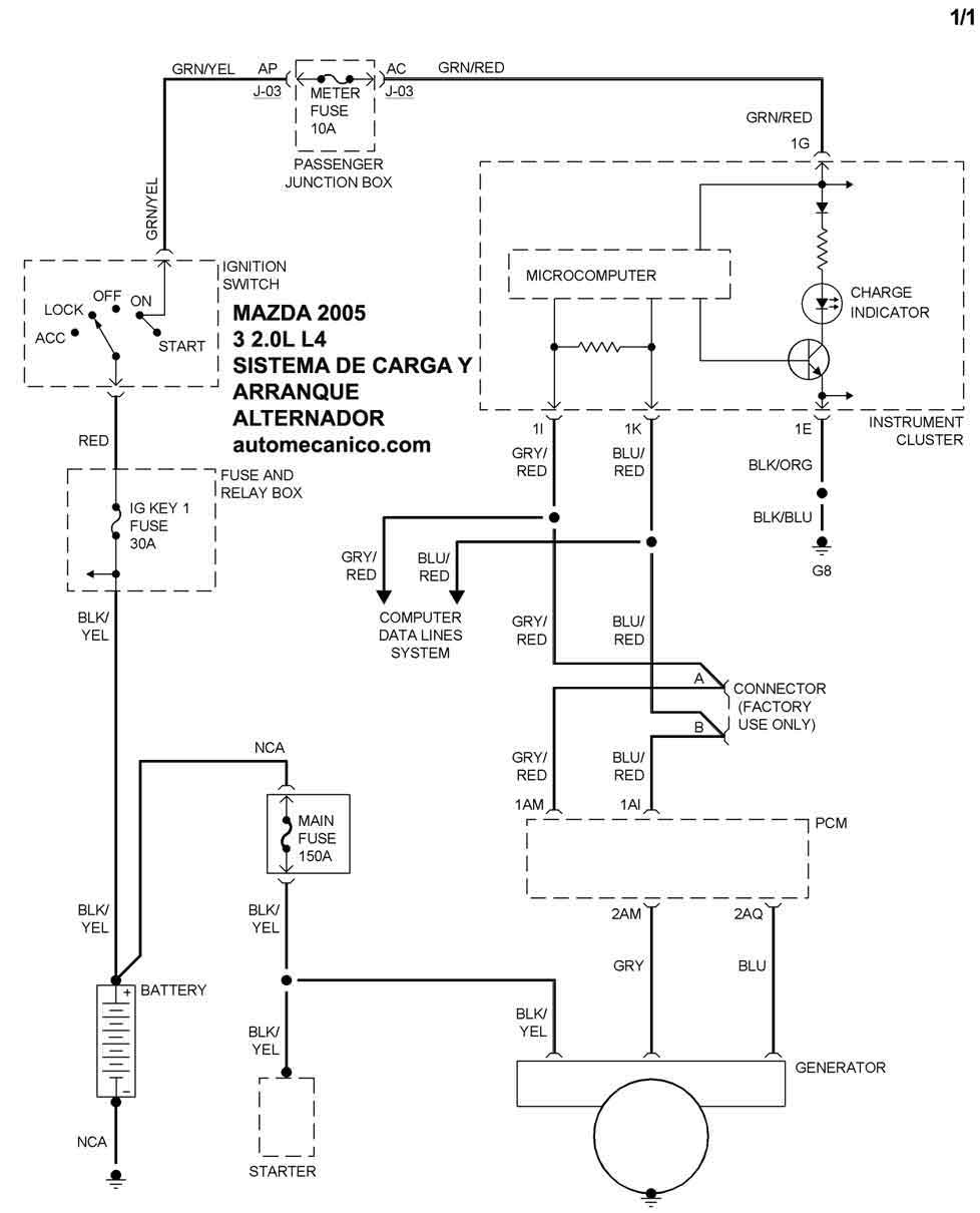
| 2005 | MAZDA3 - 2.0L L4 | SIST. DE CARGA | SIST. DE ARRANQUE T/A |
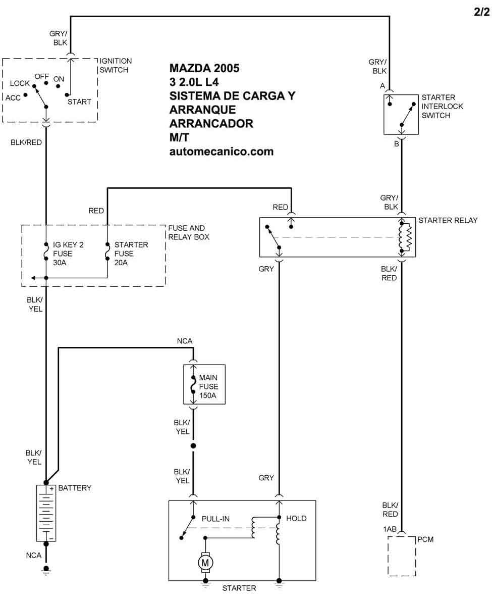
| 2005 | MAZDA3 - 2.0L L4 | 00 | SIST. DE ARRANQUE T/M |
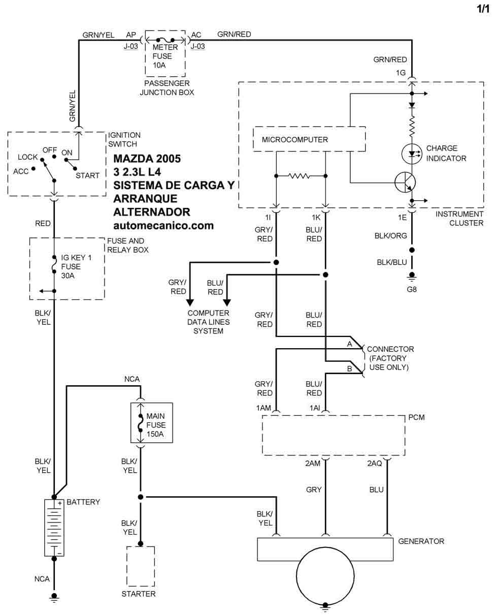
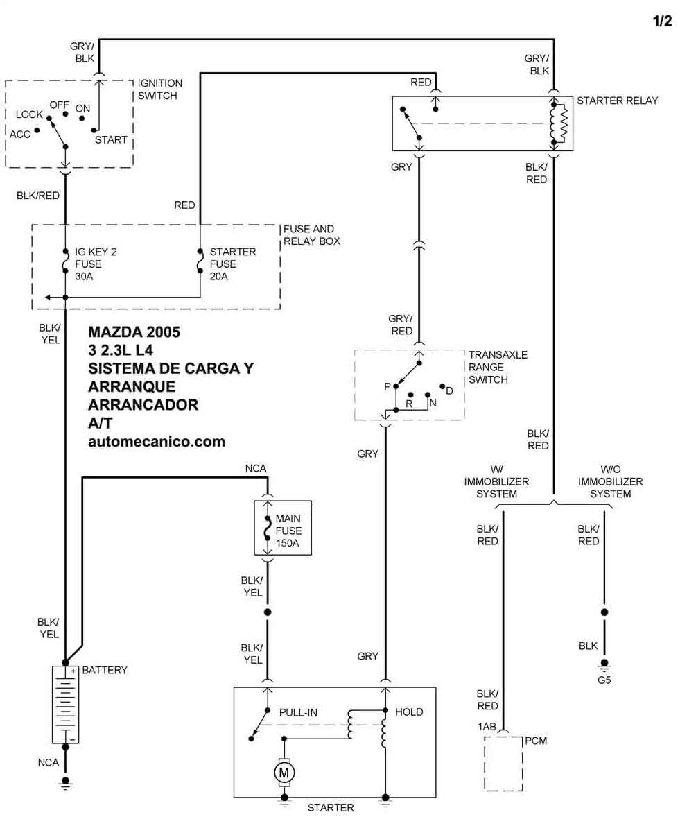
| 2005 | MAZDA3 - 2.3L L4 | SIST. DE CARGA | SIST. DE ARRANQUE T/A |
| 2005 | MAZDA3 - 2.3L L4 | 00 | SIST. DE ARRANQUE T/M |
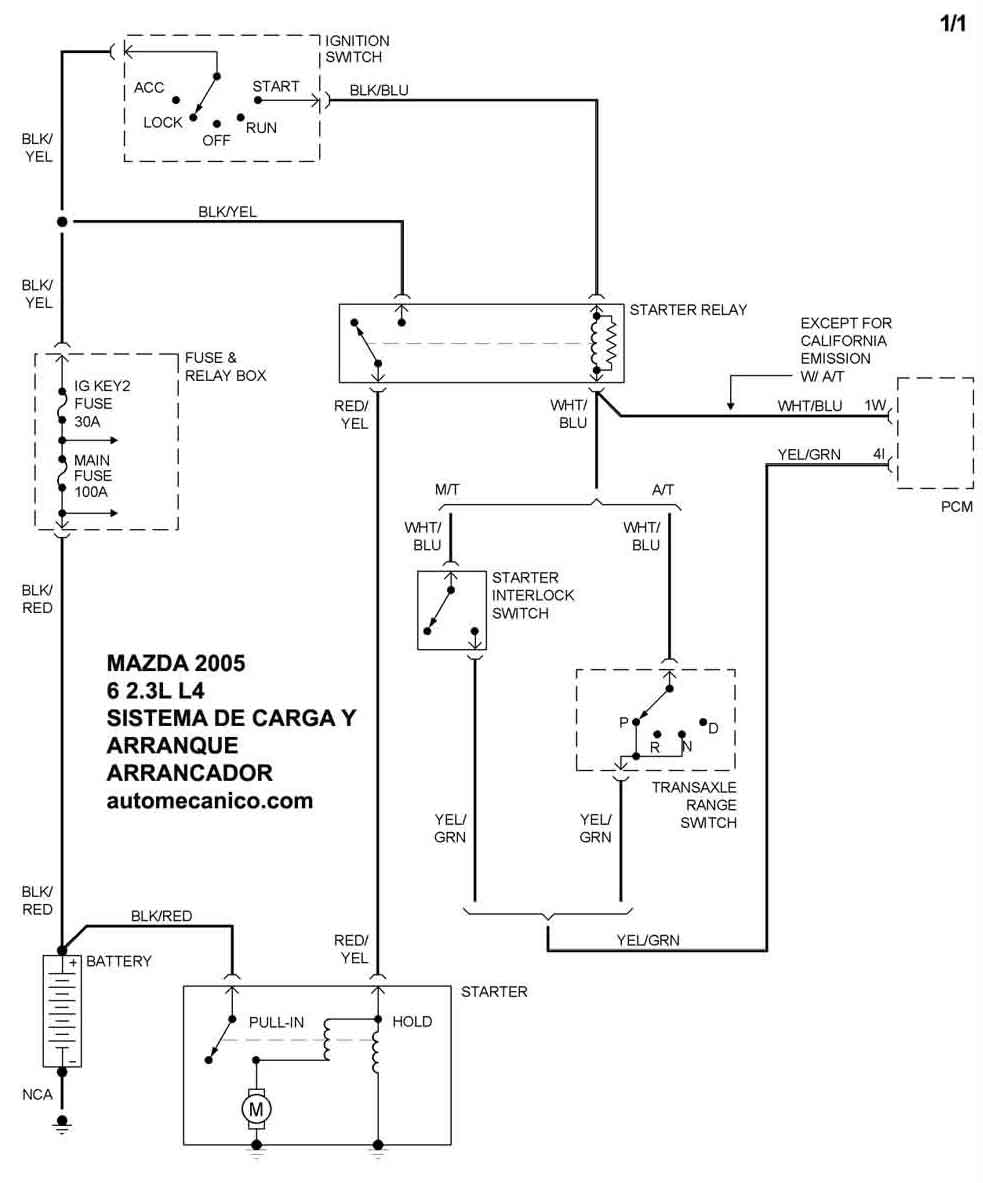
| 2005 | MAZDA6 - 2.3L L4 | SIST. DE CARGA | SIST. DE ARRANQUE |
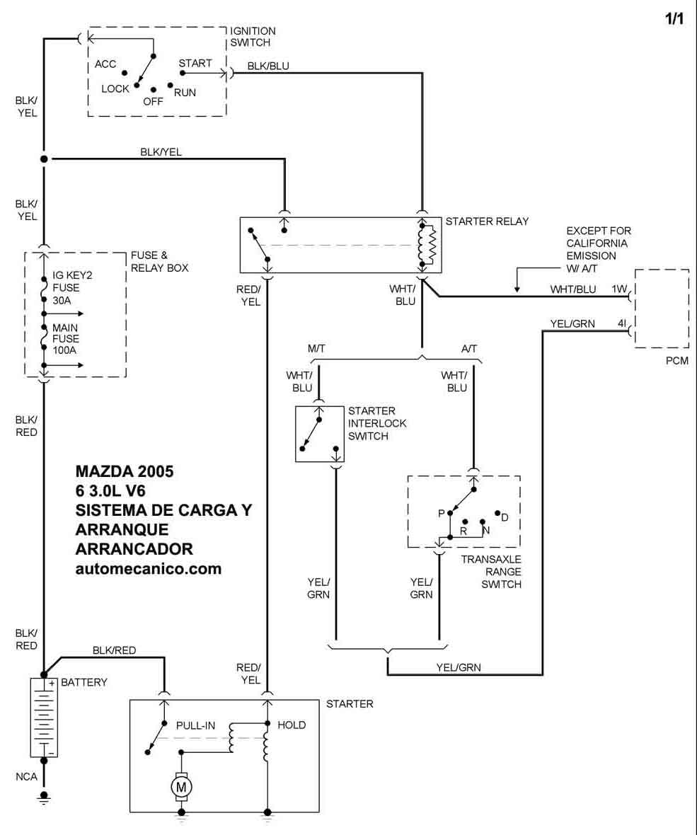
| 2005 | MAZDA6 - 3.0L V6 | SIST. DE CARGA | SIST. DE ARRANQUE |
| Volver al listado principal |
