| DIAGRAMAS - SISTEMA DE CARGA Y ARRANQUE - 2005 - Mecanica Automotriz - INDICE |
Diagramas MERCEDES BENZ : Carga y Arranque | Charging and Starting System: - Esquemas - Graphics 2005 - |
| Los Diagramas, listados abajo, se refieren unicamente al Circuito electrico que involucra: Alternador [Generador] y/o; Arrancador [Motor de arranque, Marcha, Starter] - INDICE: MERCEDES BENZ - 2005 - |
| AŃO | Modelo | Alternador | Arrancador |
| 2005 | C230 - 1.8L L4 Cil. | SIST. DE CARGA | SIST. DE ARRANQUE T/A |
| 2005 | C230 - 1.8L L4 Cil. | 00 | SIST. DE ARRANQUE T/M |
| 2005 | C240 - 2.6L V6 Cil. | SIST. DE CARGA | SIST. DE ARRANQUE T/A |
| 2005 | C240 - 2.6L V6 Cil. | 00 | SIST. DE ARRANQUE T/M |
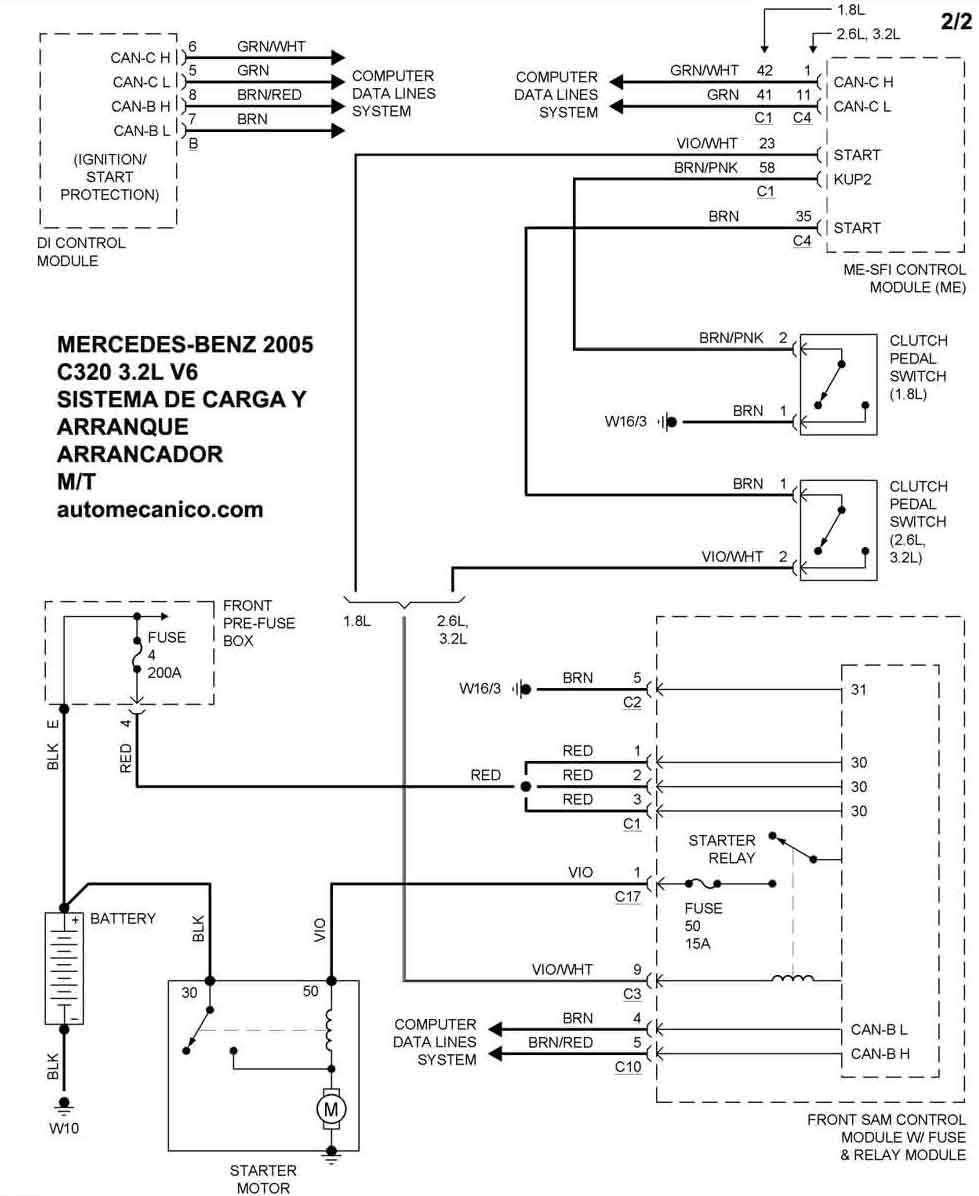
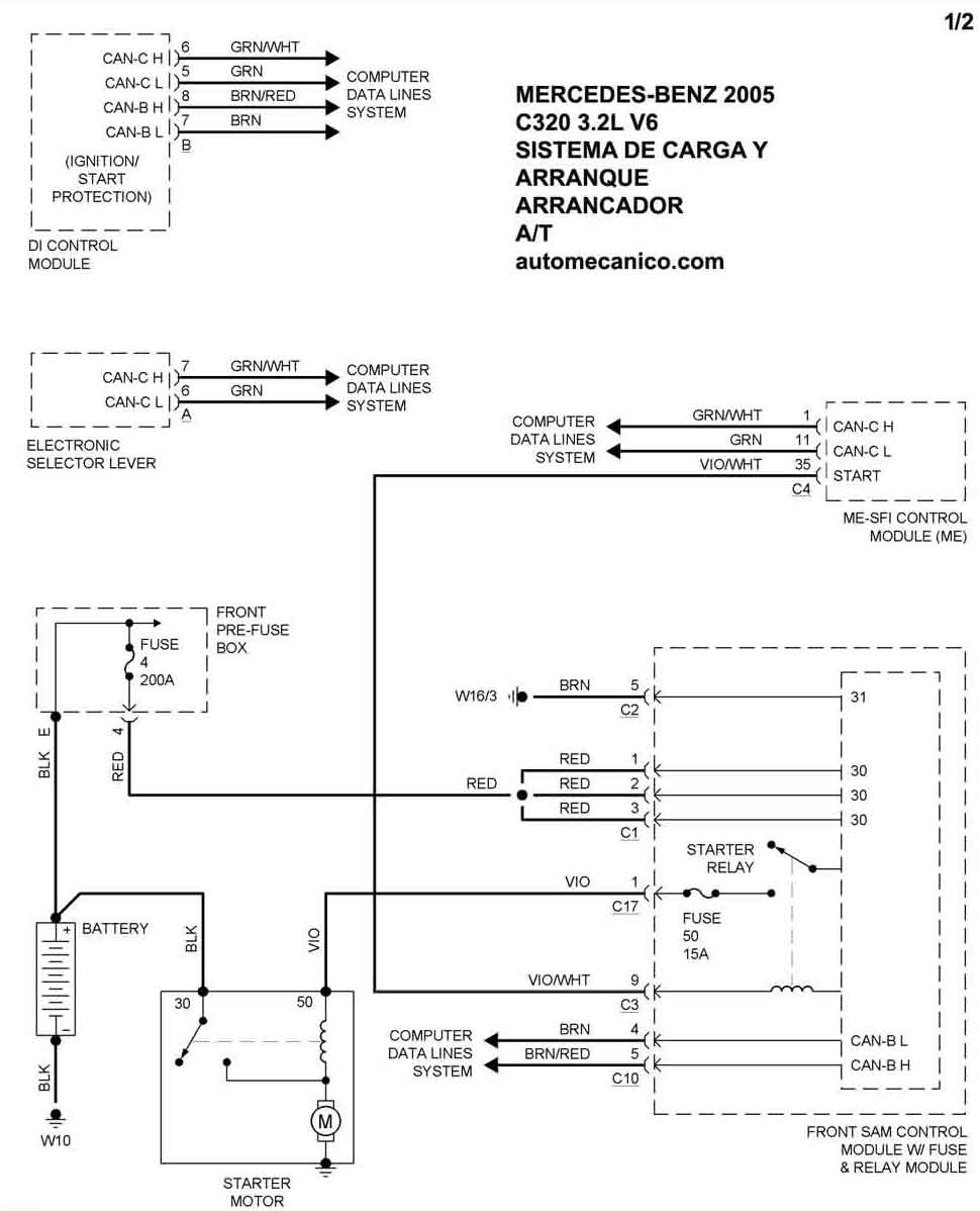
| 2005 | C320 - 3.2L V6 Cil. | SIST. DE CARGA | SIST. DE ARRANQUE T/A |
| 2005 | C320 - 3.2L V6 Cil. | 00 | SIST. DE ARRANQUE T/M |
| Volver al listado principal |
