| DIAGRAMAS - SISTEMA DE CARGA Y ARRANQUE - 2005 - Mecanica Automotriz - INDICE |
Diagramas NISSAN : Carga y Arranque | Charging and Starting System: - Esquemas - Graphics 2005 - |
| Los Diagramas, listados abajo, se refieren unicamente al Circuito electrico que involucra: Alternador [Generador] y/o; Arrancador [Motor de arranque, Marcha, Starter] - INDICE: NISSAN - 2005 - |
| AŃO | Modelo | Alternador | Arrancador |
| 2005 | ARMADA - 5.6L V8 | SIST. DE CARGA | SIST. DE ARRANQUE |
| 2005 | FRONTIER - 2.5L L4 | SIST. DE CARGA | SIST. DE ARRANQUE T/A |
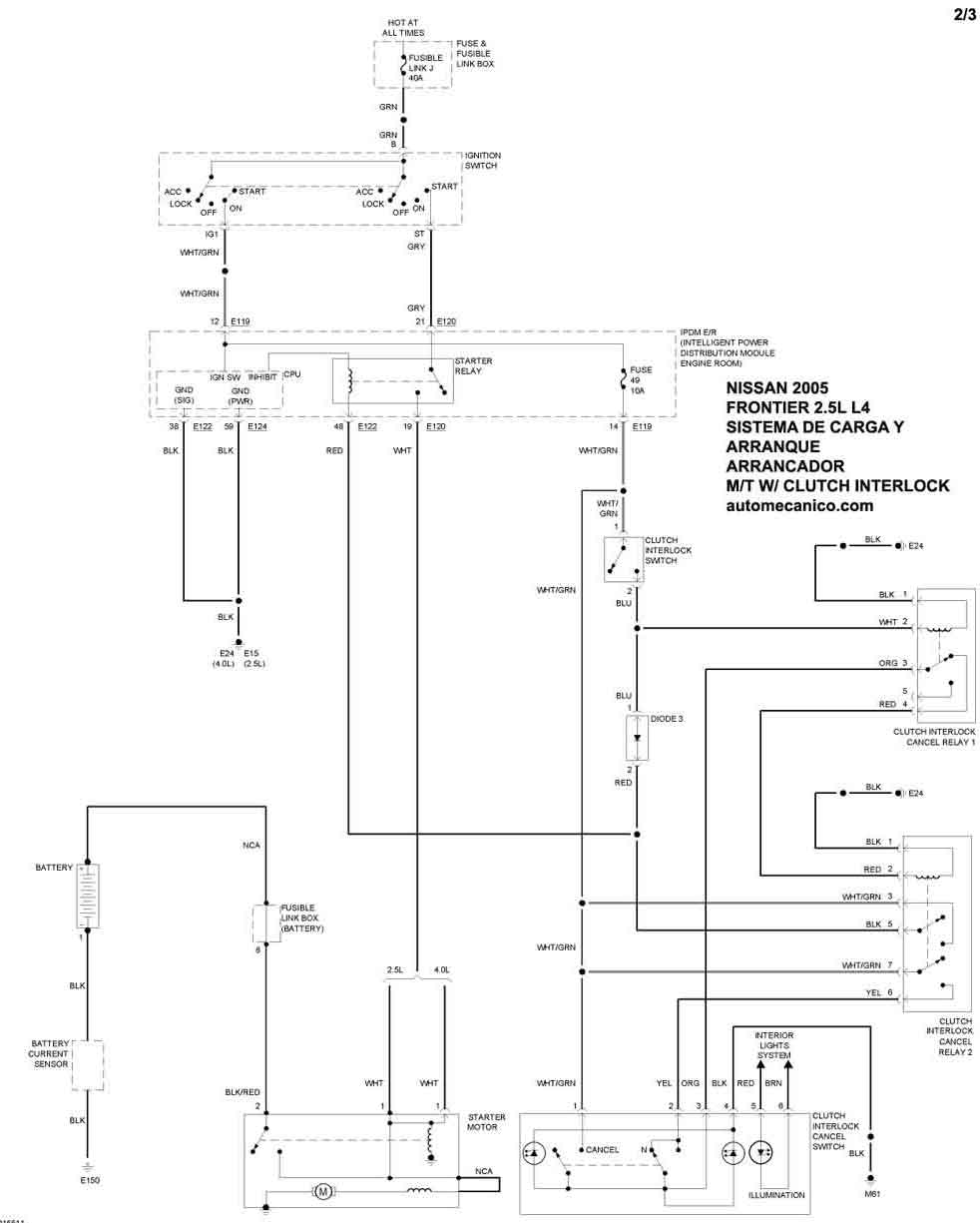
| 2005 | FRONTIER - 2.5L L4 | Clutch Interlock | SIST. DE ARRANQUE |
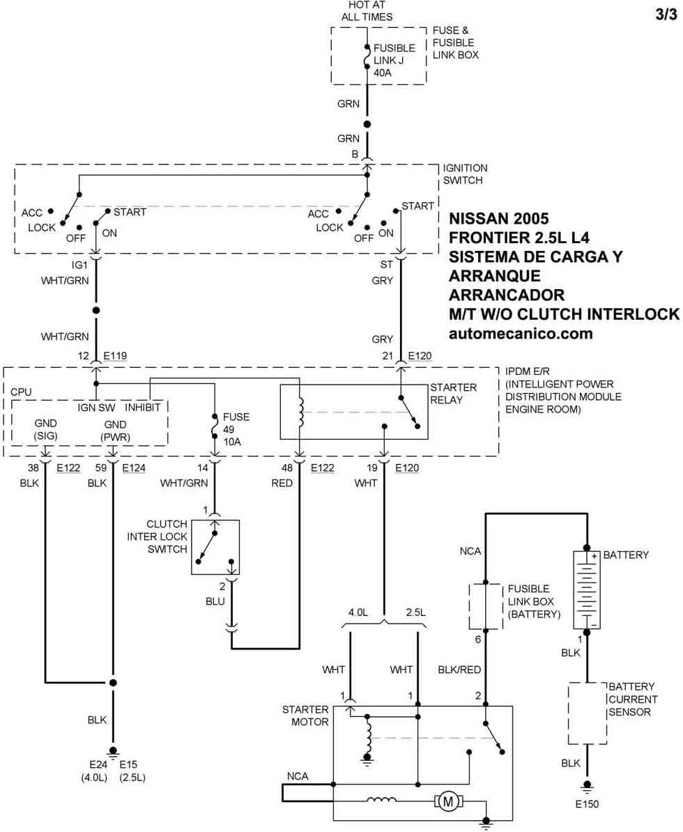
| 2005 | FRONTIER - 2.5L L4 | Sin: Clutch Interlock | SIST. DE ARRANQUE |
| 2005 | FRONTIER - 4.0L V6 | SIST. DE CARGA | SIST. DE ARRANQUE T/A |
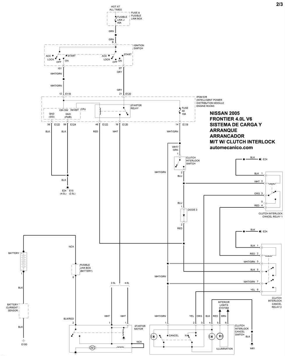
| 2005 | FRONTIER - 4.0L V6 | Clutch Interlock | SIST. DE ARRANQUE |
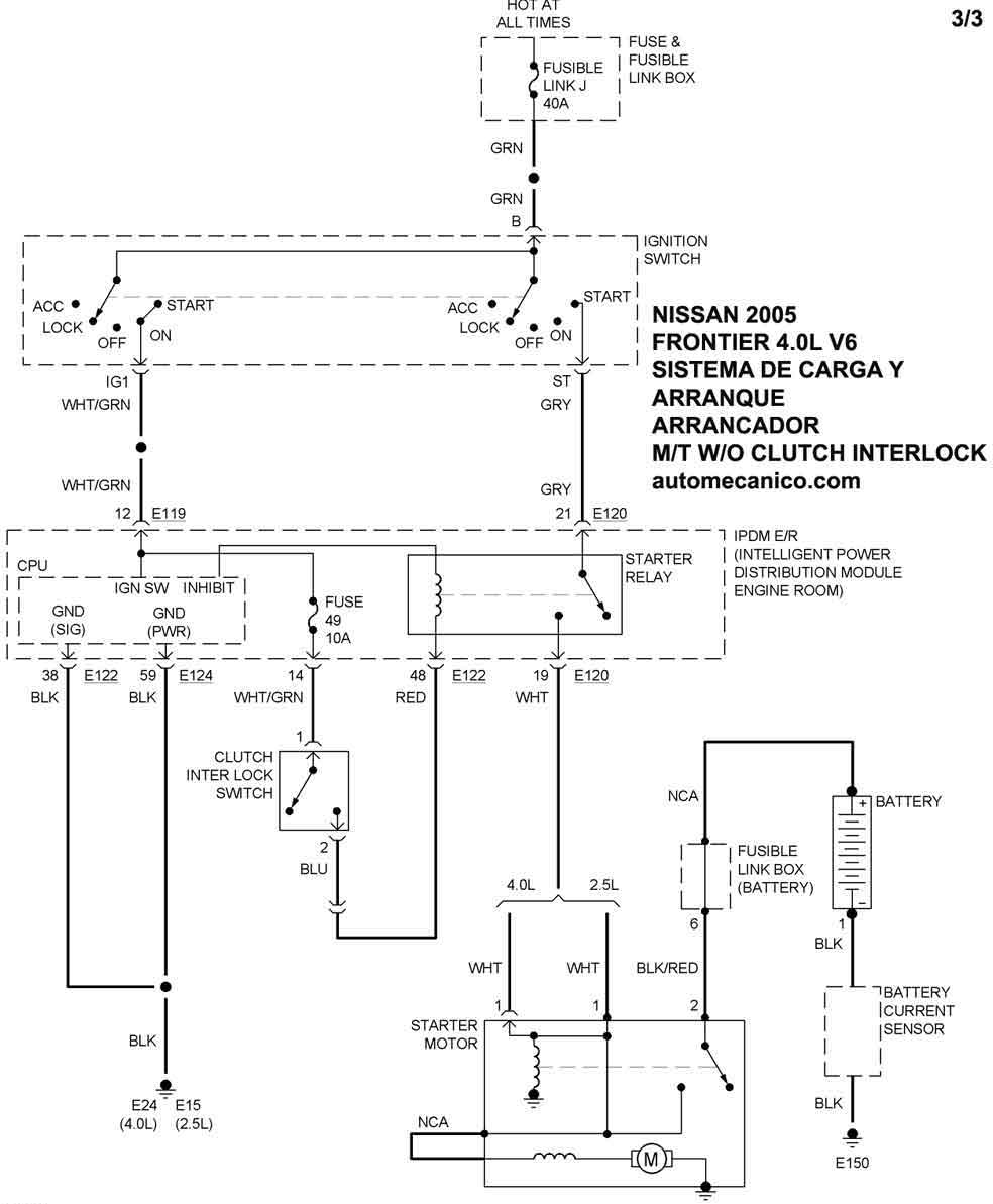
| 2005 | FRONTIER - 4.0L V6 | Sin: Clutch Interlock | SIST. DE ARRANQUE |
| Volver al listado principal |
