| DIAGRAMAS - SISTEMA DE CARGA Y ARRANQUE - 2005 - Mecanica Automotriz - INDICE |
Diagramas SATURN : Carga y Arranque | Charging and Starting System: - Esquemas - Graphics 2005 - |
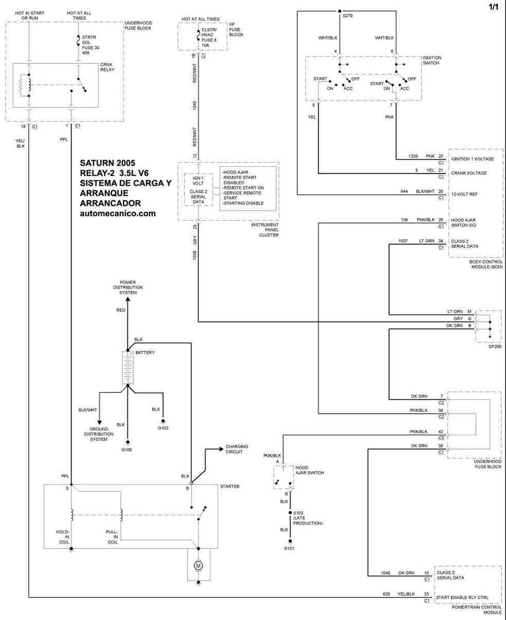
| Los Diagramas, listados abajo, se refieren unicamente al Circuito electrico que involucra: Alternador [Generador] y/o; Arrancador [Motor de arranque, Marcha, Starter] - INDICE: SATURN - 2005 -Volver al listado principal |
| AŃO | Modelo | Alternador | Arrancador |
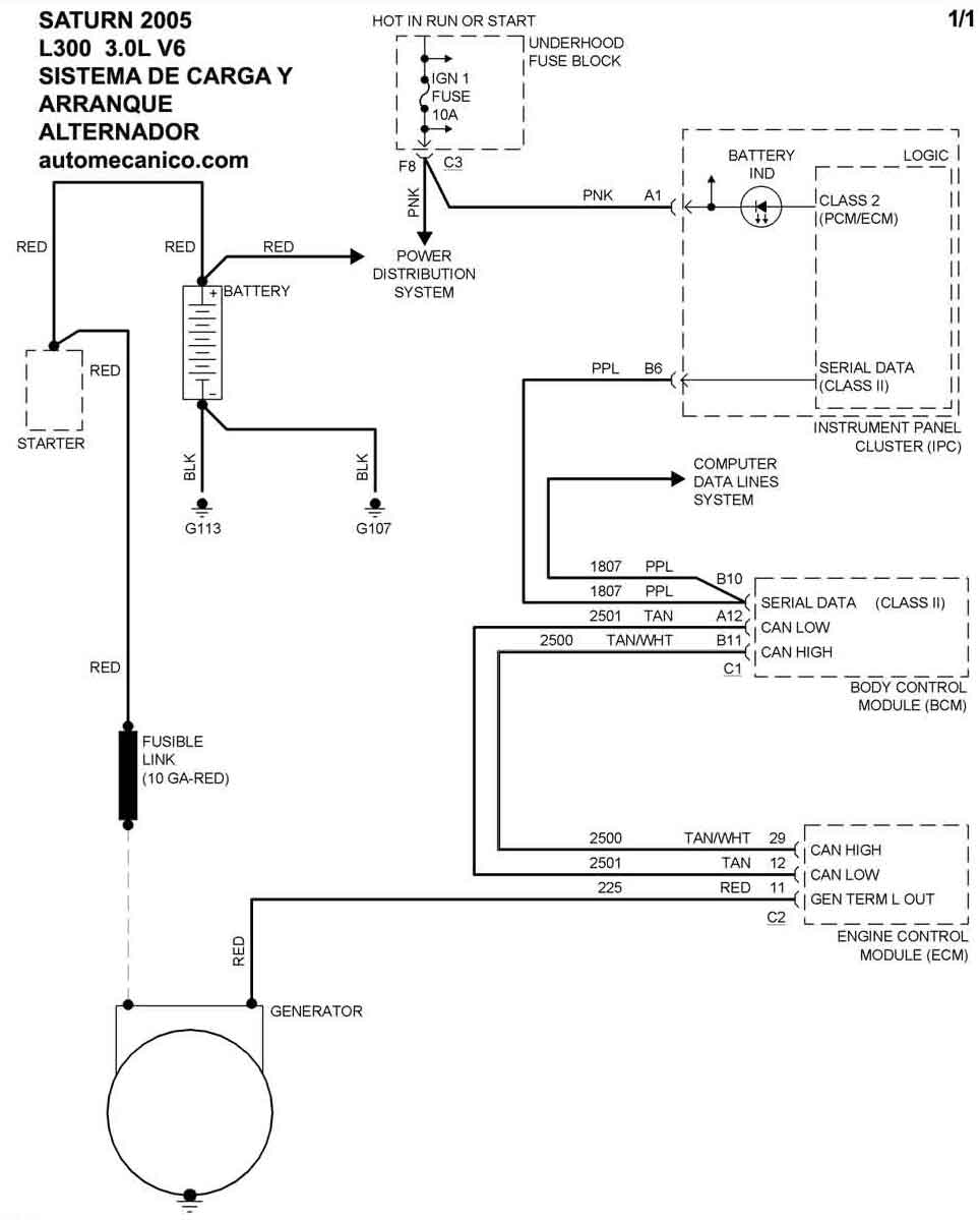
| 2005 | L300 - 3.0L V6 | SIST. DE CARGA | SIST. DE ARRANQUE |
| 2005 | RELAY-2 - 3.5L V6 | SIST. DE CARGA | SIST. DE ARRANQUE |
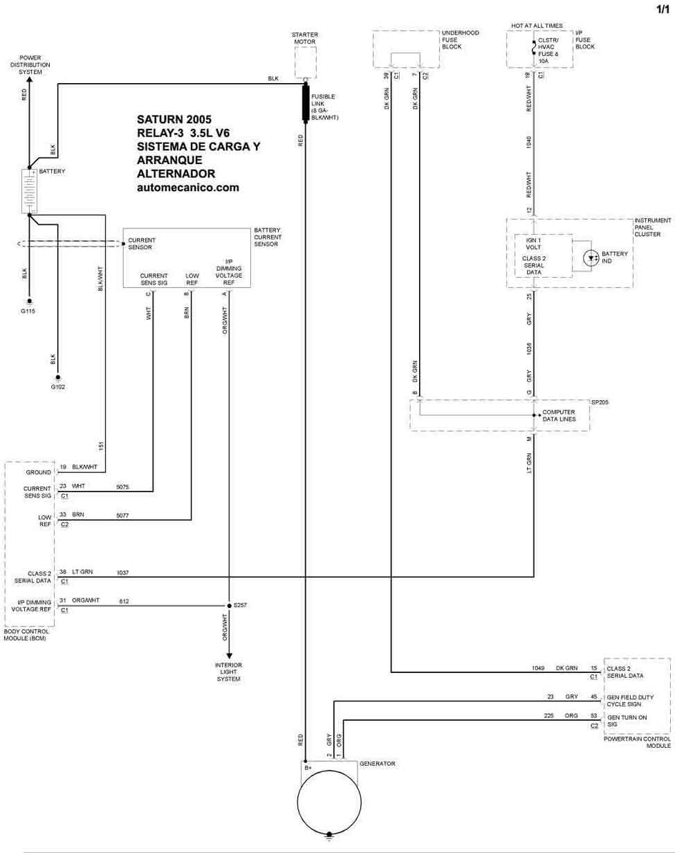
| 2005 | RELAY-3 - 3.5L V6 | SIST. DE CARGA | SIST. DE ARRANQUE |
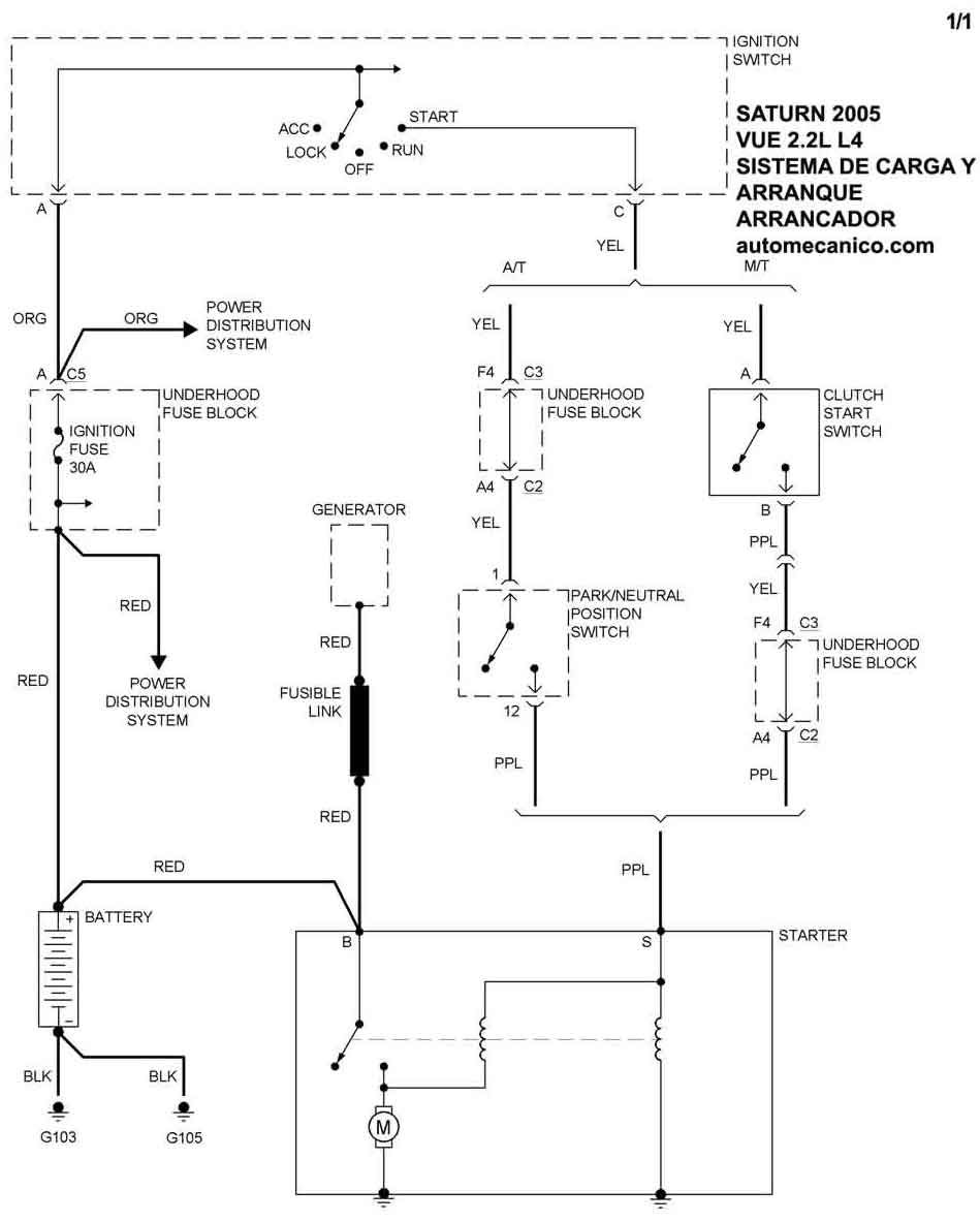
| 2005 | VUE - 2.2L L4 | SIST. DE CARGA | SIST. DE ARRANQUE |
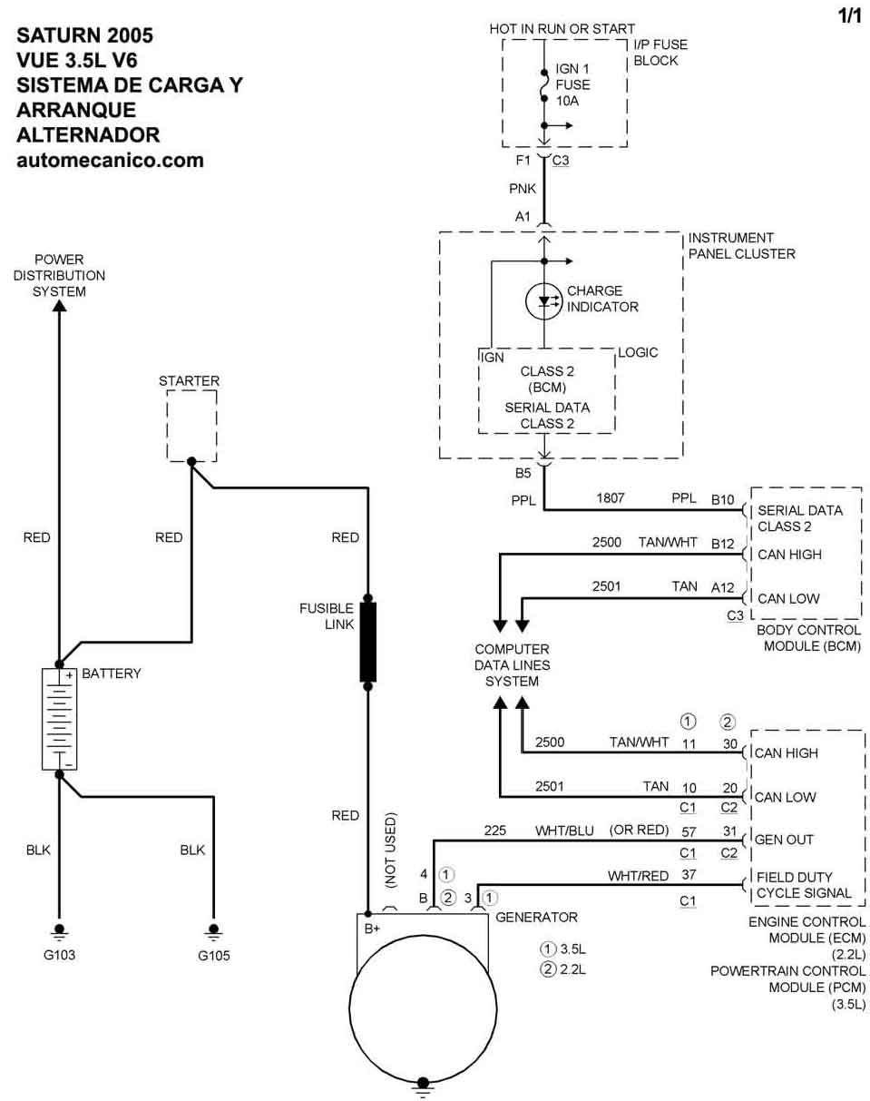
| 2005 | VUE - 3.5L V6 | SIST. DE CARGA | SIST. DE ARRANQUE |
