| DIAGRAMAS - SISTEMA DE CARGA Y ARRANQUE - 2005 - Mecanica Automotriz - INDICE |
Diagramas SUBARU : Carga y Arranque | Charging and Starting System: - Esquemas - Graphics 2005 - |
| Los Diagramas, listados abajo, se refieren unicamente al Circuito electrico que involucra: Alternador [Generador] y/o; Arrancador [Motor de arranque, Marcha, Starter] - INDICE: SUBARU - 2005 - |
| AŃO | Modelo | Alternador | Arrancador |
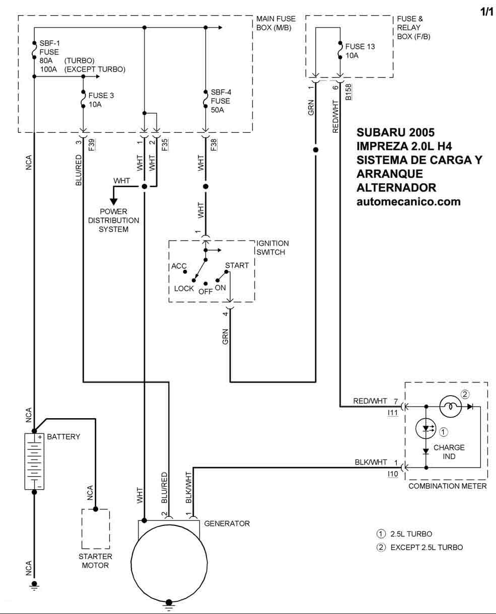
| 2005 | IMPREZA - 2.0L H4 | SIST. DE CARGA | SIST. DE ARRANQUE T/A |
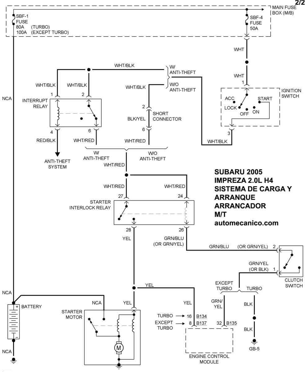
| 2005 | IMPREZA - 2.0L H4 | T/MANUAL | SIST. DE ARRANQUE |
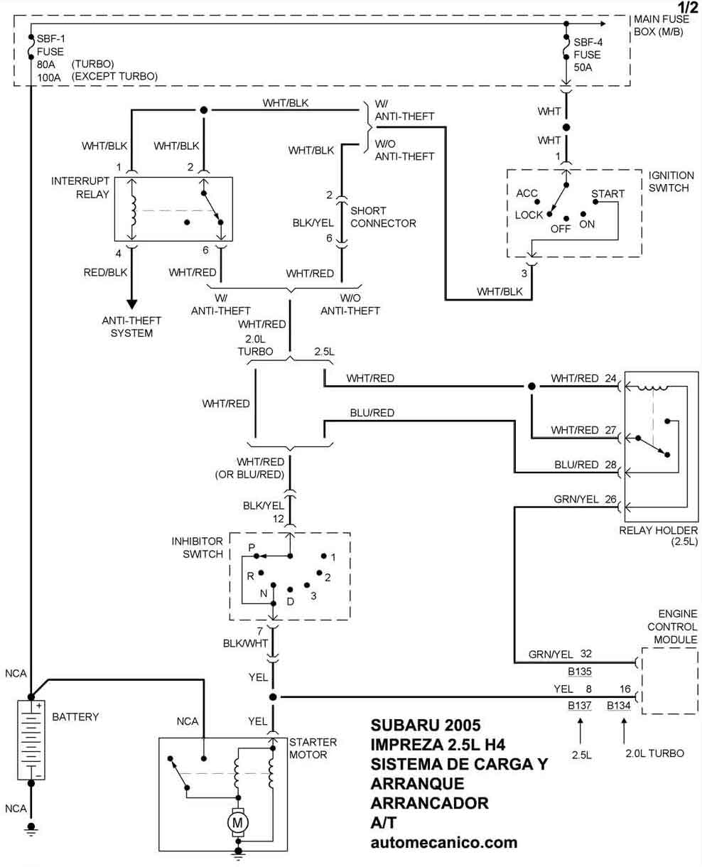
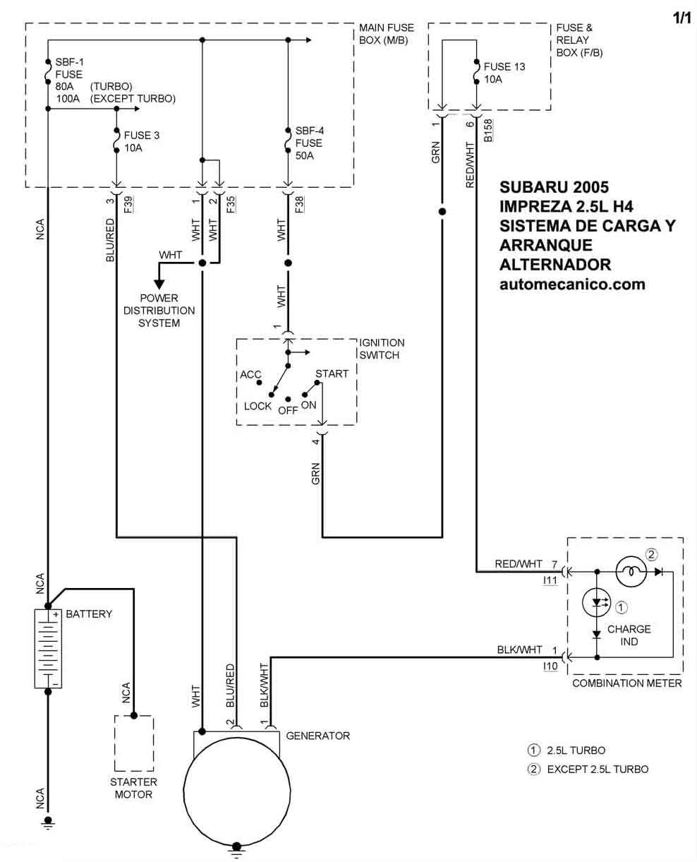
| 2005 | IMPREZA - 2.5L H4 | SIST. DE CARGA | SIST. DE ARRANQUE T/A |
| 2005 | IMPREZA - 2.5L H4 | T/MANUAL | SIST. DE ARRANQUE T/A |
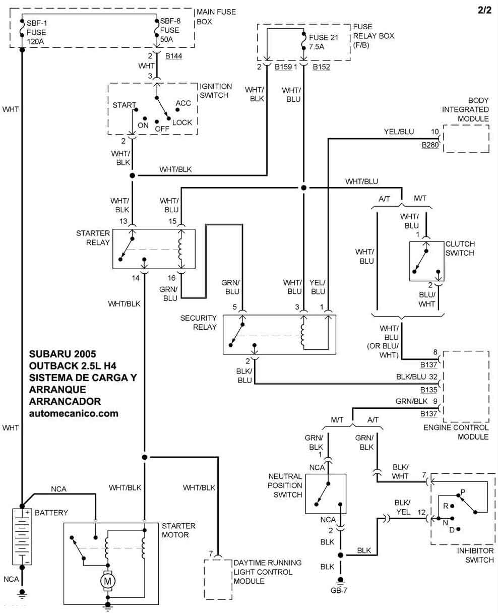
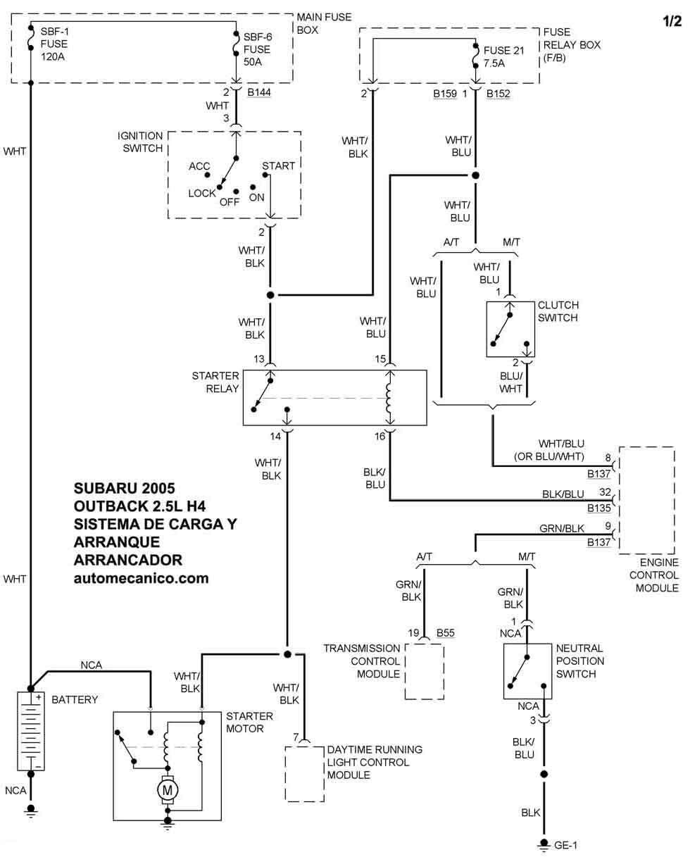
| 2005 | OUTBACK - 2.5L H4 1/2 | SIST. DE CARGA | SIST. DE ARRANQUE |
| 2005 | OUTBACK - 2.5L H4 2/2 | SIST. DE ARRANQUE | |
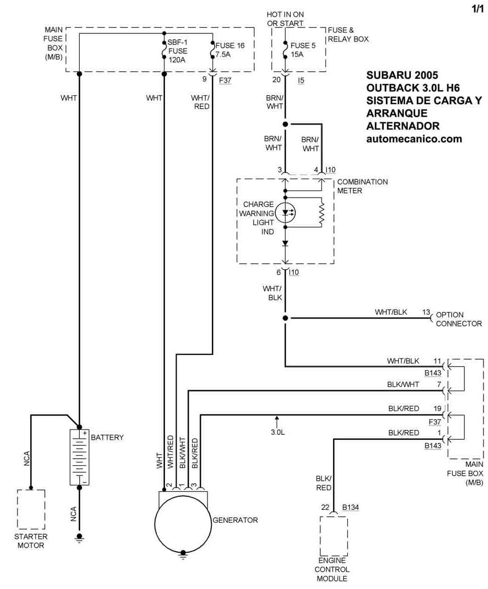
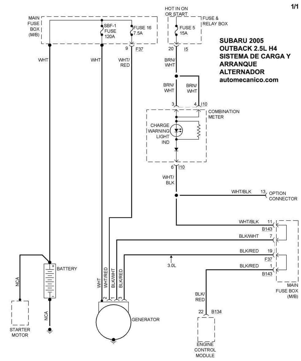
| 2005 | OUTBACK - 3.0L H6 | SIST. DE CARGA | SIST. DE ARRANQUE |
| Volver al listado principal |
