| DIAGRAMAS - SISTEMA DE CARGA Y ARRANQUE - 2005 - Mecanica Automotriz - INDICE |
Diagramas TOYOTA : Carga y Arranque | Charging and Starting System: - Esquemas - Graphics 2005 - |
| Los Diagramas, listados abajo, se refieren unicamente al Circuito electrico que involucra: Alternador [Generador] y/o; Arrancador [Motor de arranque, Marcha, Starter] - INDICE: TOYOTA - 2005 - |
| AŃO | Modelo | Alternador | Arrancador |
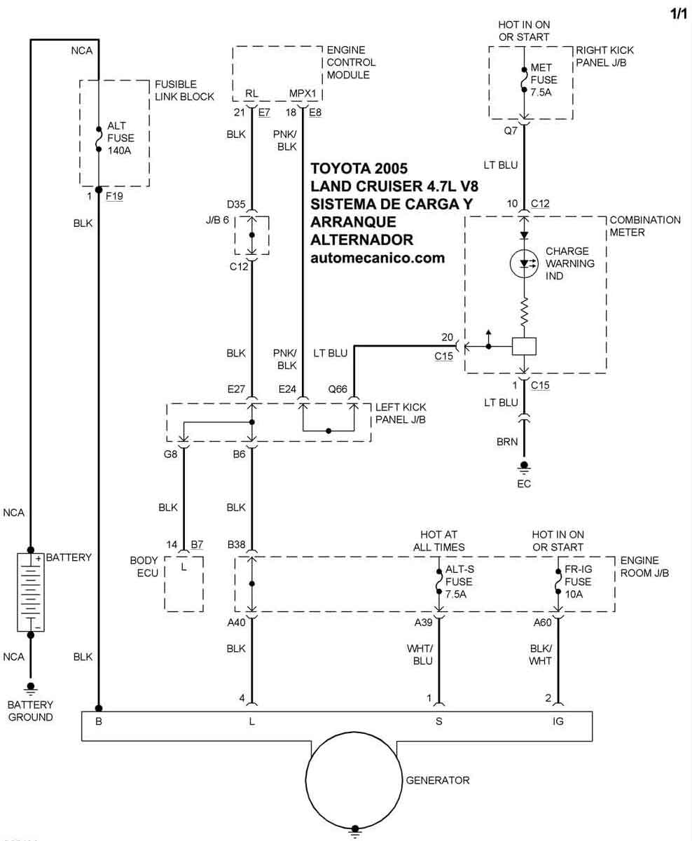
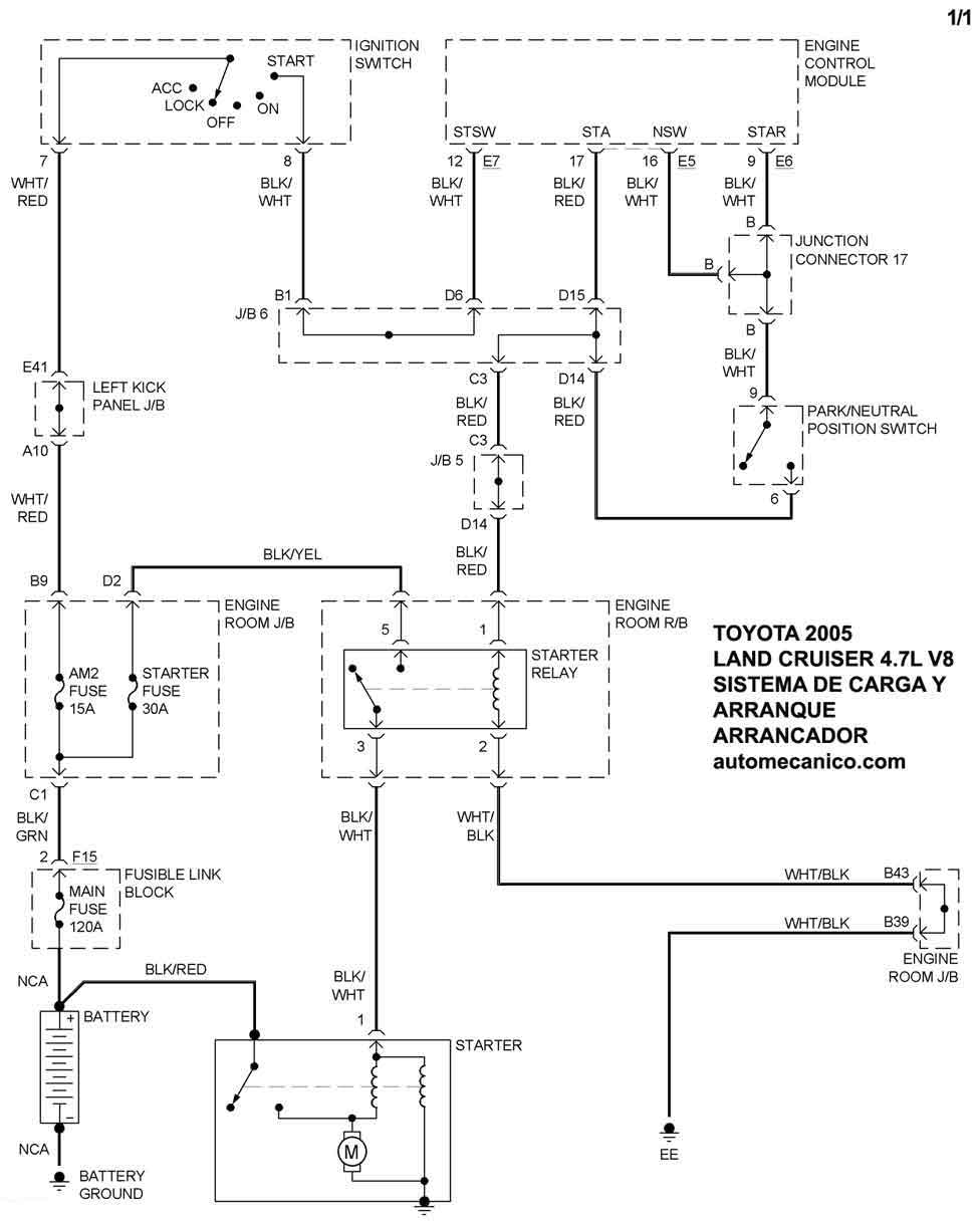
| 2005 | LAND CRUISER - 4.7L V8 | SIST. DE CARGA | SIST. DE ARRANQUE |
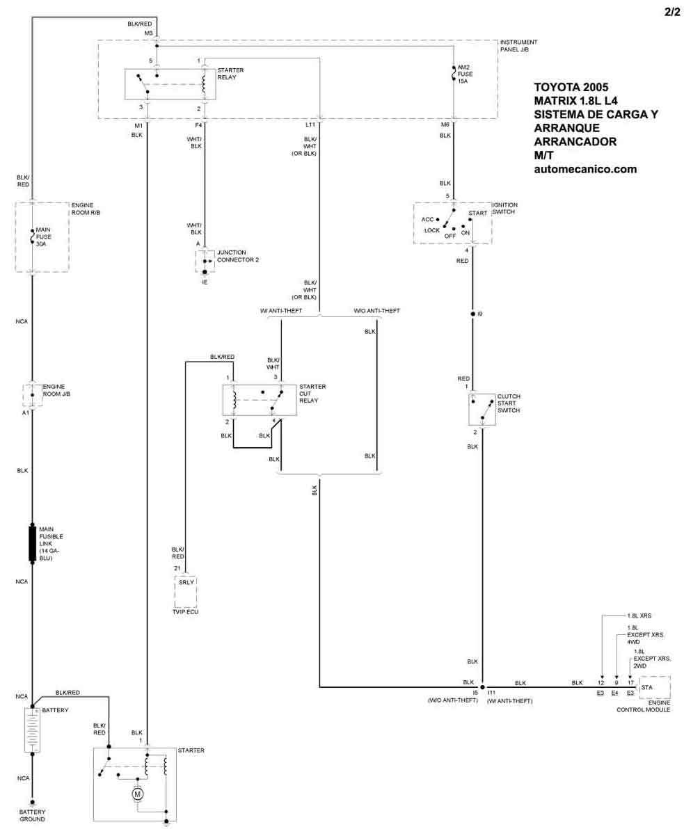
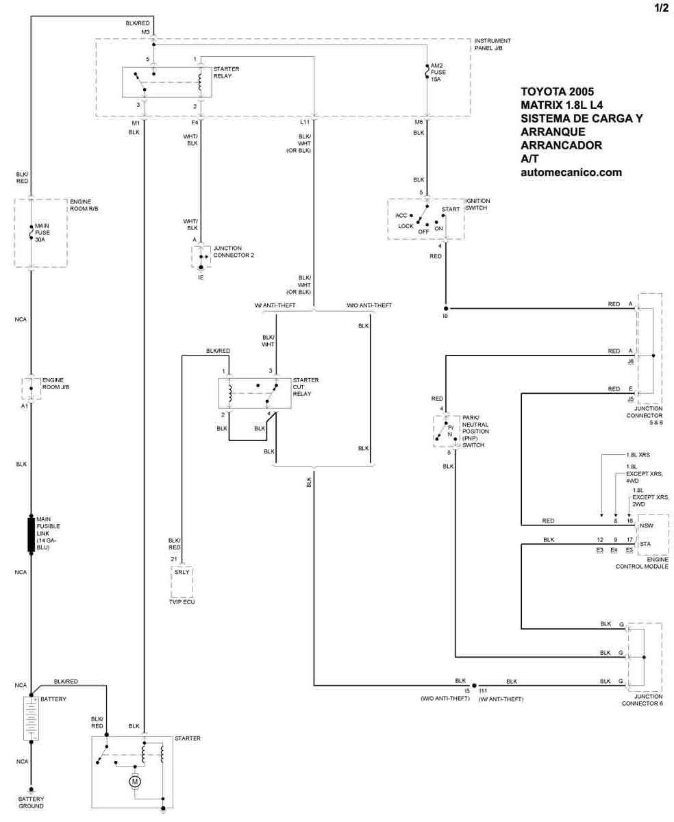
| 2005 | MATRIX - 1.8L 4 Cil. | SIST. DE CARGA | SIST. DE ARRANQUE T/A |
| 2005 | MATRIX - 1.8L 4 Cil. | T/MANUAL | SIST. DE ARRANQUE T/M |
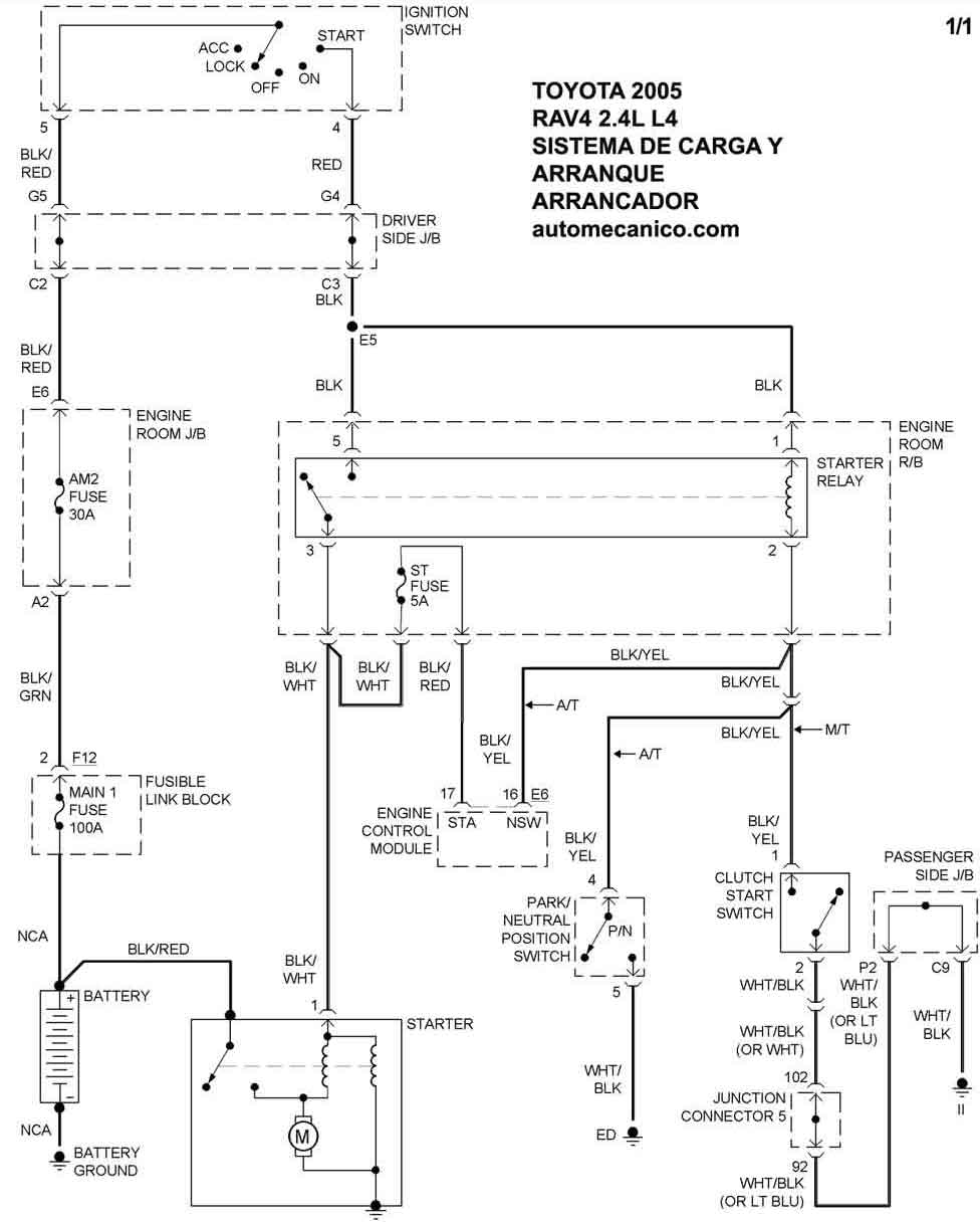
| 2005 | RAV4 - 2.4L 4 Cil. | SIST. DE CARGA | SIST. DE ARRANQUE |
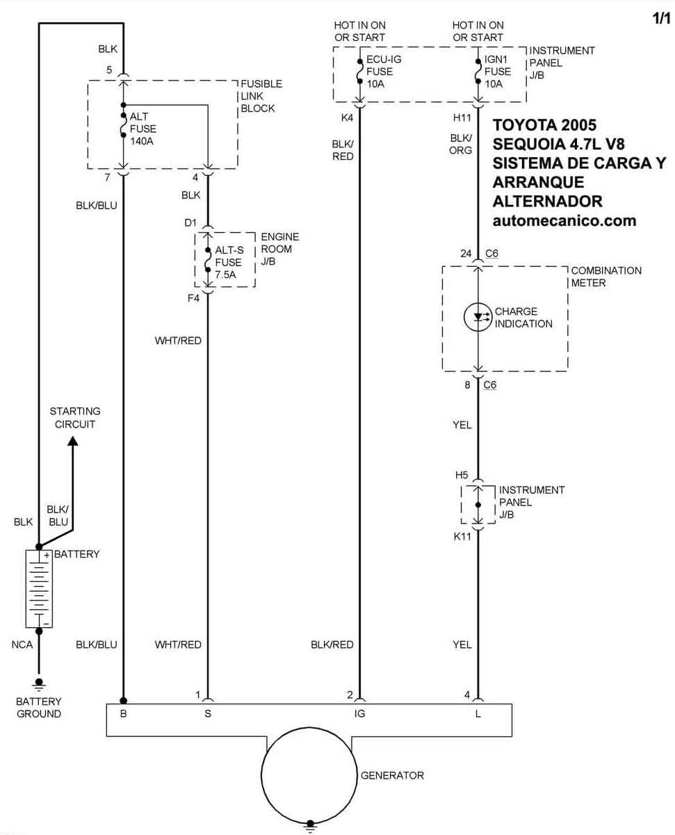
| 2005 | SEQUOIA - 4.7L V8 | SIST. DE CARGA | SIST. DE ARRANQUE |
| Volver al listado principal |
