| DIAGRAMAS - SISTEMA DE CARGA Y ARRANQUE - 2005 - Mecanica Automotriz - INDICE |
Diagramas TOYOTA : Carga y Arranque | Charging and Starting System: - Esquemas - Graphics 2005 - |
| Los Diagramas, listados abajo, se refieren unicamente al Circuito electrico que involucra: Alternador [Generador] y/o; Arrancador [Motor de arranque, Marcha, Starter] - INDICE: TOYOTA - 2005 - |
| AŃO | Modelo | Alternador | Arrancador |
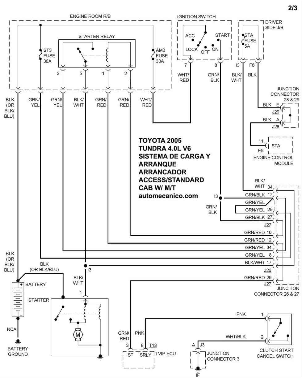
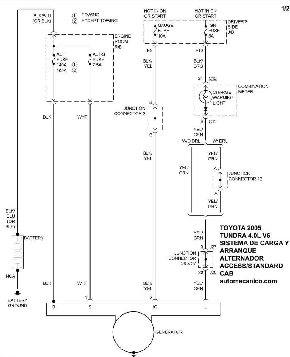
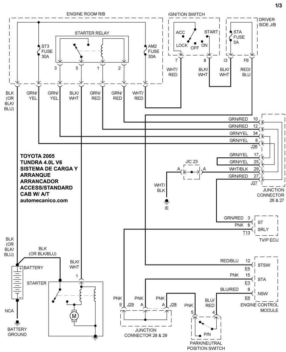
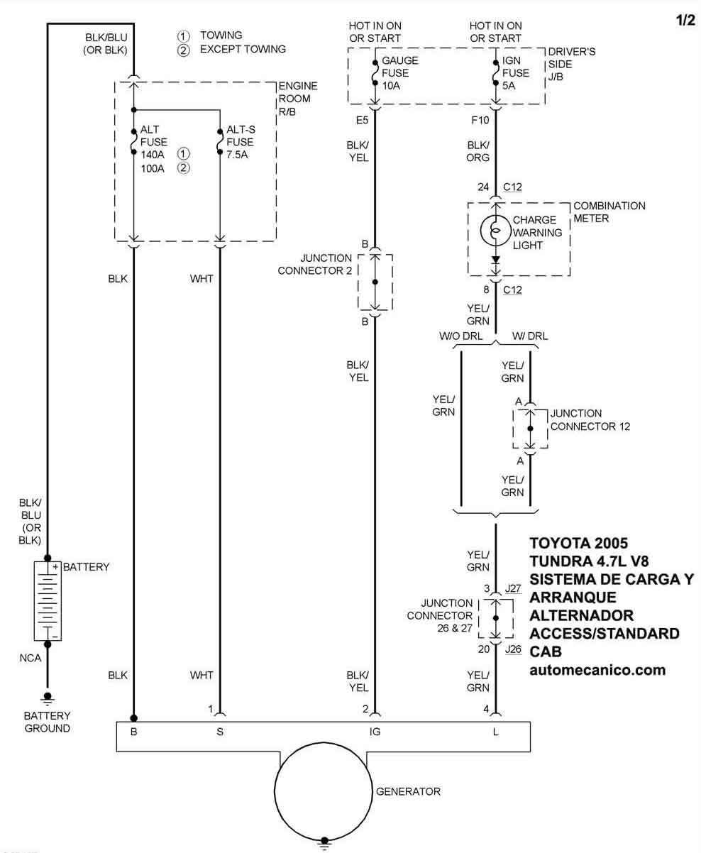
| 2005 | TUNDRA 4.0L V6 - Standard Cab. | SIST. DE CARGA | SIST. DE ARRANQUE T/A |
| 2005 | TUNDRA 4.0L V6 - Standard Cab. | Cabina Standard | SIST. DE ARRANQUE T/M |
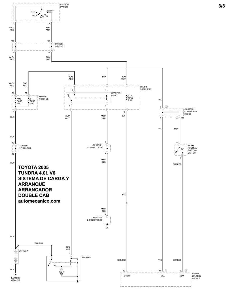
| 2005 | TUNDRA 4.0L V6 - Double Cab | SIST. DE CARGA | SIST. DE ARRANQUE |
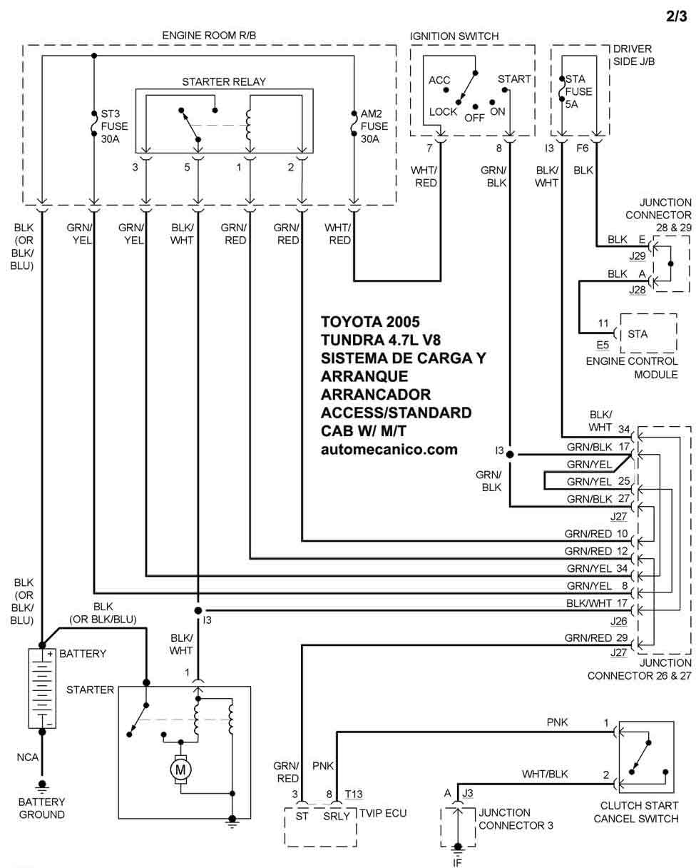
| 2005 | TUNDRA 4.7L V8 - Standard Cab. | SIST. DE CARGA | SIST. DE ARRANQUE T/A |
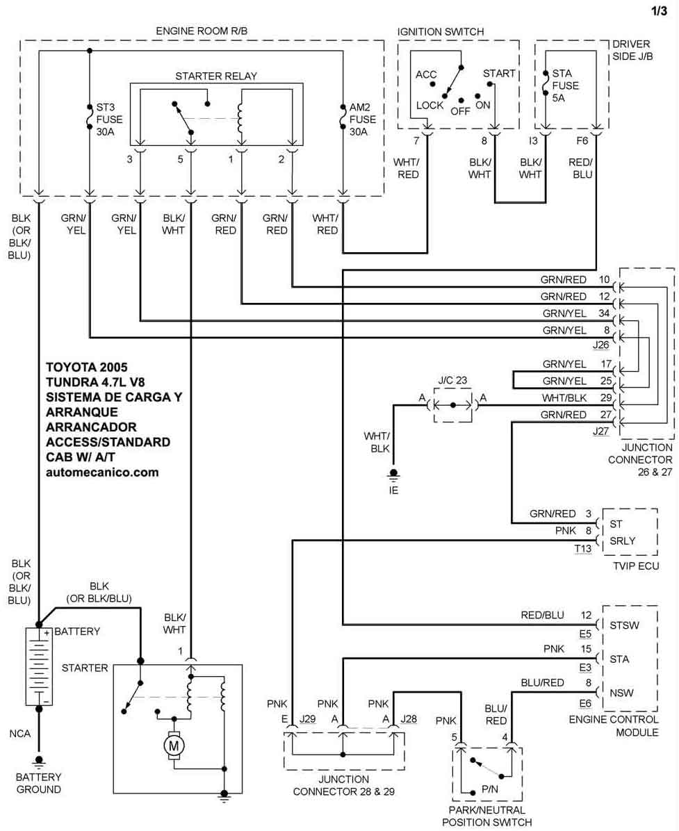
| 2005 | TUNDRA 4.7L V8 - Standard Cab. | Cabina Standard | SIST. DE ARRANQUE T/M |
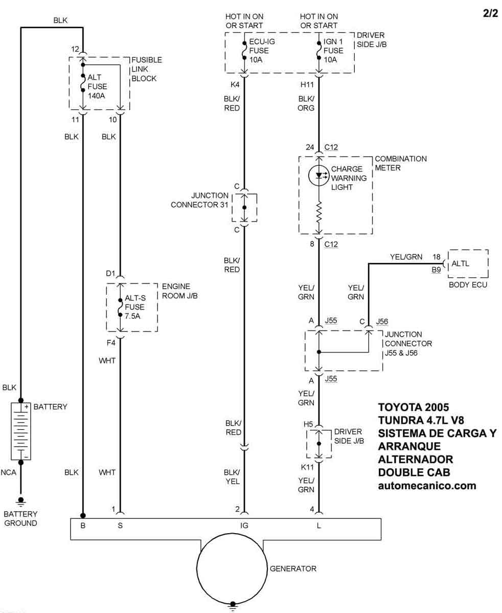
| 2005 | TUNDRA 4.7L V8 - Double Cab | SIST. DE CARGA | SIST. DE ARRANQUE |
| Volver al listado principal |
