| DIAGRAMAS - SISTEMA DE CARGA Y ARRANQUE - 2005 - Mecanica Automotriz - INDICE |
Diagramas VOLKSWAGEN : Carga y Arranque | Charging and Starting System: - Esquemas - Graphics 2005 - |
| Los Diagramas, listados abajo, se refieren unicamente al Circuito electrico que involucra: Alternador [Generador] y/o; Arrancador [Motor de arranque, Marcha, Starter] - INDICE: VOLKSWAGEN - 2005 - |
| AŃO | Modelo | Alternador | Arrancador |
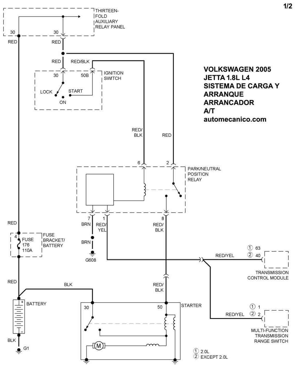
| 2005 | JETTA - 1.8L 4 Cil. | SIST. DE CARGA | SIST. DE ARRANQUE T/A |
| 2005 | JETTA - 1.8L 4 Cil. | 00 | SIST. DE ARRANQUE T/M |
| 2005 | JETTA - 1.9L L4 Cil. Early Producc - Diesel | SIST. DE CARGA | SIST. DE ARRANQUE T/A |
| 2005 | JETTA - 1.9L L4 Cil. Early Producc - Diesel | T/Manual | SIST. DE ARRANQUE T/M |
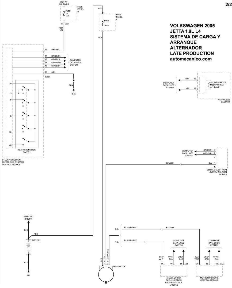
| 2005 | JETTA - 1.9L 4 Cil. Late Producc - Diesel | SIST. DE CARGA | SIST. DE ARRANQUE |
| 2005 | JETTA - 2.0L 4 Cil. | SIST. DE CARGA | SIST. DE ARRANQUE T/A |
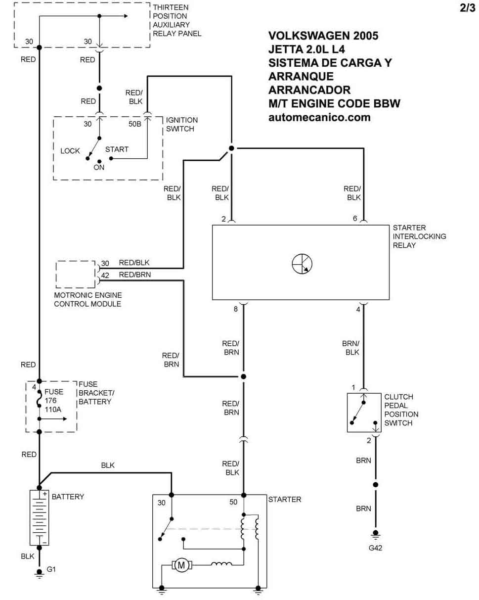
| 2005 | JETTA - 2.0L 4 Cil. | Codig. de Motor - BBW | SIST. DE ARRANQUE T/M |
| 2005 | JETTA - 2.0L 4 Cil. | Except: Codig. de Motor - BBW | SIST. DE ARRANQUE T/M |
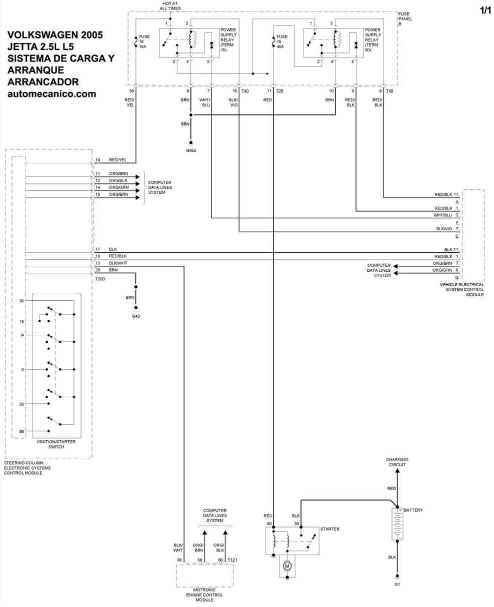
| 2005 | JETTA - 2.5L L5 Cil. | SIST. DE CARGA | SIST. DE ARRANQUE |
| Volver al listado principal |
