| DIAGRAMAS - SISTEMA DE CARGA Y ARRANQUE - 2005 - Mecanica Automotriz - INDICE |
Diagramas VOLVO : Carga y Arranque | Charging and Starting System: - Esquemas - Graphics 2005 - |
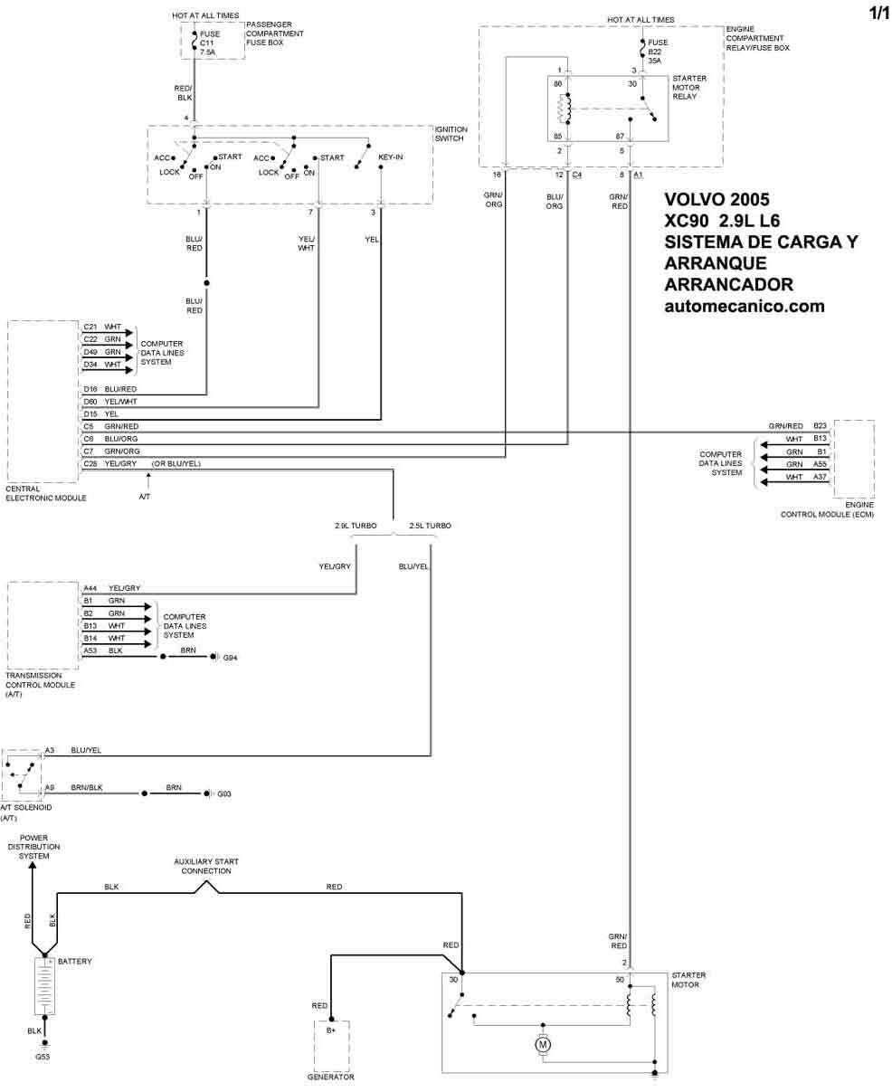
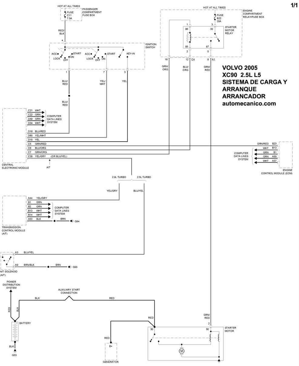
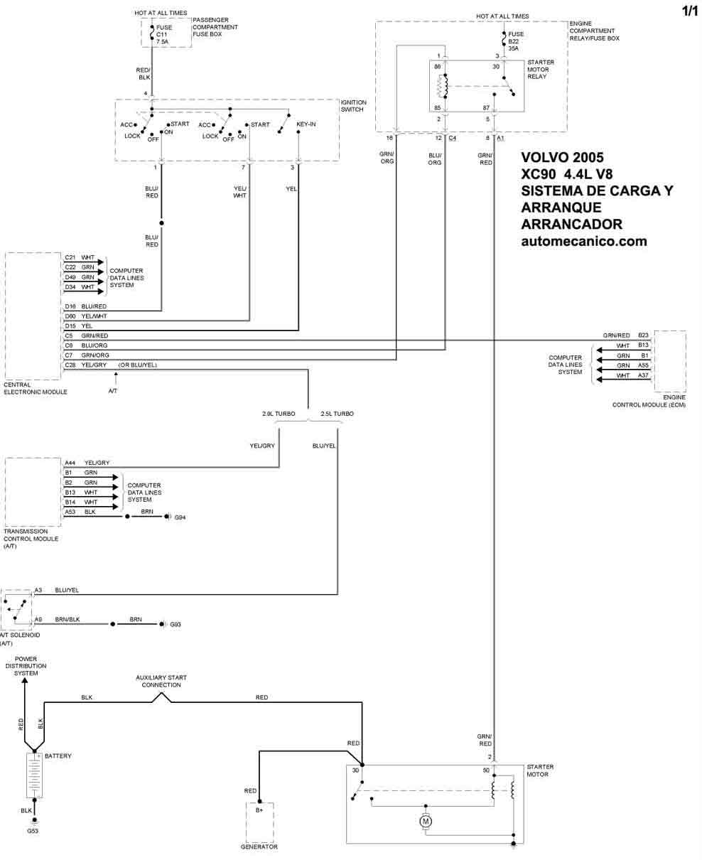
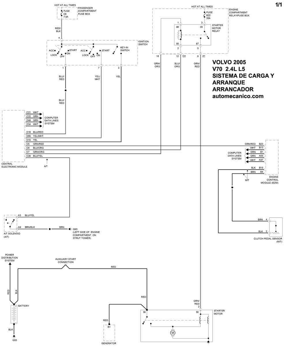
| Los Diagramas, listados abajo, se refieren unicamente al Circuito electrico que involucra: Alternador [Generador] y/o; Arrancador [Motor de arranque, Marcha, Starter] - INDICE: VOLVO - 2005 - |
| AŃO | Modelo | Alternador | Arrancador |
| 2005 | V50 - 2.4L L5 Cil. | SIST. DE CARGA | SIST. DE ARRANQUE |
| 2005 | V70 - 2.5L L5 Cil. | SIST. DE CARGA | SIST. DE ARRANQUE |
| 2005 | XC70 - 2.5L L5 Cil. | SIST. DE CARGA | SIST. DE ARRANQUE |
| 2005 | XC90 - 2.5L L5 Cil. | SIST. DE CARGA | SIST. DE ARRANQUE |
| 2005 | XC90 - 2.9L L6 Cil. | SIST. DE CARGA | SIST. DE ARRANQUE |
| 2005 | XC90 - 4.4L V8 Cil. | SIST. DE CARGA | SIST. DE ARRANQUE |
| Volver al listado principal |
