| DIAGRAMAS - SISTEMA DE CARGA Y ARRANQUE - 2000 - Mecanica Automotriz - INDICE |
Diagramas NISSAN : Carga y Arranque | Charging and Starting System: - Esquemas - Graphics 2000 - |
| Los Diagramas, listados abajo, se refieren unicamente al Circuito electrico que involucra: Alternador [Generador] y/o; Arrancador [Motor de arranque, Marcha, Starter] - INDICE: NISSAN - 2000 - |
| YEAR | Modelo | Alternador | Arrancador |
| 2000 | SENTRA - 1.8L L4 | SIST. DE CARGA | SIST. DE ARRANQUE T/A |
| 2000 | SENTRA - 1.8L L4 | T/MANUAL | SIST. DE ARRANQUE T/M |
| 2000 | SENTRA - 2.0L L4 | SIST. DE CARGA | SIST. DE ARRANQUE T/A |
| 2000 | SENTRA - 2.0L L4 | T/MANUAL | SIST. DE ARRANQUE T/M |
| 2000 | X TERRA - 2.4L L4 | SIST. DE CARGA | SIST. DE ARRANQUE |
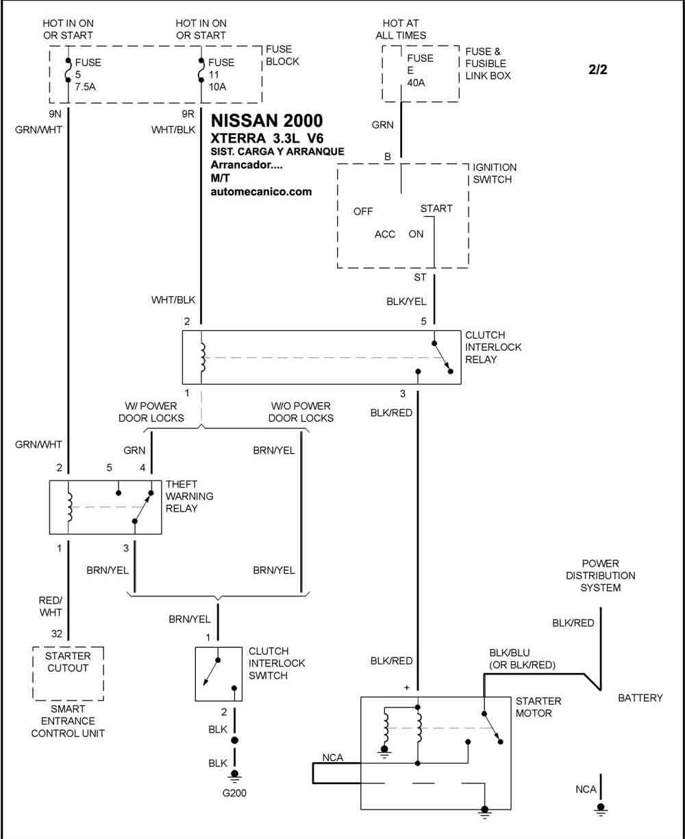
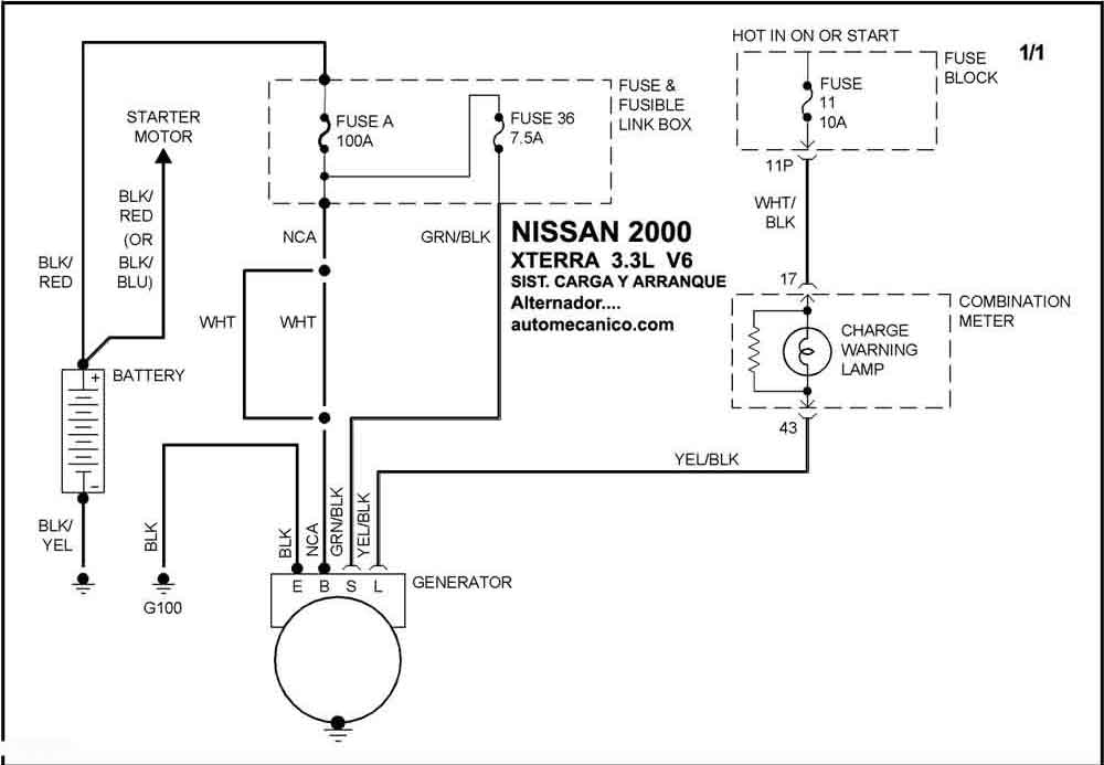
| 2000 | X TERRA - 3.3L V6 | SIST. DE CARGA | SIST. DE ARRANQUE T/A |
| 2000 | X TERRA - 3.3L V6 | T/MANUAL | SIST. DE ARRANQUE T/M |
| Volver al listado principal |
