| DIAGRAMAS - SISTEMA DE CARGA Y ARRANQUE - 1990 - Mecanica Automotriz - INDICE |
Diagramas AUDI : Carga y Arranque | Charging and Starting System: - Esquemas - Graphics 1990 - |
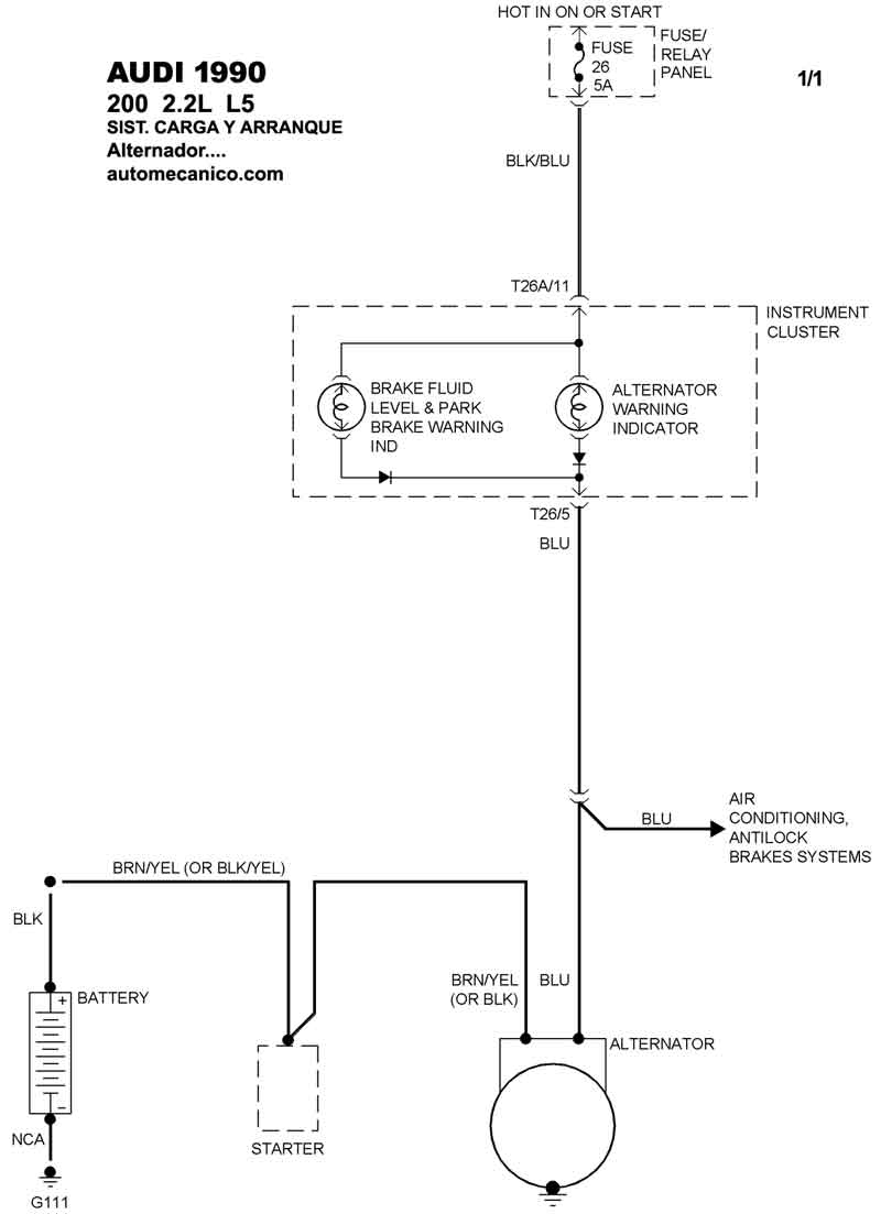
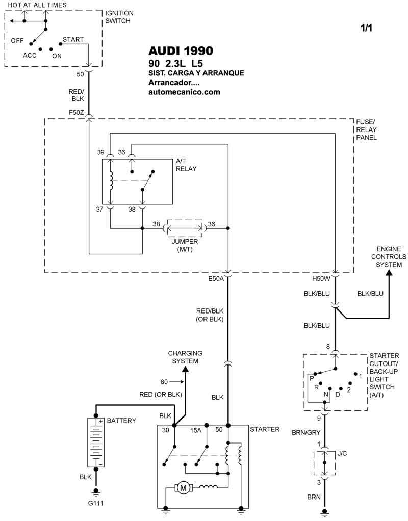
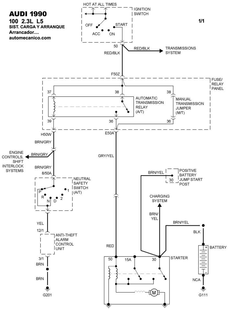
| Los Diagramas, listados abajo, se refieren unicamente al Circuito electrico que involucra: Alternador [Generador] y/o; Arrancador [Motor de arranque, Marcha, Starter] - INDICE: AUDI - 1990 - |
| AŃO | Modelo | Alternador | Arrancador |
| 1990 | 80 - 2.0L L4 CIL. | SIST. DE CARGA | SIST. DE ARRANQUE T/A |
| 1990 | 90 - 2.3L L5 CIL. | SIST. DE CARGA | SIST. DE ARRANQUE T/A |
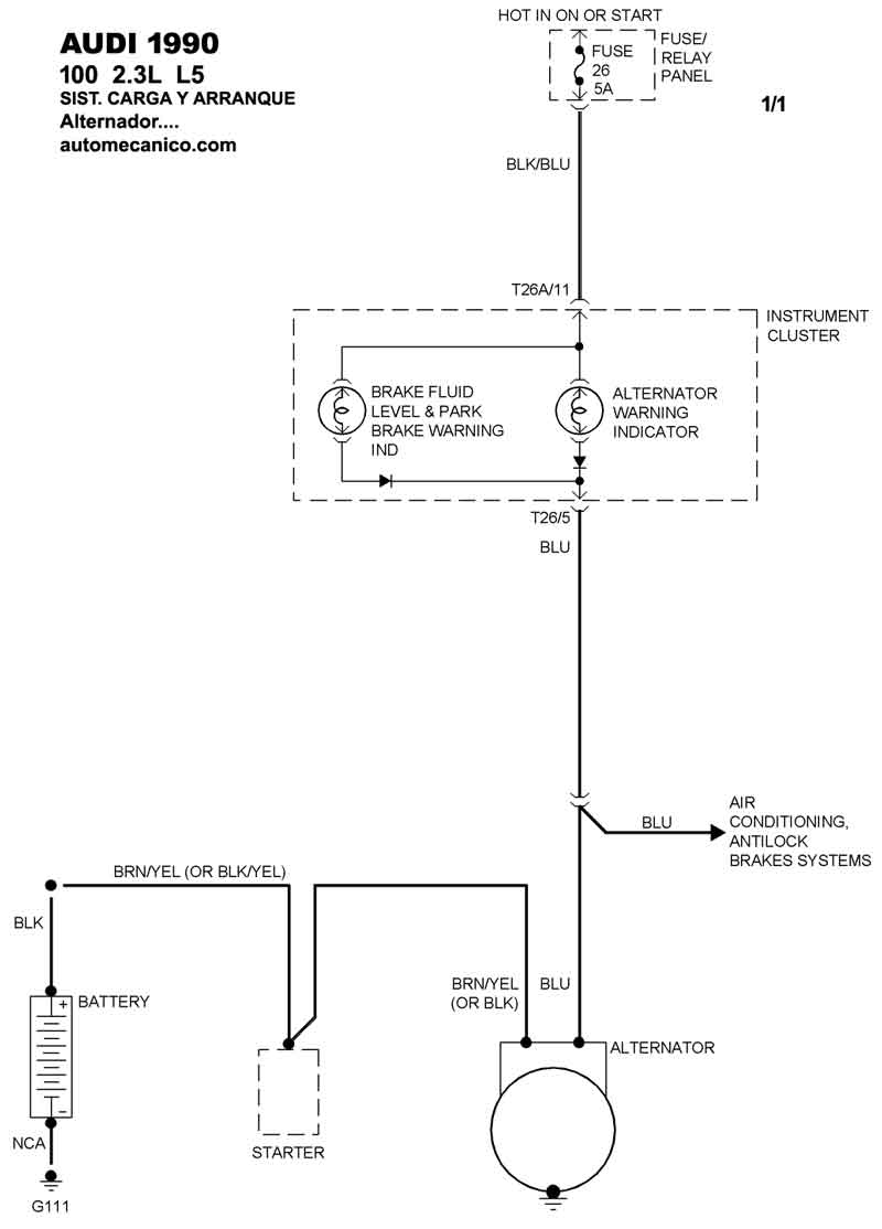
| 1990 | 100 - 2.3L L5 CIL. | SIST. DE CARGA | SIST. DE ARRANQUE T/A |
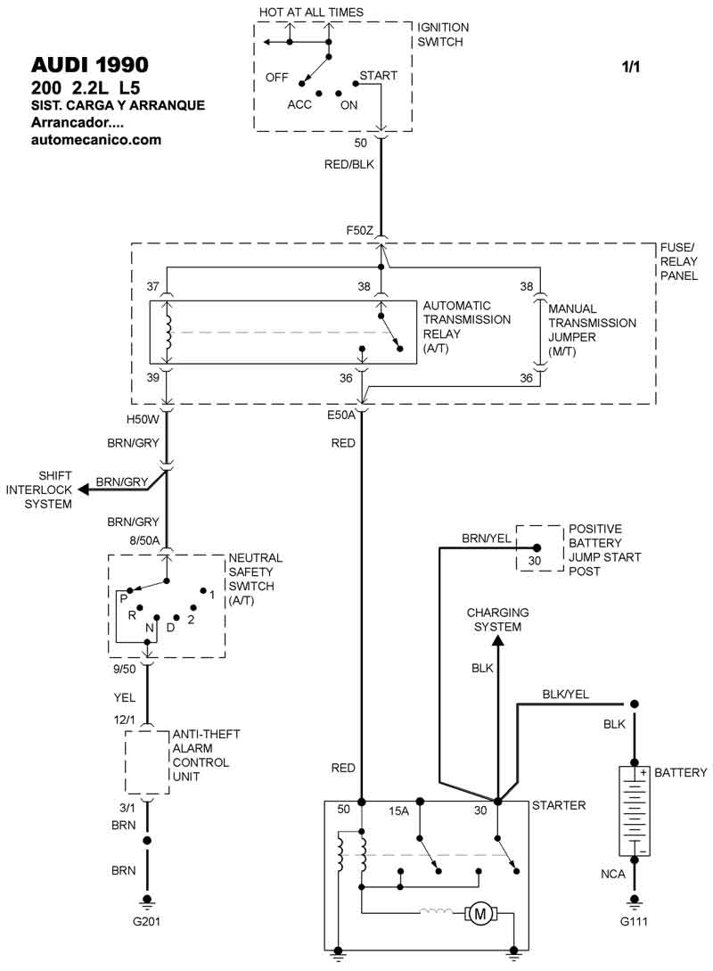
| 1990 | 200 - 2.2L L5 CIL. | SIST. DE CARGA | SIST. DE ARRANQUE T/A |
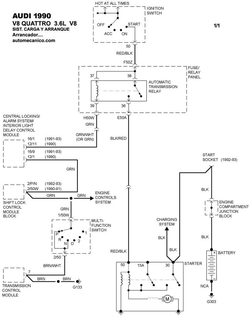
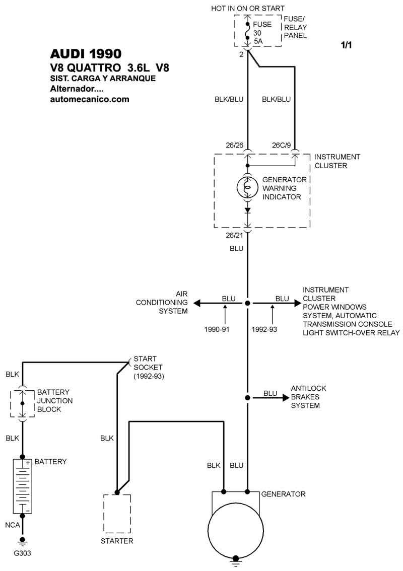
| 1990 | V8 QUATTRO - 3.6L V8 | SIST. DE CARGA | SIST. DE ARRANQUE T/A |
| Volver al listado principal |
