| DIAGRAMAS - SISTEMA DE CARGA Y ARRANQUE - 1990 - Mecanica Automotriz - INDICE |
Diagramas BMW : Carga y Arranque | Charging and Starting System: - Esquemas - Graphics 1990 - |
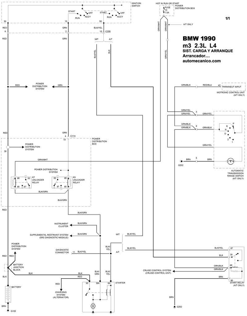
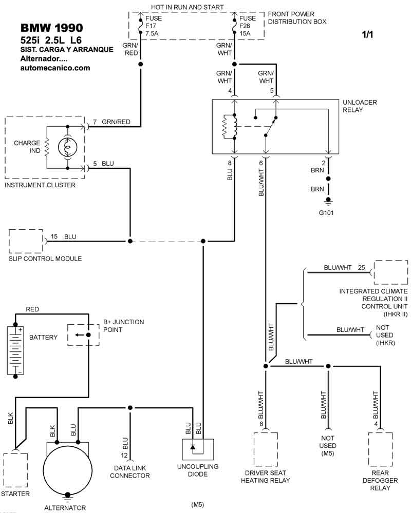
| Los Diagramas, listados abajo, se refieren unicamente al Circuito electrico que involucra: Alternador [Generador] y/o; Arrancador [Motor de arranque, Marcha, Starter] - INDICE: BMW - 1990 - |
| AŃO | Modelo | Alternador | Arrancador |
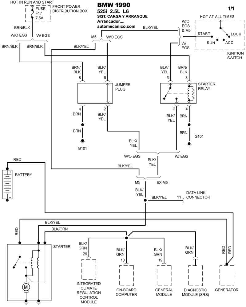
| 1990 | 525i - 2.5L L6 CIL. | SIST. DE CARGA | SIST. DE ARRANQUE T/A |
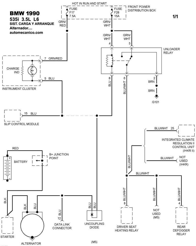
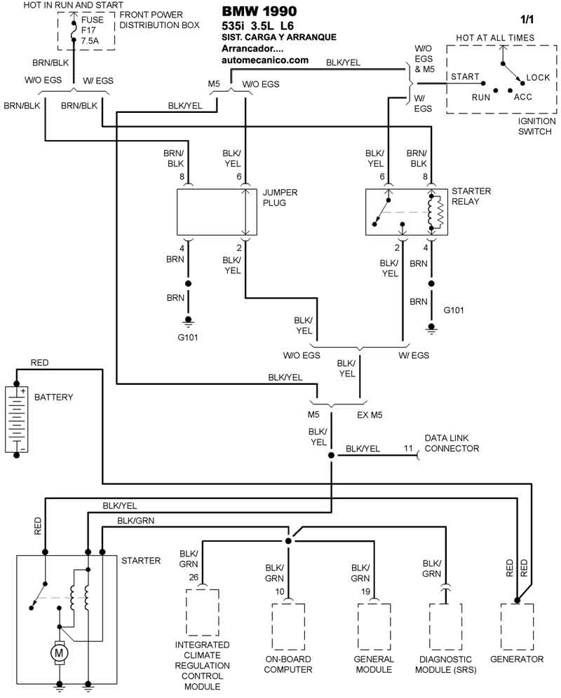
| 1990 | 535i - 3.5L L6 CIL. | SIST. DE CARGA | SIST. DE ARRANQUE T/A |
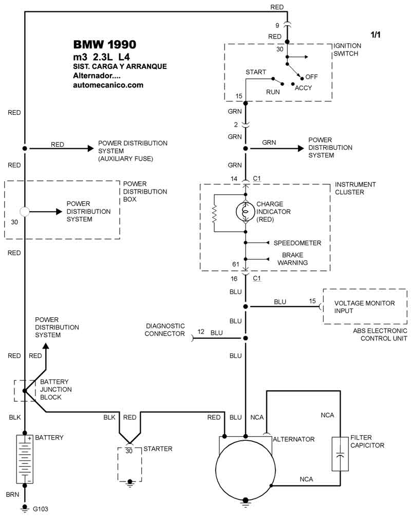
| 1990 | M3 - 2.3L L4 CIL | SIST. DE CARGA | SIST. DE ARRANQUE |
| Volver al listado principal |
