| DIAGRAMAS - SISTEMA DE CARGA Y ARRANQUE - 1990 - Mecanica Automotriz - INDICE |
Diagramas DODGE : Carga y Arranque | Charging and Starting System: - Esquemas - Graphics 1990 - |
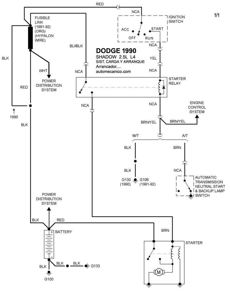
| Los Diagramas, listados abajo, se refieren unicamente al Circuito electrico que involucra: Alternador [Generador] y/o; Arrancador [Motor de arranque, Marcha, Starter] - INDICE: DODGE - 1990 - |
| AŃO | Modelo | Alternador | Arrancador |
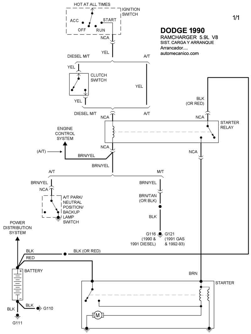
| 1990 | RAMCHARGER - 5.2L V8 CIL. | SIST. DE CARGA | SIST. DE ARRANQUE T/A |
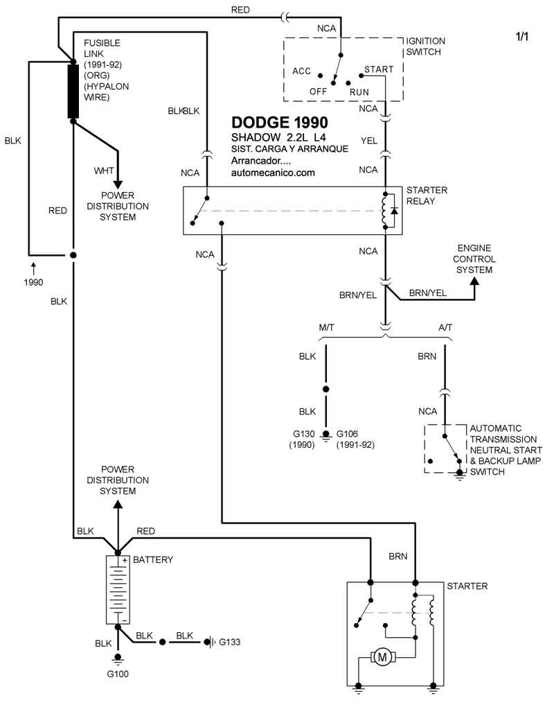
| 1990 | SHADOW - 2.2L L4 CIL. | SIST. DE CARGA | SIST. DE ARRANQUE T/A |
| 1990 | SHADOW - 2.5L L4 CIL | SIST. DE CARGA | SIST. DE ARRANQUE T/A |
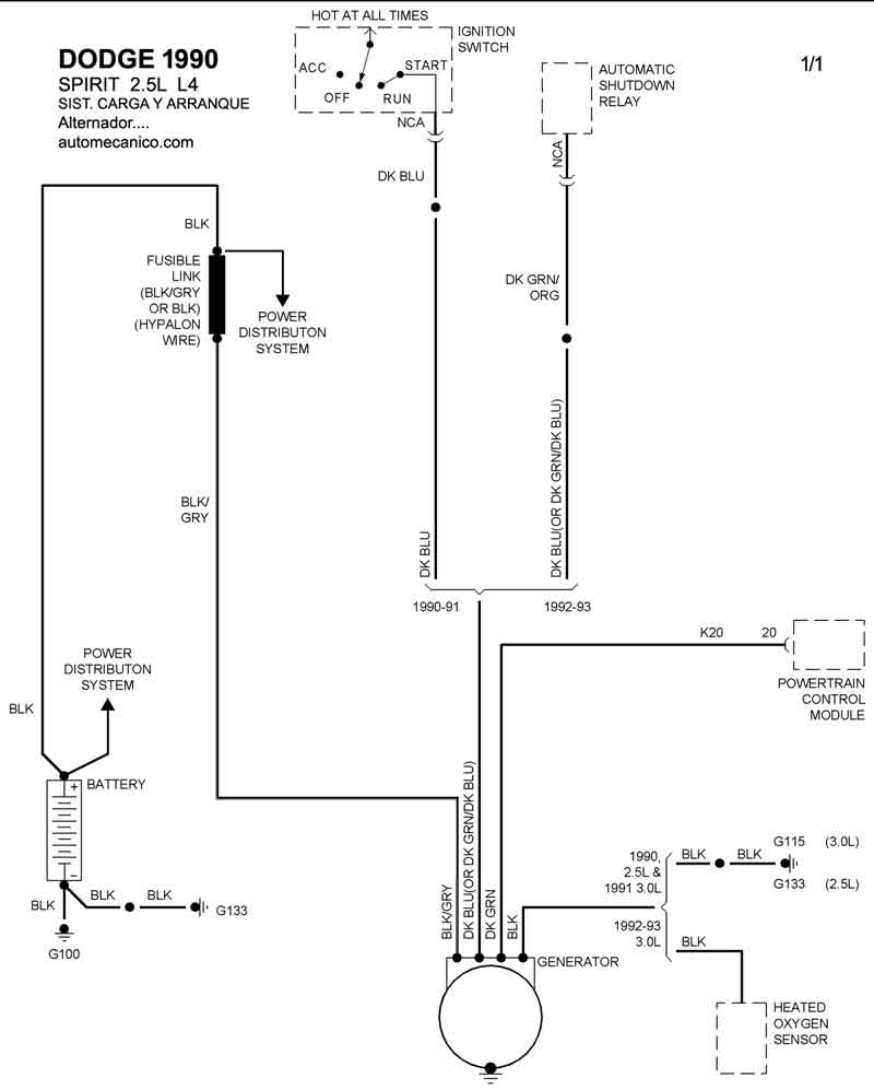
| 1990 | SPIRIT - 2.5L L4 CIL | SIST. DE CARGA | SIST. DE ARRANQUE T/A |
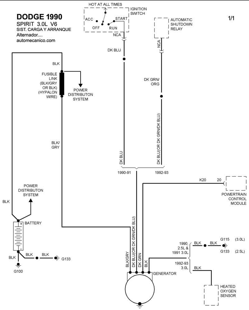
| 1990 | SPIRIT - 3.0L V6 CIL. | SIST. DE CARGA | SIST. DE ARRANQUE T/A |
| Volver al listado principal |
