| DIAGRAMAS - SISTEMA DE CARGA Y ARRANQUE - 1990 - Mecanica Automotriz - INDICE |
Diagramas EAGLE : Carga y Arranque | Charging and Starting System: - Esquemas - Graphics 1990 - |
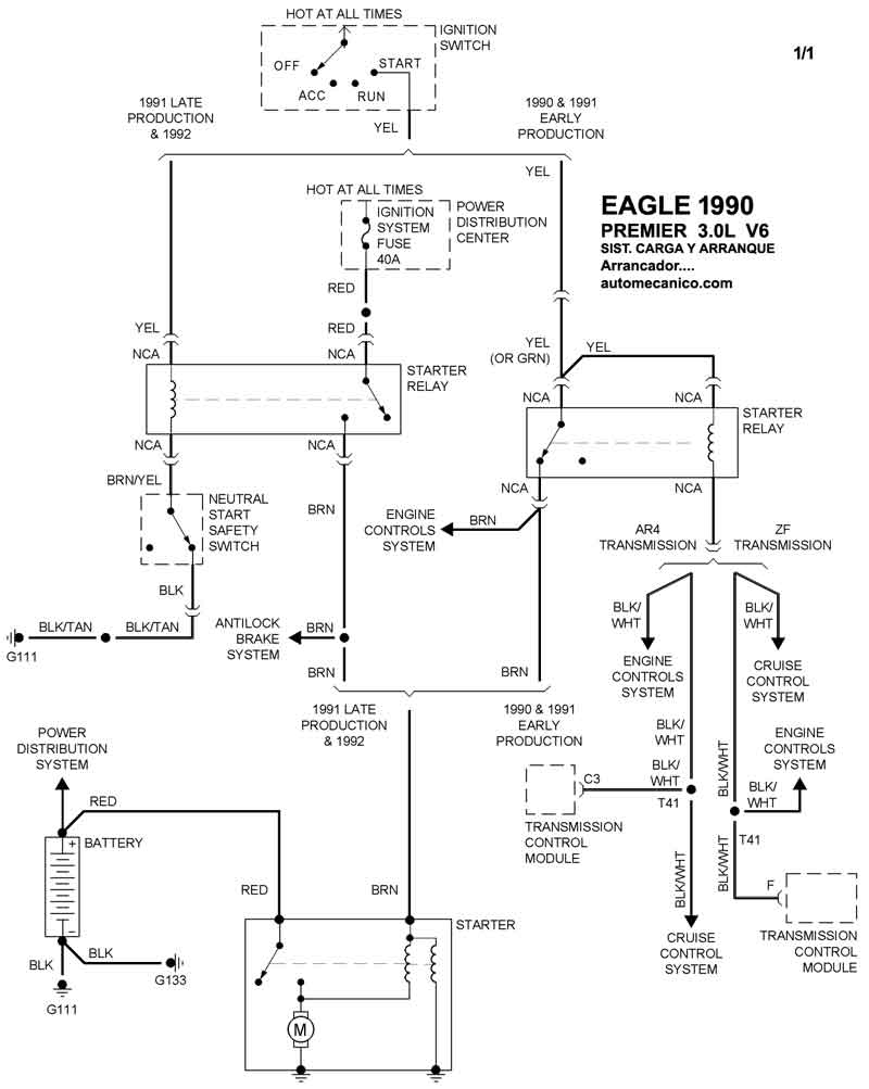
| Los Diagramas, listados abajo, se refieren unicamente al Circuito electrico que involucra: Alternador [Generador] y/o; Arrancador [Motor de arranque, Marcha, Starter] - INDICE: EAGLE - 1990 - |
| AŃO | Modelo | Alternador | Arrancador |
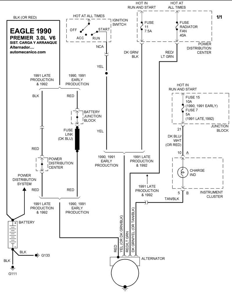
| 1990 | PREMIER - 3.0L V6 CIL. | SIST. DE CARGA | SIST. DE ARRANQUE T/A |
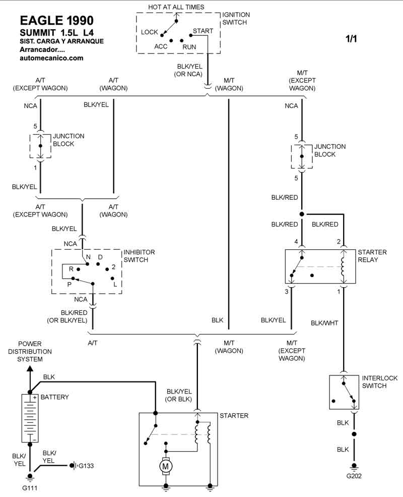
| 1990 | SUMMIT - 1.5L 4 CIL | SIST. DE CARGA | SIST. DE ARRANQUE T/A |
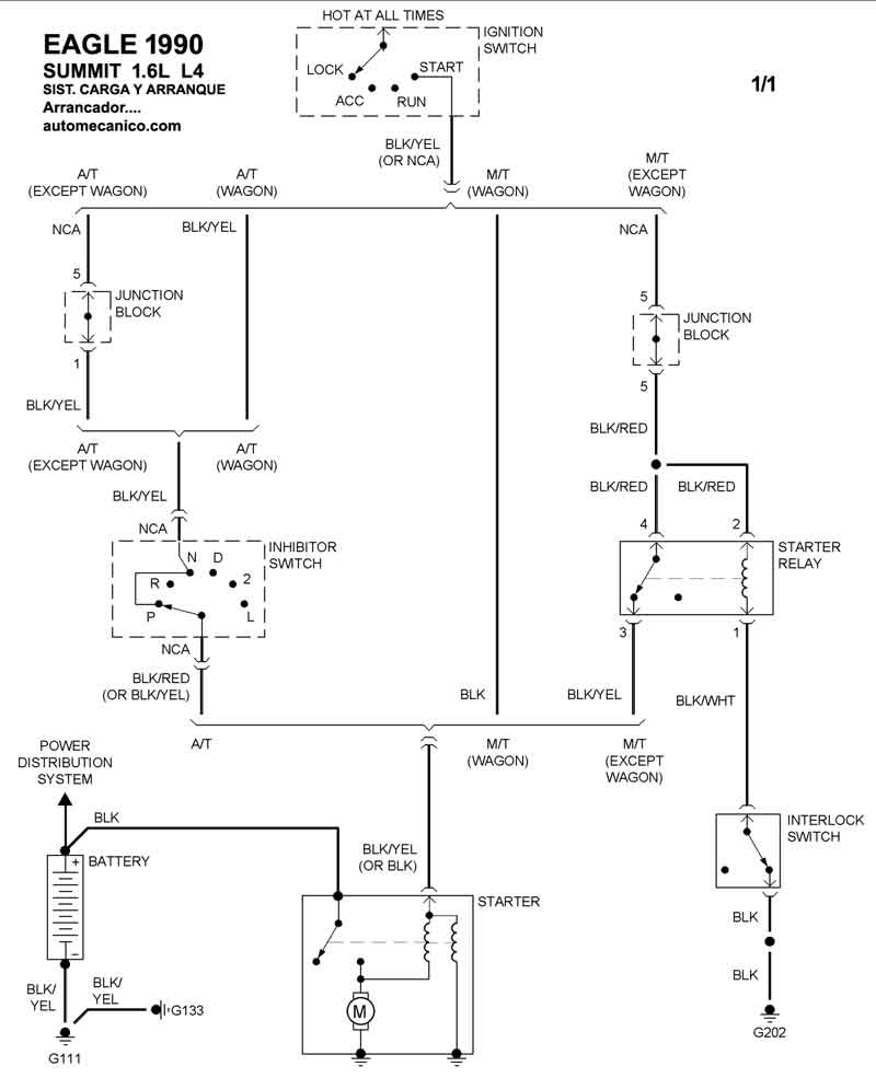
| 1990 | SUMMIT 1.6L 4 CIL. | SIST. DE CARGA | SIST. DE ARRANQUE T/A |
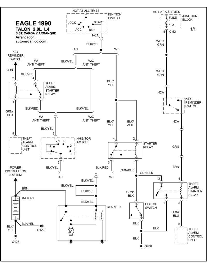
| 1990 | TALON 2.0L 4 CIL. | SIST. DE CARGA | SIST. DE ARRANQUE T/A |
| Volver al listado principal |
