| DIAGRAMAS - SISTEMA DE CARGA Y ARRANQUE - 1990 - Mecanica Automotriz - INDICE |
Diagramas JEEP : Carga y Arranque | Charging and Starting System: - Esquemas - Graphics 1990 - |
| Los Diagramas, listados abajo, se refieren unicamente al Circuito electrico que involucra: Alternador [Generador] y/o; Arrancador [Motor de arranque, Marcha, Starter] - INDICE: JEEP - 1990 - |
| AŃO | Modelo | Alternador | Arrancador |
| 1990 | GRAND WAGONEER - 5.9L V8 CIL | SIST. DE CARGA | SIST. DE ARRANQUE T/A |
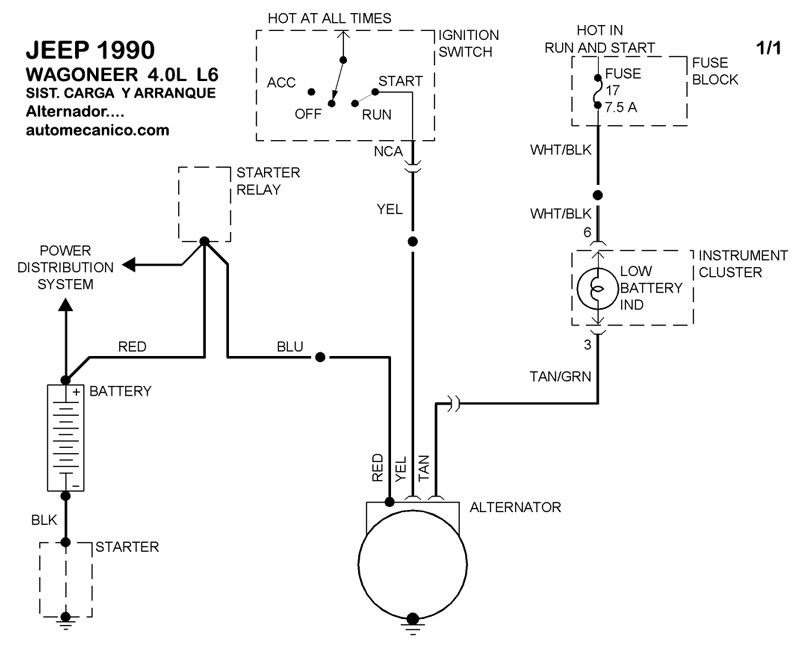
| 1990 | WAGONEER - 4.0L L6 CIL. | SIST. DE CARGA | SIST. DE ARRANQUE T/A |
| 1990 | WRANGLER - 2.5L 4 CIL. | SIST. DE CARGA | SIST. DE ARRANQUE T/A |
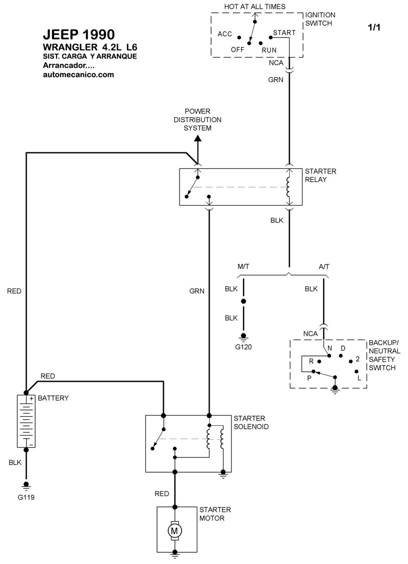
| 1990 | WRANGLER - 4.2L 6 CIL. | SIST. DE CARGA | SIST. DE ARRANQUE T/A |
| Volver al listado principal |
