| DIAGRAMAS - SISTEMA DE CARGA Y ARRANQUE - 1990 - Mecanica Automotriz - INDICE |
Diagramas MAZDA : Carga y Arranque | Charging and Starting System: - Esquemas - Graphics 1990 - |
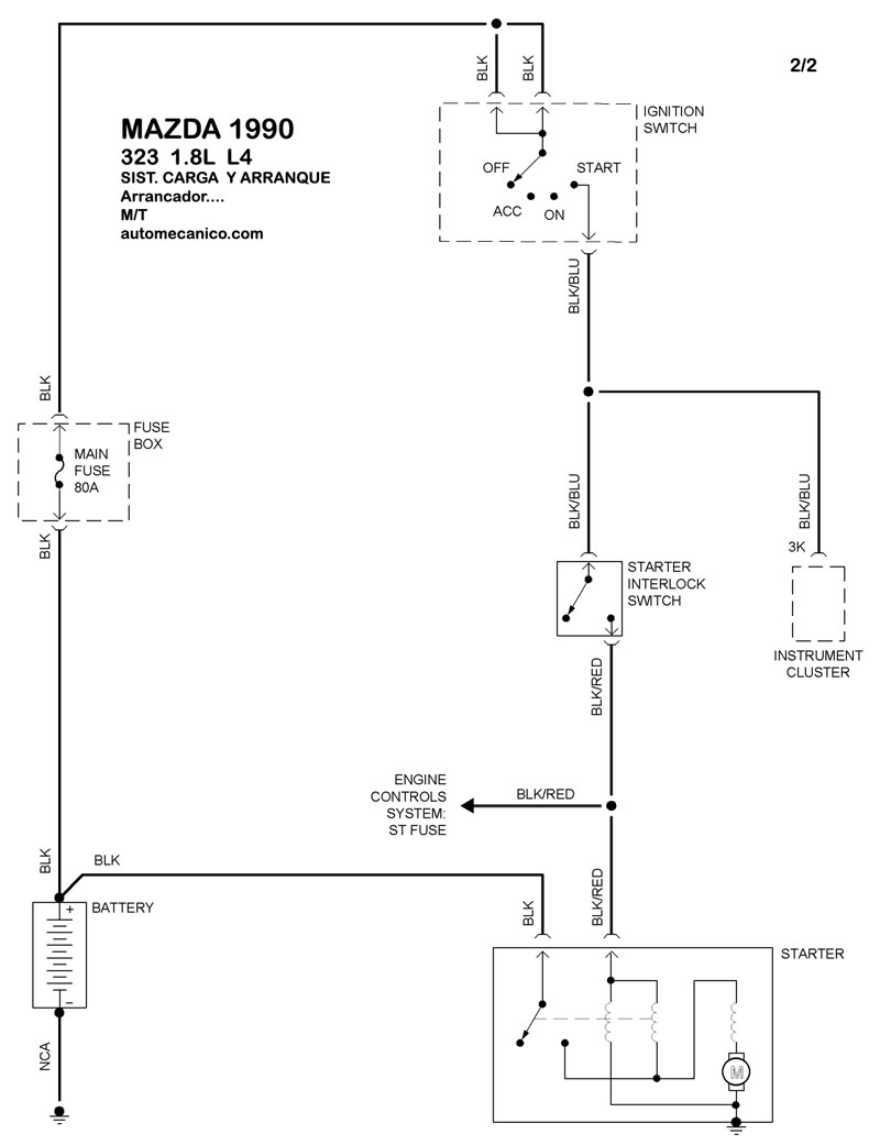
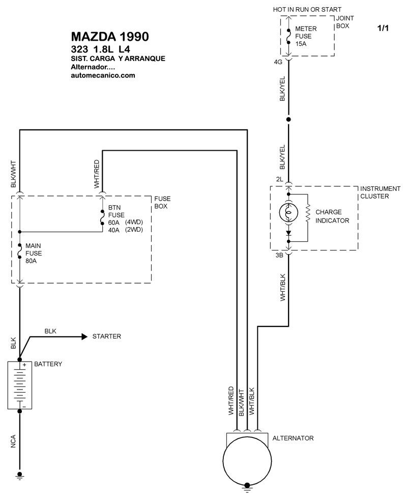
| Los Diagramas, listados abajo, se refieren unicamente al Circuito electrico que involucra: Alternador [Generador] y/o; Arrancador [Motor de arranque, Marcha, Starter] - INDICE: MAZDA - 1990 - |
| AŃO | Modelo | Alternador | Arrancador |
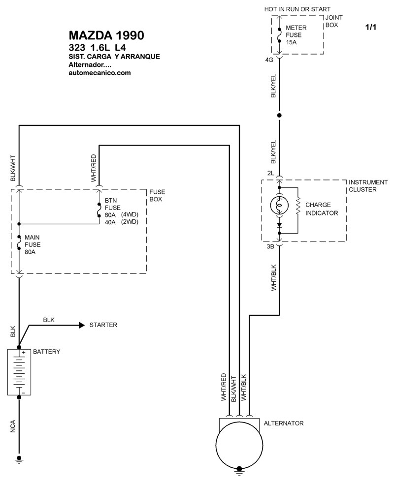
| 1990 | 323 - 1.6L L4 CIL. | SIST. DE CARGA | SIST. DE ARRANQUE T/A |
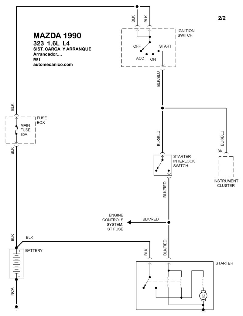
| 1990 | 323 - 1.6L L4 CIL. | 00-00 | SIST. DE ARRANQUE T/M |
| 1990 | 323 - 1.8L L4 CIL. | SIST. DE CARGA | SIST. DE ARRANQUE T/A |
| 1990 | 323 - 1.8L L4 CIL. | 00-00 | SIST. DE ARRANQUE T/M |
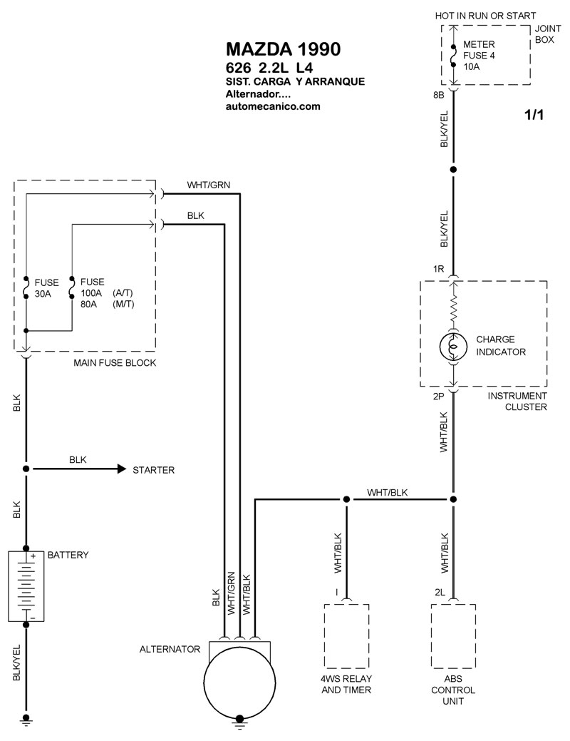
| 1990 | 626 - 2.2L L4 CIL | SIST. DE CARGA | SIST. DE ARRANQUE |
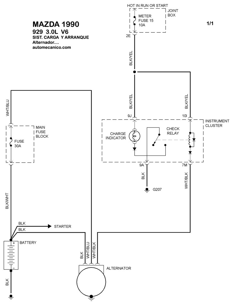
| 1990 | 929 - 3.0L V6 CIL. | SIST. DE CARGA | SIST. DE ARRANQUE |
| Volver al listado principal |
