| DIAGRAMAS - SISTEMA DE CARGA Y ARRANQUE - 1990 - Mecanica Automotriz - INDICE |
Diagramas MERCEDES BENZ : Carga y Arranque | Charging and Starting System: - Esquemas - Graphics 1990 - |
| Los Diagramas, listados abajo, se refieren unicamente al Circuito electrico que involucra: Alternador [Generador] y/o; Arrancador [Motor de arranque, Marcha, Starter] - INDICE: MERCEDES BENZ - 1990 - |
| AŃO | Modelo | Alternador | Arrancador |
| 1990 | 300CE - 3.0L L6 CIL. | SIST. DE CARGA | SIST. DE ARRANQUE |
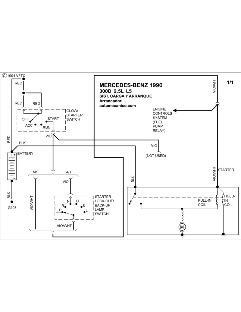
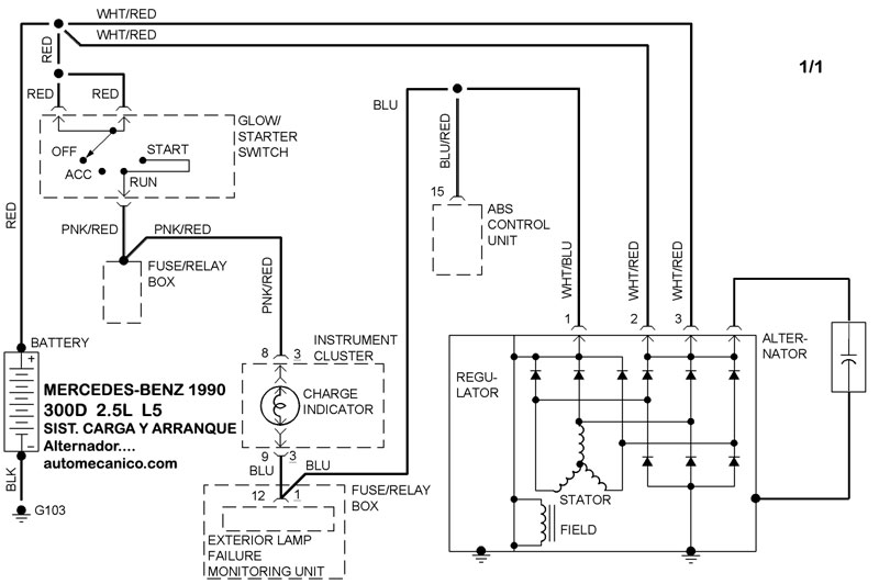
| 1990 | 300D - 2.5L L5 CIL. | SIST. DE CARGA | SIST. DE ARRANQUE |
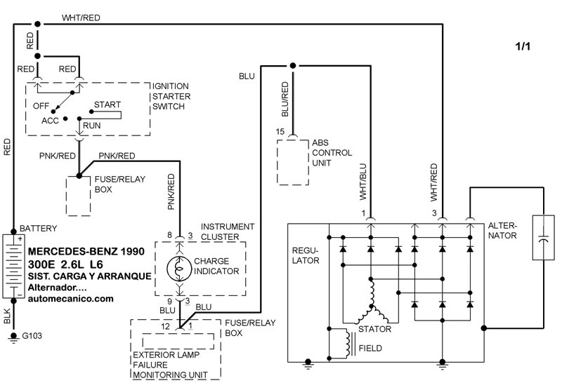
| 1990 | 300E - 2.6L 6 CIL. | SIST. DE CARGA | SIST. DE ARRANQUE |
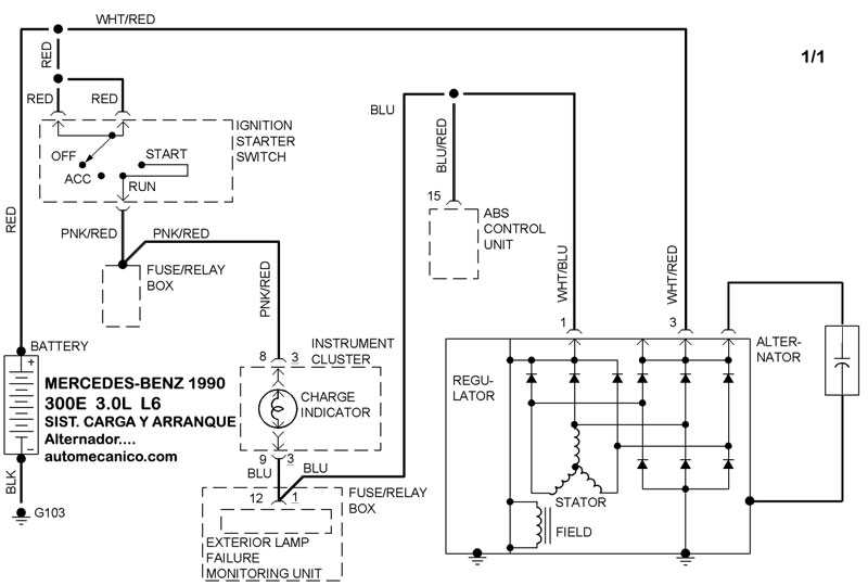
| 1990 | 300E - 3.0L L6 CIL. | SIST. DE CARGA | SIST. DE ARRANQUE |
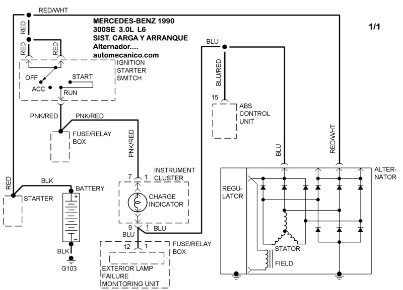
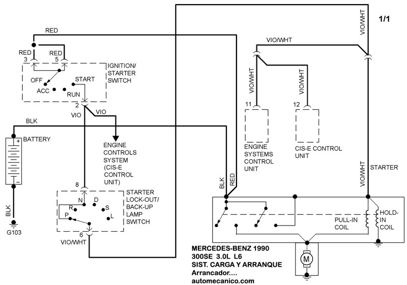
| 1990 | 300SE - 3.0L L6 CIL. | SIST. DE CARGA | SIST. DE ARRANQUE |
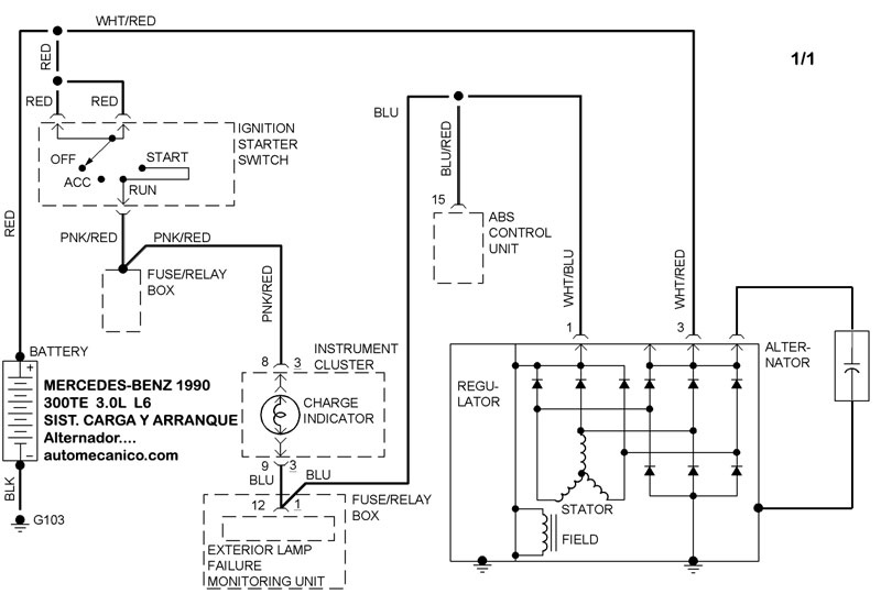
| 1990 | 300TE - 3.0L L6 CIL | SIST. DE CARGA | SIST. DE ARRANQUE |
| Volver al listado principal |
