| DIAGRAMAS - SISTEMA DE CARGA Y ARRANQUE - 1990 - Mecanica Automotriz - INDICE |
Diagramas MITSUBISHI : Carga y Arranque | Charging and Starting System: - Esquemas - Graphics 1990 - |
| Los Diagramas, listados abajo, se refieren unicamente al Circuito electrico que involucra: Alternador [Generador] y/o; Arrancador [Motor de arranque, Marcha, Starter] - INDICE: MITSUBISHI - 1990 - |
| AŃO | Modelo | Alternador | Arrancador |
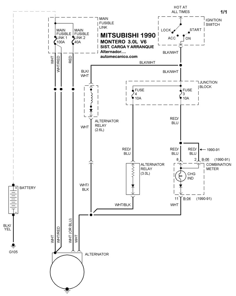
| 1990 | MONTERO - 3.0L V6 CIL. | SIST. DE CARGA | SIST. DE ARRANQUE |
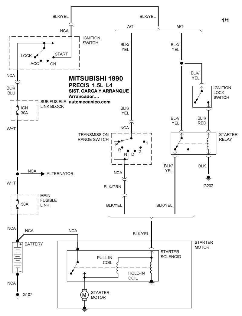
| 1990 | PRECIS - 1.5L L4 CIL. | SIST. DE CARGA | SIST. DE ARRANQUE |
| 1990 | SIGMA - 3.0L V6 CIL. | SIST. DE CARGA | SIST. DE ARRANQUE |
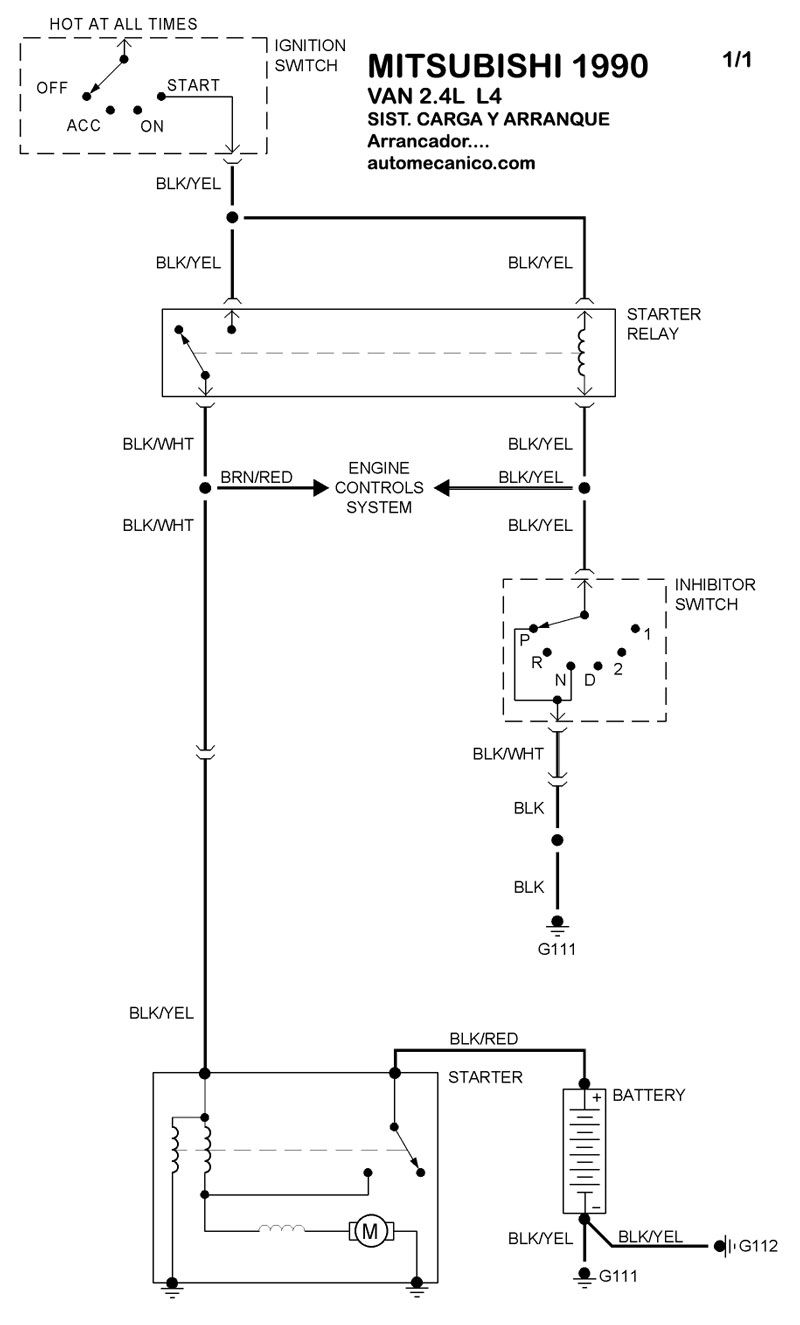
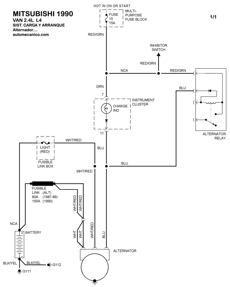
| 1990 | VAN - 2.4L L4 CIL. | SIST. DE CARGA | SIST. DE ARRANQUE |
| Volver al listado principal |
