| DIAGRAMAS - SISTEMA DE CARGA Y ARRANQUE - 1990 - Mecanica Automotriz - INDICE |
Diagramas OLDSMOBILE : Carga y Arranque | Charging and Starting System: - Esquemas - Graphics 1990 - |
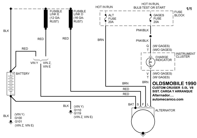
| Los Diagramas, listados abajo, se refieren unicamente al Circuito electrico que involucra: Alternador [Generador] y/o; Arrancador [Motor de arranque, Marcha, Starter] - INDICE: OLDSMOBILE - 1990 - |
| AŃO | Modelo | Alternador | Arrancador |
| 1990 | 98 - 3.8L V6 CIL. | SIST. DE CARGA | SIST. DE ARRANQUE |
| 1990 | CUSTOM CRUISSER - 5.0L V8 CIL | SIST. DE CARGA | SIST. DE ARRANQUE |
| 1990 | CUTLASS CALAIS - 2.3L L4 CIL | SIST. DE CARGA | SIST. DE ARRANQUE |
| 1990 | CUTLASS CALAIS - 2.5L L4 CIL | SIST. DE CARGA | SIST. DE ARRANQUE |
| 1990 | CUTLASS CALAIS - 3.3L V6 CIL | SIST. DE CARGA | SIST. DE ARRANQUE |
| Volver al listado principal |
