| DIAGRAMAS - SISTEMA DE CARGA Y ARRANQUE - 1990 - Mecanica Automotriz - INDICE |
Diagramas PONTIAC : Carga y Arranque | Charging and Starting System: - Esquemas - Graphics 1990 - |
| Los Diagramas, listados abajo, se refieren unicamente al Circuito electrico que involucra: Alternador [Generador] y/o; Arrancador [Motor de arranque, Marcha, Starter] - INDICE: PONTIAC - 1990 - |
| AŃO | Modelo | Alternador | Arrancador |
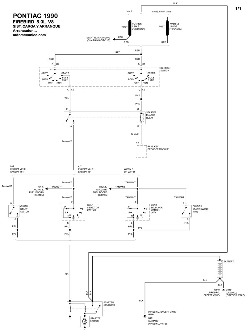
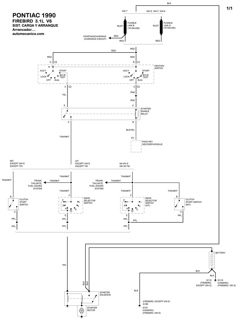
| 1990 | FIREBIRD - 3.1L V6 CIL. | SIST. DE CARGA | SIST. DE ARRANQUE |
| 1990 | FIREBIRD - 5.0L V8 CIL. | SIST. DE CARGA | SIST. DE ARRANQUE |
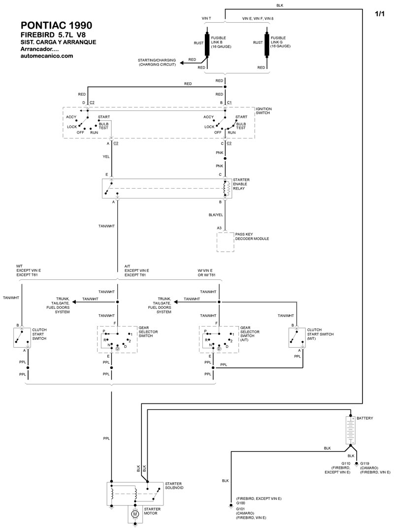
| 1990 | FIREBIRD - 5.7L V8 CIL. | SIST. DE CARGA | SIST. DE ARRANQUE |
| 1990 | GRAND AM - 2.3L 4 CIL. | SIST. DE CARGA | SIST. DE ARRANQUE |
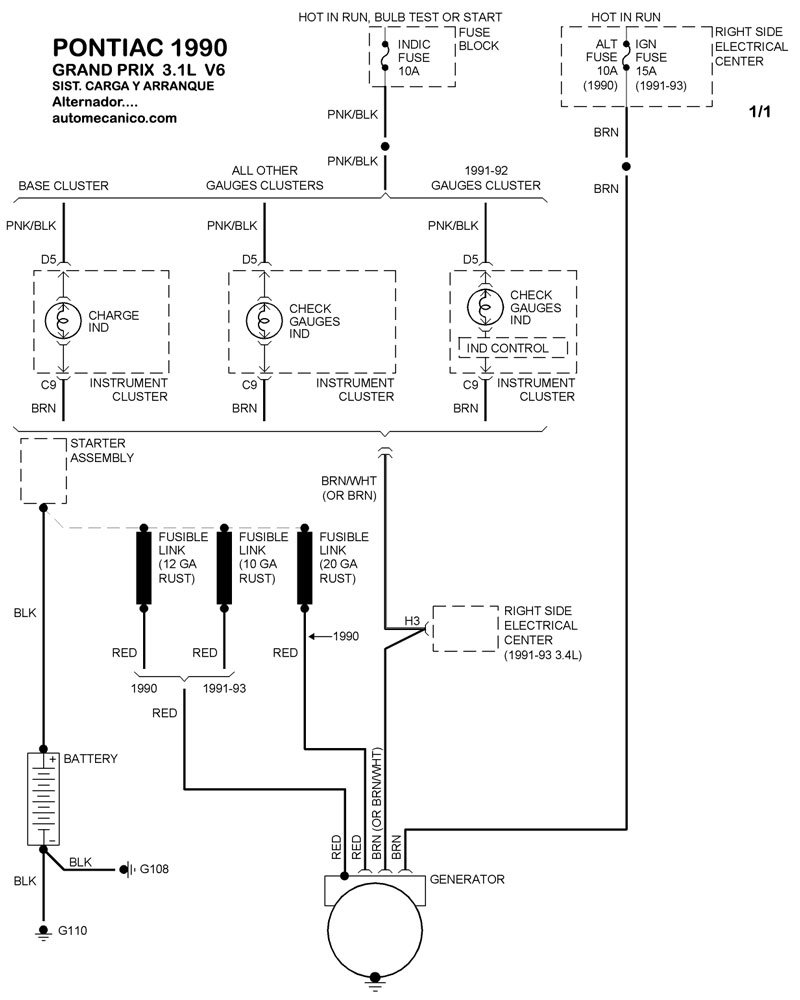
| 1990 | GRAND PRIX - 3.1L V6 CIL | SIST. DE CARGA | SIST. DE ARRANQUE |
| Volver al listado principal |
