| DIAGRAMAS - SISTEMA DE CARGA Y ARRANQUE - 1990 - Mecanica Automotriz - INDICE |
Diagramas PORSCHE : Carga y Arranque | Charging and Starting System: - Esquemas - Graphics 1990 - |
| Los Diagramas, listados abajo, se refieren unicamente al Circuito electrico que involucra: Alternador [Generador] y/o; Arrancador [Motor de arranque, Marcha, Starter] - INDICE: PORSCHE - 1990 - |
| AŃO | Modelo | Alternador | Arrancador |
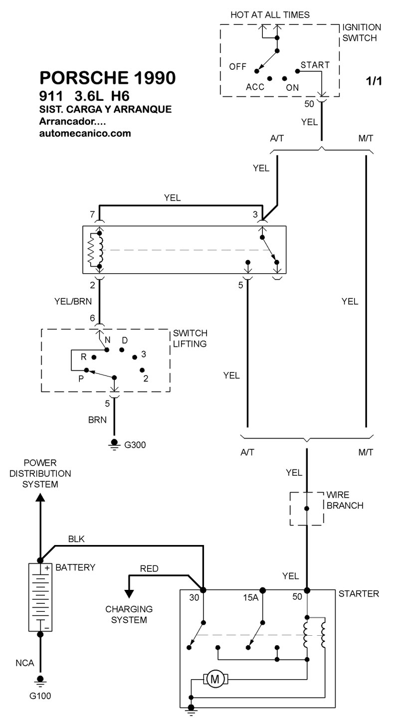
| 1990 | 911 - 3.6L H6 CIL | SIST. DE CARGA | SIST. DE ARRANQUE |
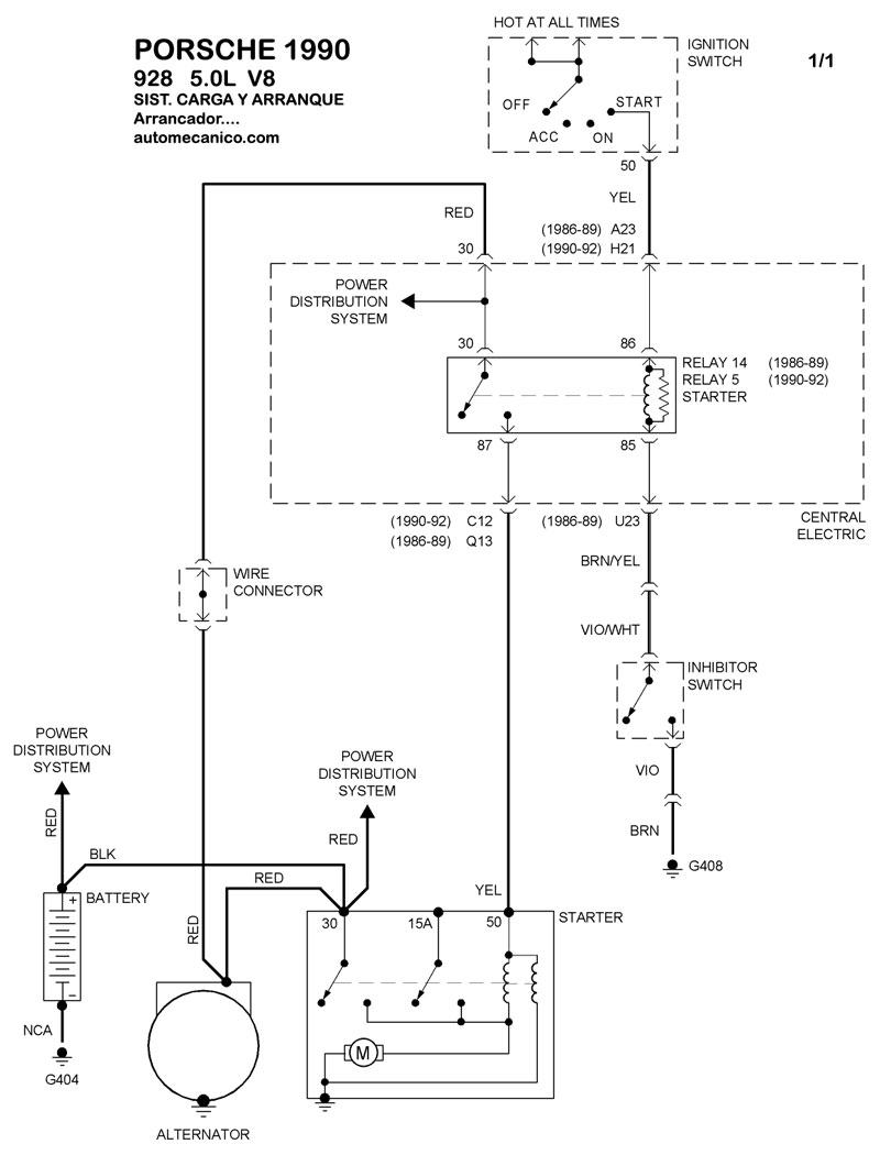
| 1990 | 928 - 5.0L V8 CIL. | SIST. DE CARGA | SIST. DE ARRANQUE |
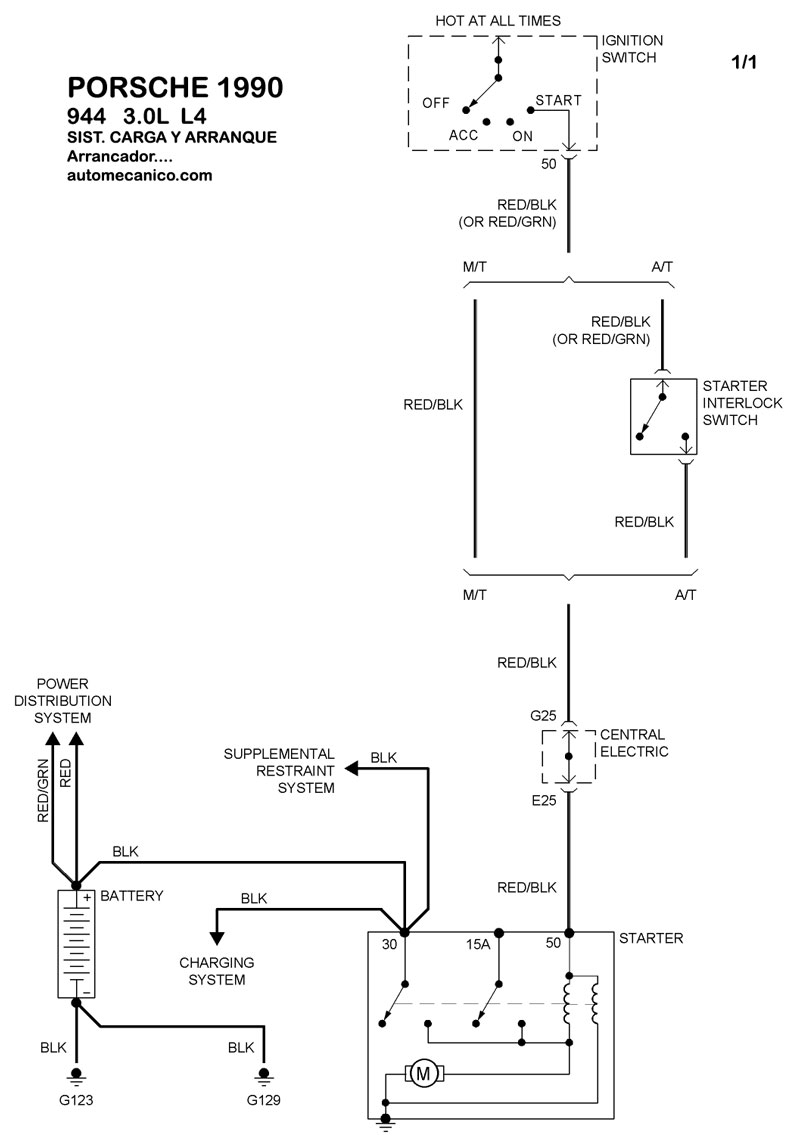
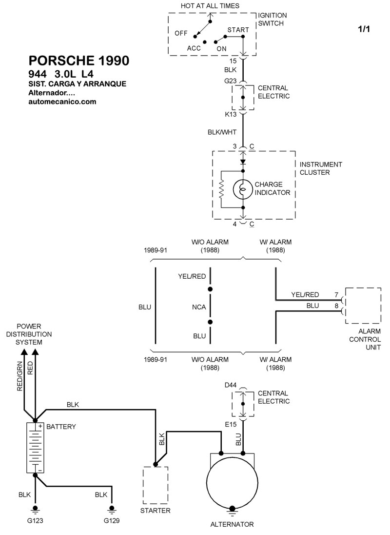
| 1990 | 944 - 3.0L L4 CIL | SIST. DE CARGA | SIST. DE ARRANQUE |
| Volver al listado principal |
