| DIAGRAMAS - SISTEMA DE CARGA Y ARRANQUE - 1990 - Mecanica Automotriz - INDICE |
Diagramas SUBARU : Carga y Arranque | Charging and Starting System: - Esquemas - Graphics 1990 - |
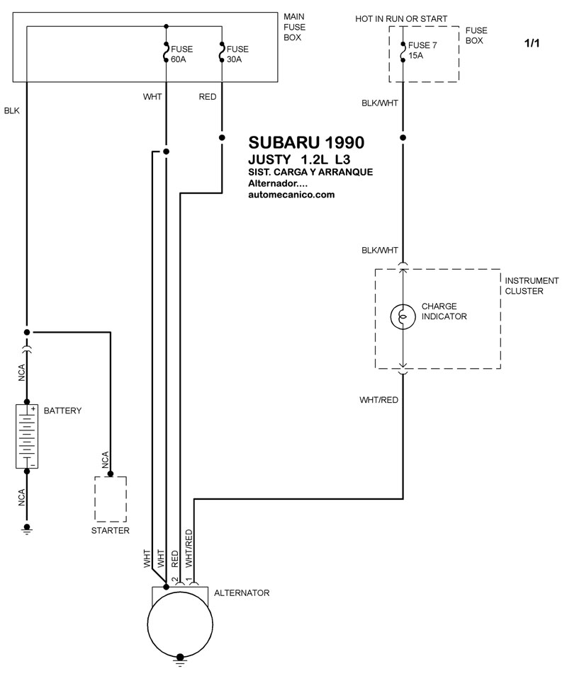
| Los Diagramas, listados abajo, se refieren unicamente al Circuito electrico que involucra: Alternador [Generador] y/o; Arrancador [Motor de arranque, Marcha, Starter] - INDICE: SUBARU - 1990 - |
| AŃO | Modelo | Alternador | Arrancador |
| 1990 | JUSTY - 1.2L L3 CIL. | SIST. DE CARGA | SIST. DE ARRANQUE |
| 1990 | LEGACY - 2.2L H4 CIL. | SIST. DE CARGA | SIST. DE ARRANQUE |
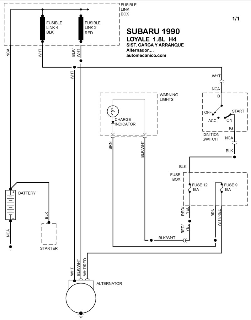
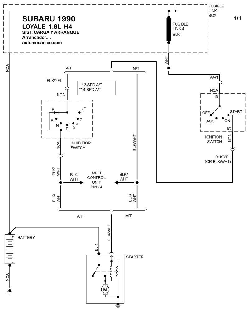
| 1990 | LOYALE - 1.8L H4 CIL. | SIST. DE CARGA | SIST. DE ARRANQUE |
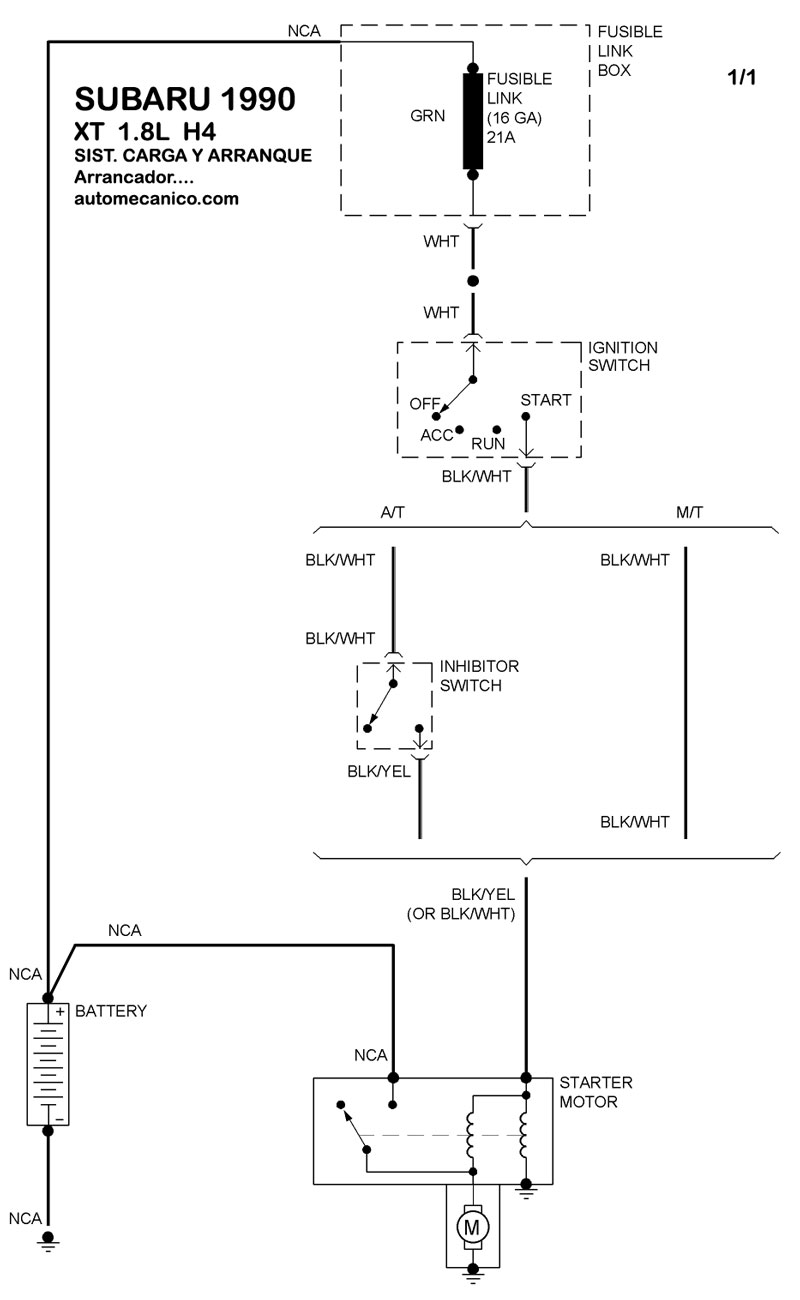
| 1990 | XT - 1.8L H4 CIL. | SIST. DE CARGA | SIST. DE ARRANQUE |
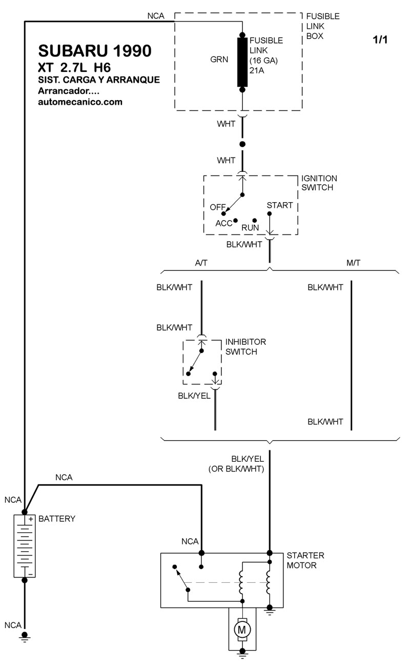
| 1990 | XT - 2.7L H6 CIL | SIST. DE CARGA | SIST. DE ARRANQUE |
| Volver al listado principal |
