| DIAGRAMAS - SISTEMA DE CARGA Y ARRANQUE - 1990 - Mecanica Automotriz - INDICE |
Diagramas TOYOTA : Carga y Arranque | Charging and Starting System: - Esquemas - Graphics 1990 - |
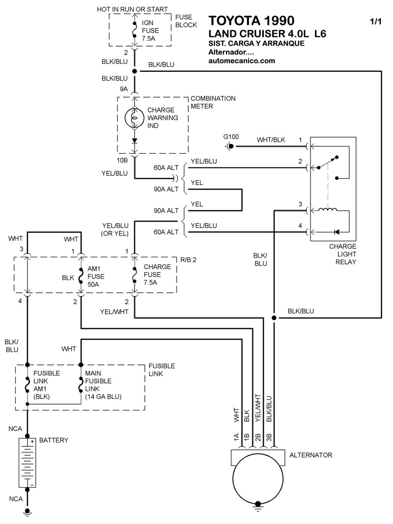
| Los Diagramas, listados abajo, se refieren unicamente al Circuito electrico que involucra: Alternador [Generador] y/o; Arrancador [Motor de arranque, Marcha, Starter] - INDICE: TOYOTA - 1990 - |
| AŃO | Modelo | Alternador | Arrancador |
| 1990 | COROLLA - 1.6L 4 Cil. | SIST. DE CARGA | SIST. DE ARRANQUE T/A |
| 1990 | CRESSIDA - 3.0L L6 Cil. | SIST. DE CARGA | SIST. DE ARRANQUE T/A |
| 1990 | LAND CRUISER - 4.0L L6 Cil. | SIST. DE CARGA | SIST. DE ARRANQUE T/A |
| 1990 | PICKUP - 2.4L L4 Cil. | SIST. DE CARGA | SIST. DE ARRANQUE T/A |
| 1990 | PICKUP -3.0L V6 Cil. | SIST. DE CARGA | SIST. DE ARRANQUE T/A |
| Volver al listado principal |
