| DIAGRAMAS - SISTEMA DE CARGA Y ARRANQUE - 1998 - Mecanica Automotriz - INDICE |
Diagramas ACURA : Carga y Arranque | Charging and Starting System: - Esquemas - Graphics 1998 - |
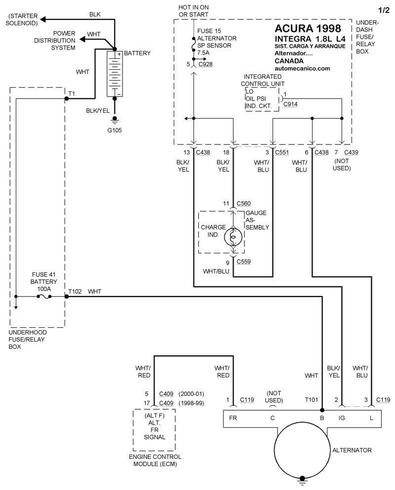
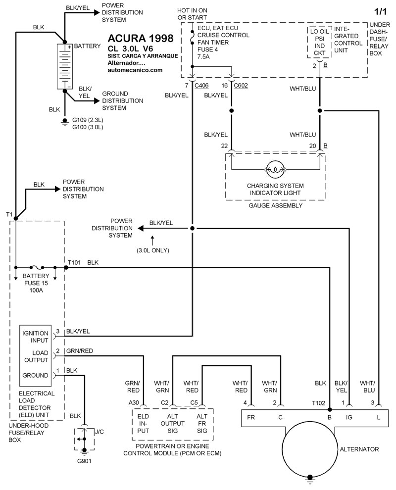
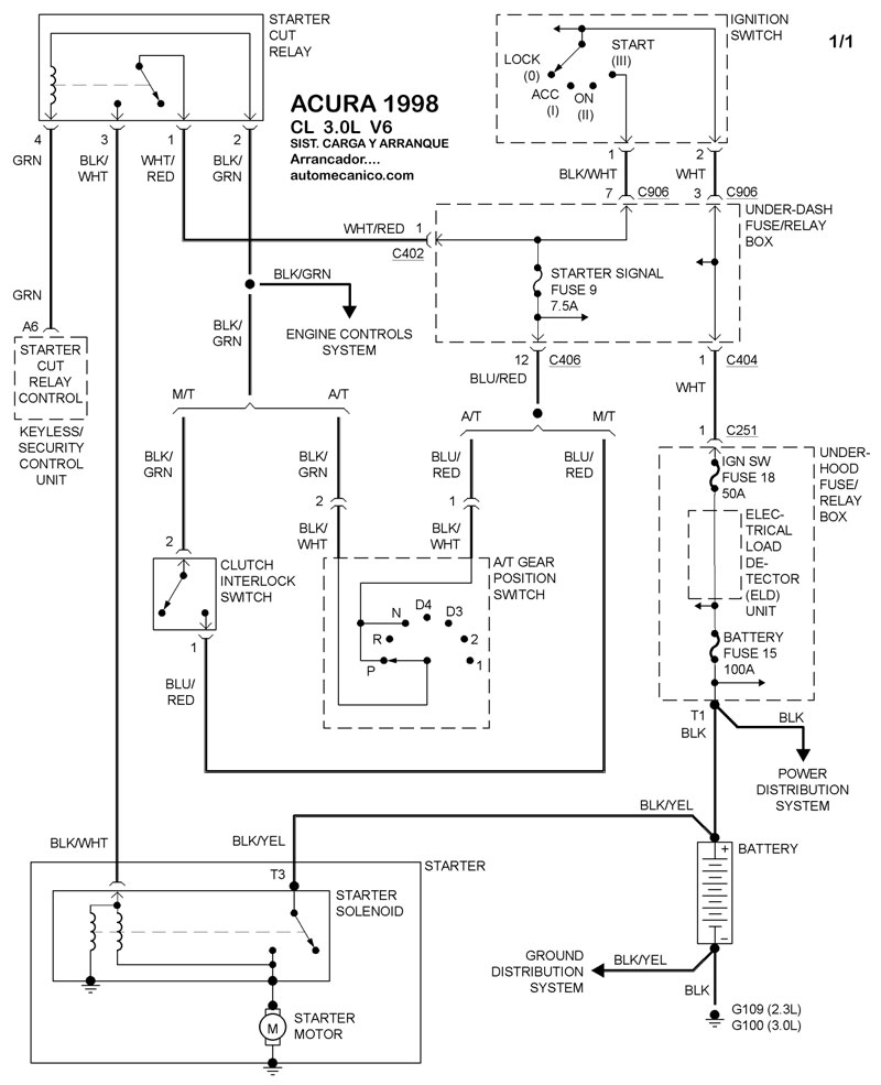
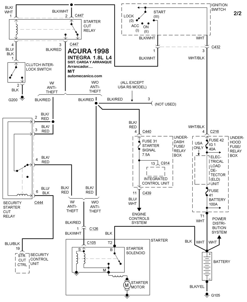
| Los Diagramas, listados abajo, se refieren unicamente al Circuito electrico que involucra: Alternador [Generador] y/o; Arrancador [Motor de arranque, Marcha, Starter] - INDICE: ACURA - 1998 - |
| AŃO | Modelo | Alternador | Arrancador |
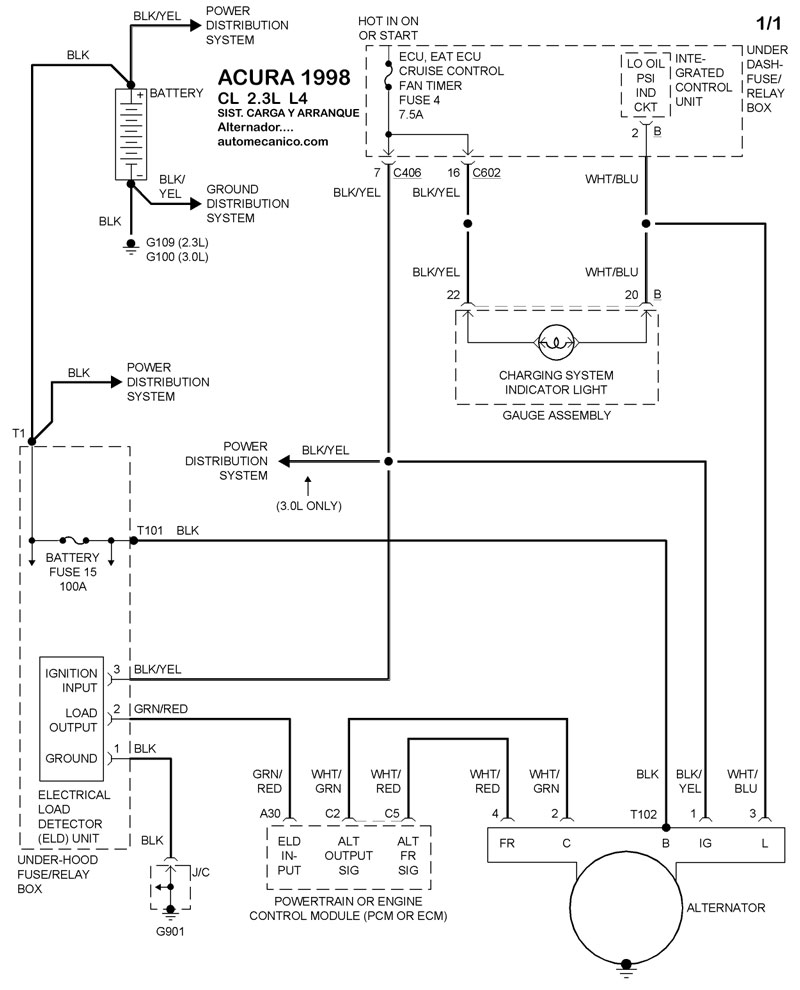
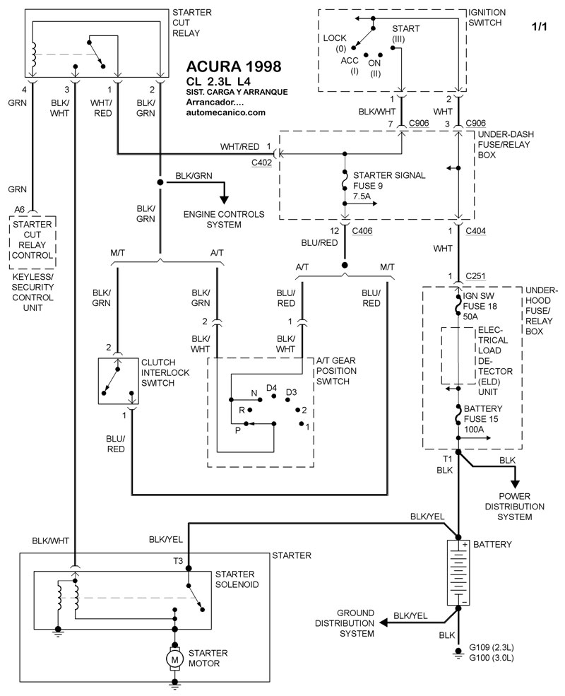
| 1998 | CL - 2.3L L4 CIL. | SIST. DE CARGA | SIST. DE ARRANQUE |
| 1998 | CL - 3.0L V6 CIL. | SIST. DE CARGA | SIST. DE ARRANQUE |
| 1998 | INTEGRA 1.8L L4 - Canada | SIST. DE CARGA | SIST. DE ARRANQUE T/A |
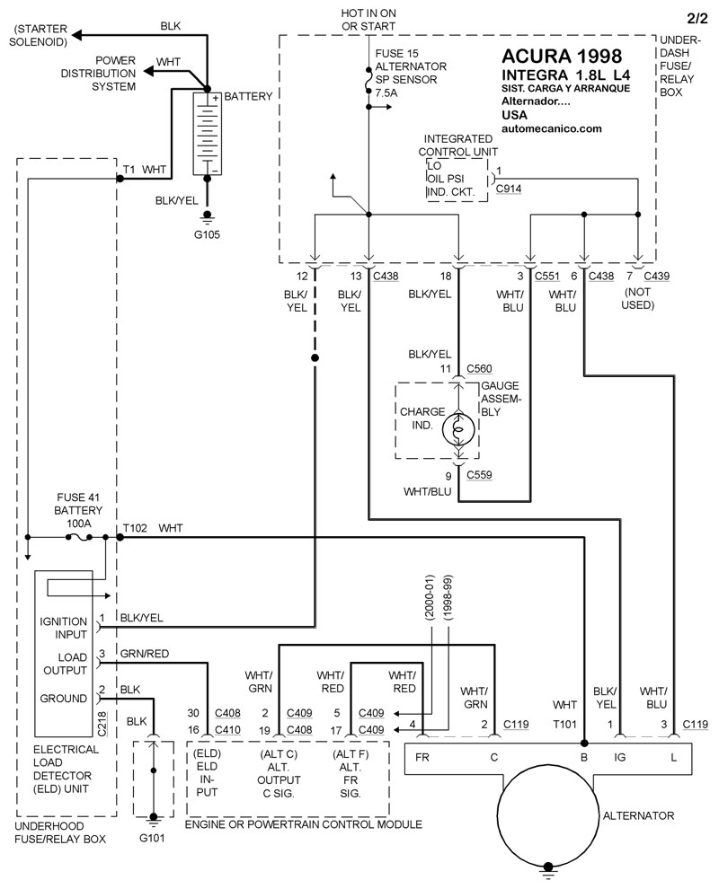
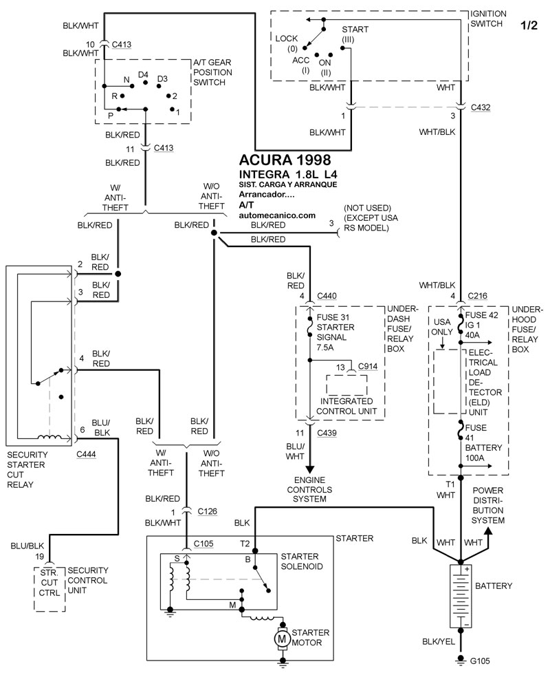
| 1998 | INTEGRA 1.8L L4 - USA | SIST. DE CARGA | SIST. DE ARRANQUE T/A |
| 1998 | INTEGRA 1.8L 4 CIL. | 00-00 | SIST. DE ARRANQUE T/M |
| Volver al listado principal |
