| DIAGRAMAS - SISTEMA DE CARGA Y ARRANQUE - 1998 - Mecanica Automotriz - INDICE |
Diagramas BMW : Carga y Arranque | Charging and Starting System: - Esquemas - Graphics 1998 - |
| Los Diagramas, listados abajo, se refieren unicamente al Circuito electrico que involucra: Alternador [Generador] y/o; Arrancador [Motor de arranque, Marcha, Starter] - INDICE: BMW - 1998 - |
| AŃO | Modelo | Alternador | Arrancador |
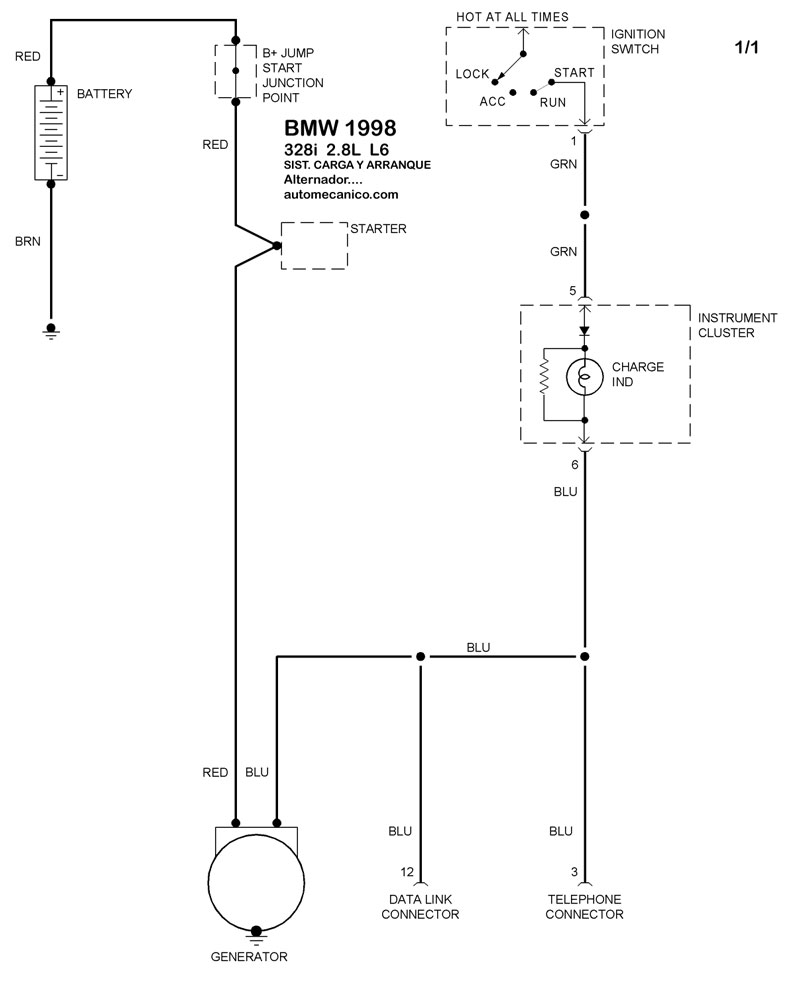
| 1998 | 328i - 2.8L L6 CIL. | SIST. DE CARGA | SIST. DE ARRANQUE |
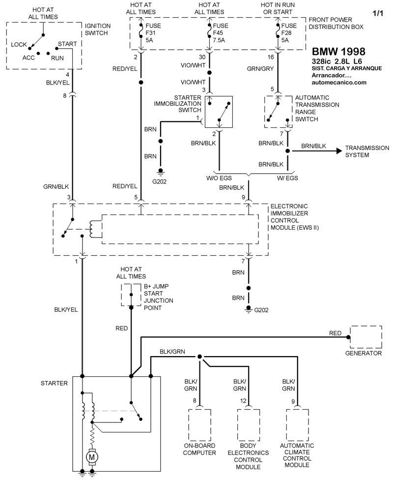
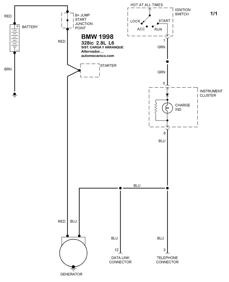
| 1998 | 328ic - 2.8L L6 CIL. | SIST. DE CARGA | SIST. DE ARRANQUE |
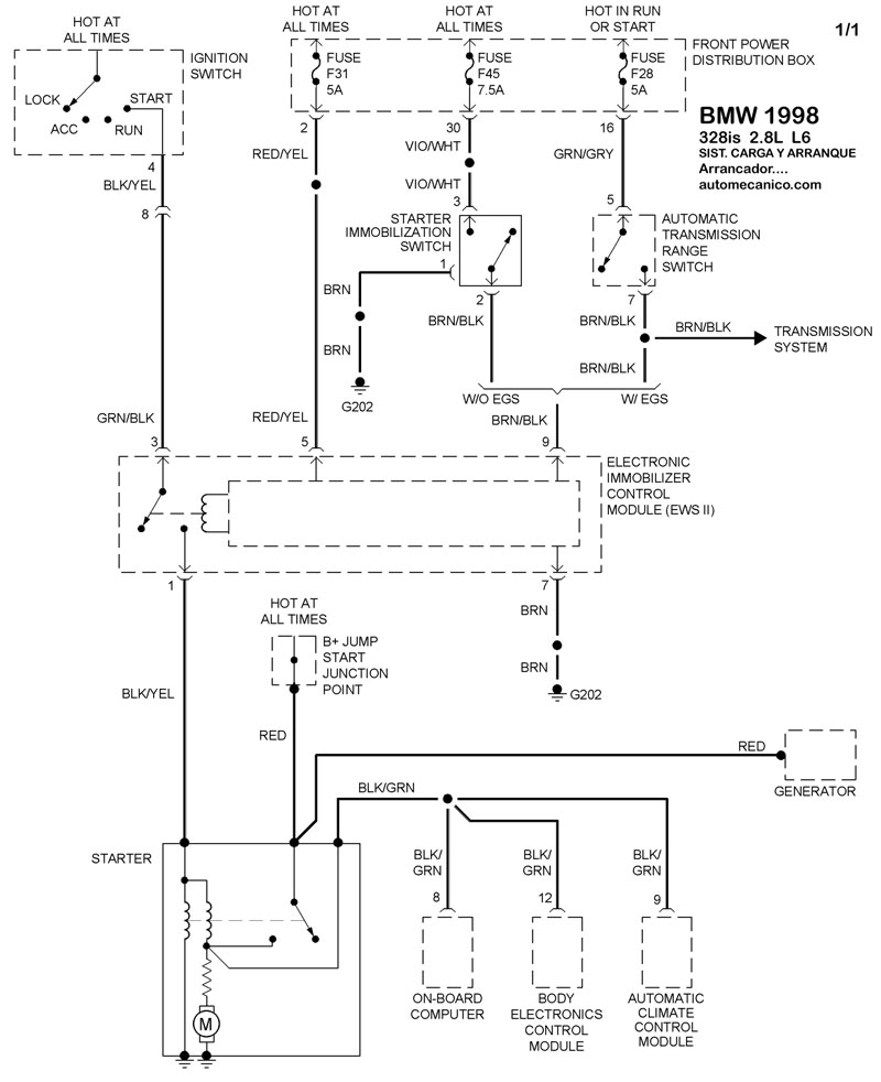
| 1998 | 328is - 2.8L L6 CIL. | SIST. DE CARGA | SIST. DE ARRANQUE |
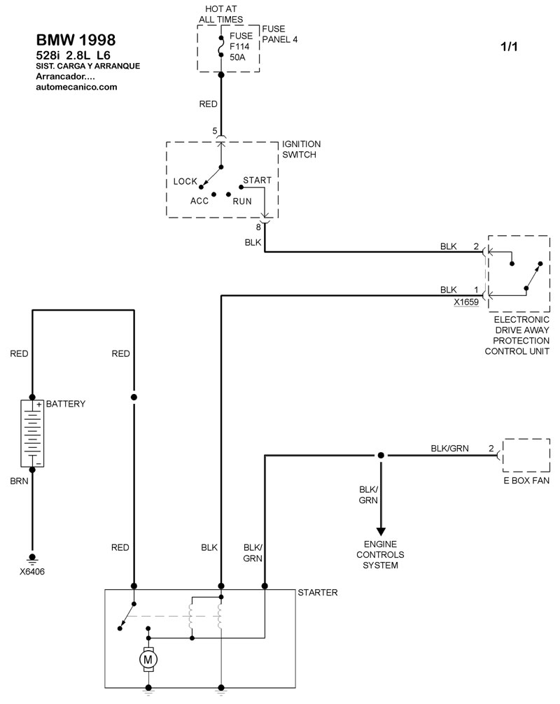
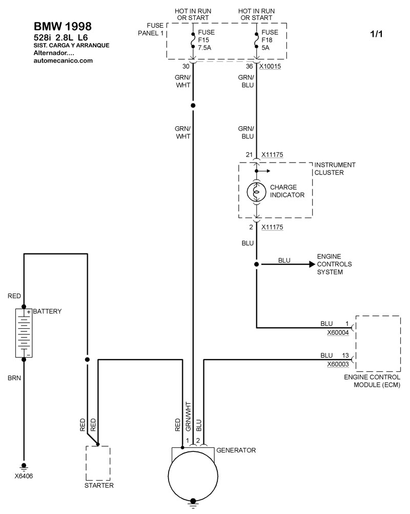
| 1998 | 528i - 2.8L L6 CIL | SIST. DE CARGA | SIST. DE ARRANQUE |
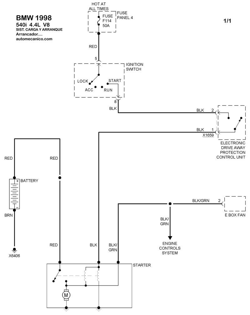
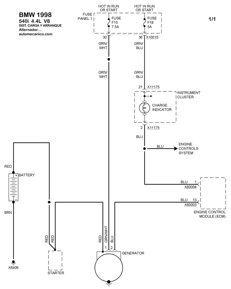
| 1998 | 540i - 4.4L V8 CIL. | SIST. DE CARGA | SIST. DE ARRANQUE |
| Volver al listado principal |
