| DIAGRAMAS - SISTEMA DE CARGA Y ARRANQUE - 1998 - Mecanica Automotriz - INDICE |
Diagramas BMW : Carga y Arranque | Charging and Starting System: - Esquemas - Graphics 1998 - |
| Los Diagramas, listados abajo, se refieren unicamente al Circuito electrico que involucra: Alternador [Generador] y/o; Arrancador [Motor de arranque, Marcha, Starter] - INDICE: BMW - 1998 - |
| AŃO | Modelo | Alternador | Arrancador |
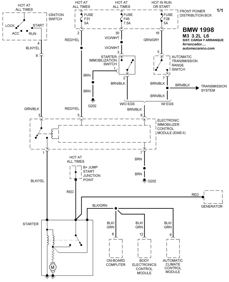
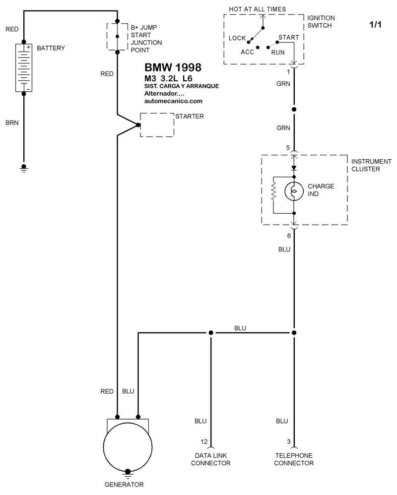
| 1998 | M3 - 3.2L L6 CIL. | SIST. DE CARGA | SIST. DE ARRANQUE |
| 1998 | Z3 - 1.9L 4 CIL | SIST. DE CARGA | SIST. DE ARRANQUE |
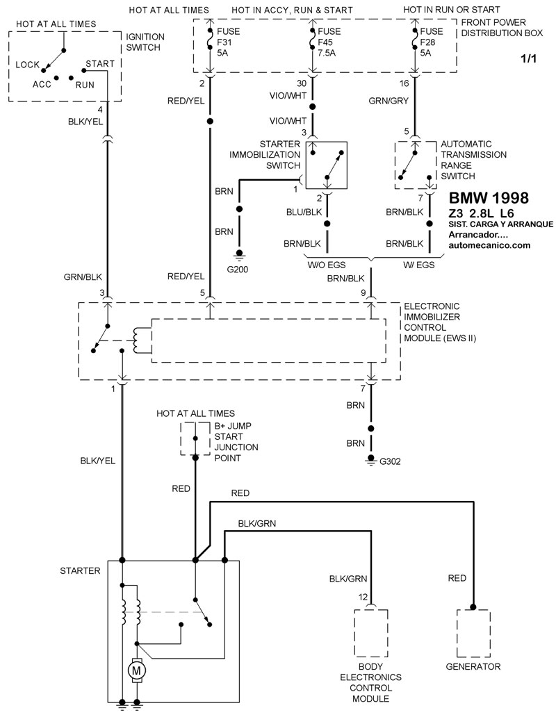
| 1998 | Z3 - 2.8L L6 CIL | SIST. DE CARGA | SIST. DE ARRANQUE |
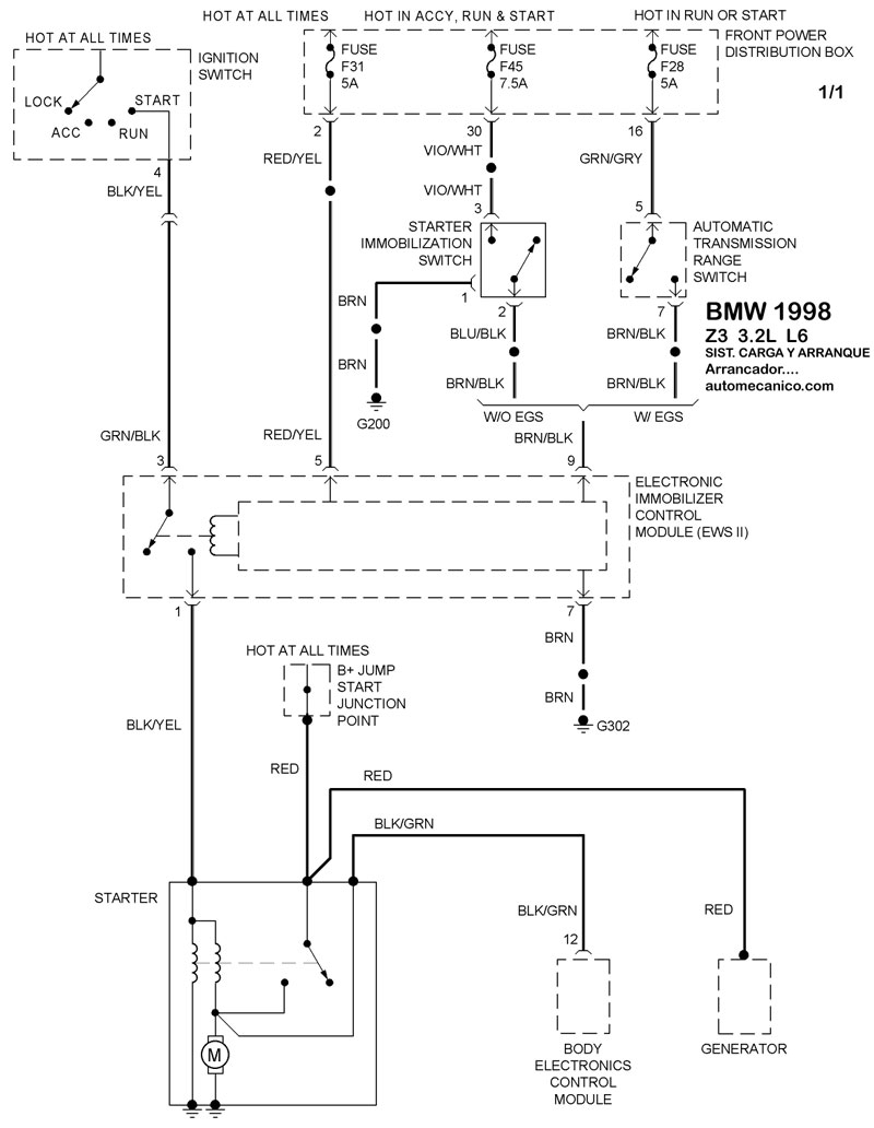
| 1998 | Z3 - 3.2L L6 CIL | SIST. DE CARGA | SIST. DE ARRANQUE |
| Volver al listado principal |
