| DIAGRAMAS - SISTEMA DE CARGA Y ARRANQUE - 1998 - Mecanica Automotriz - INDICE |
Diagramas BUICK : Carga y Arranque | Charging and Starting System: - Esquemas - Graphics 1998 - |
| Los Diagramas, listados abajo, se refieren unicamente al Circuito electrico que involucra: Alternador [Generador] y/o; Arrancador [Motor de arranque, Marcha, Starter] - INDICE: BUICK - 1998 - |
| AŃO | Modelo | Alternador | Arrancador |
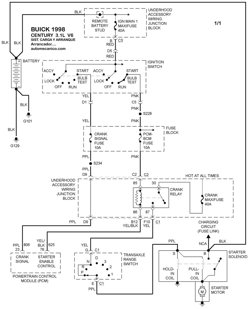
| 1998 | CENTURY 3.1L V6 CIL. | SIST. DE CARGA | SIST. DE ARRANQUE |
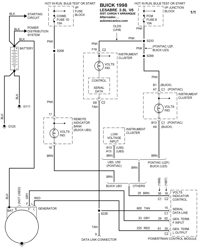
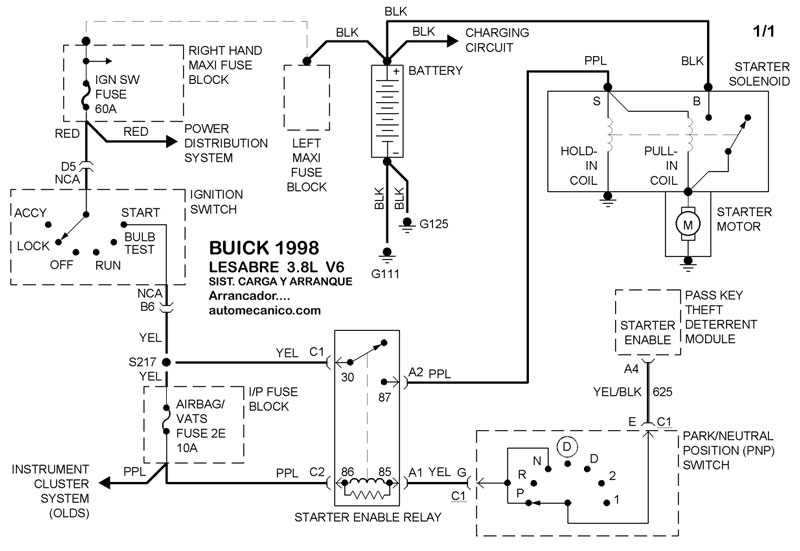
| 1998 | LESABRE 3.8L V6 CIL. | SIST. DE CARGA | SIST. DE ARRANQUE |
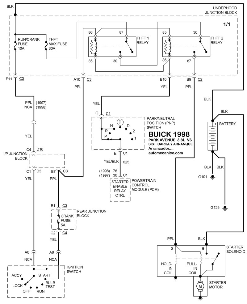
| 1998 | PARK AVENUE 3.8L V6 CIL. | SIST. DE CARGA | SIST. DE ARRANQUE |
| 1998 | REGAL 3.8L V6 CIL. | SIST. DE CARGA | SIST. DE ARRANQUE |
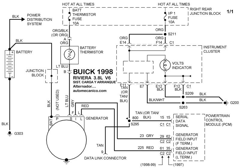
| 1998 | RIVIERA 3.8L V6 CIL. | SIST. DE CARGA | SIST. DE ARRANQUE |
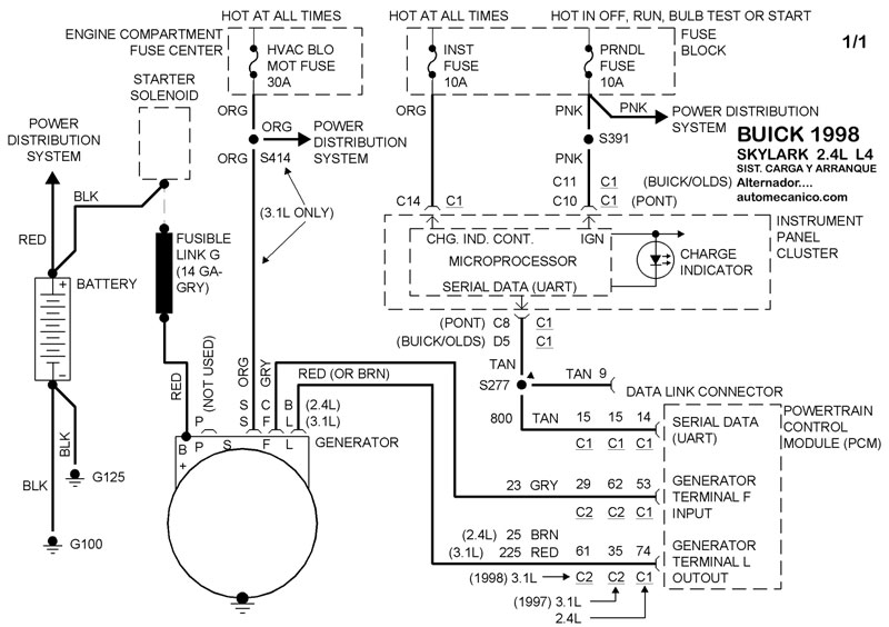
| 1998 | SKYLARK 2.4L 4 CIL. | SIST. DE CARGA | SIST. DE ARRANQUE |
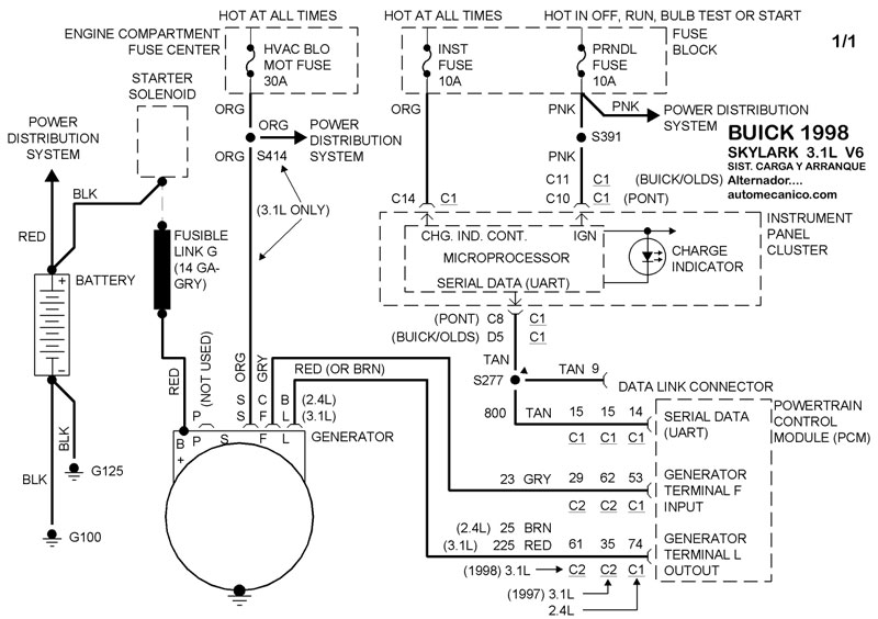
| 1998 | SKYLARK 3.1L V6 CIL. | SIST. DE CARGA | SIST. DE ARRANQUE |
| Volver al listado principal |
