| DIAGRAMAS - SISTEMA DE CARGA Y ARRANQUE - 1998 - Mecanica Automotriz - INDICE |
Diagramas CADILLAC : Carga y Arranque | Charging and Starting System: - Esquemas - Graphics 1998 - |
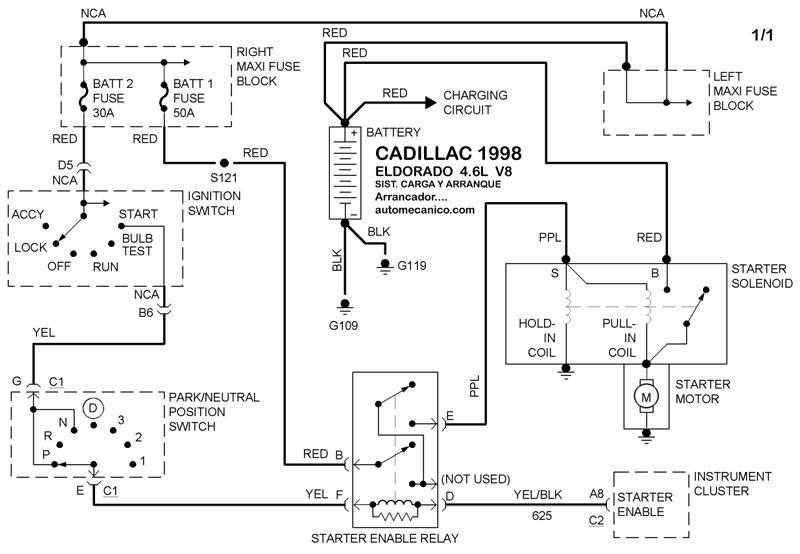
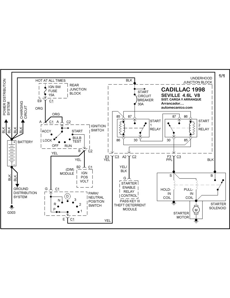
| Los Diagramas, listados abajo, se refieren unicamente al Circuito electrico que involucra: Alternador [Generador] y/o; Arrancador [Motor de arranque, Marcha, Starter] - INDICE: CADILLAC - 1998 - |
| AŃO | Modelo | Alternador | Arrancador |
| 1998 | CATERA 3.0L V6 CIL. | SIST. DE CARGA | SIST. DE ARRANQUE |
| 1998 | DEVILLE 4.6L V8 CIL | SIST. DE CARGA | SIST. DE ARRANQUE |
| 1998 | ELDORADO 4.6L V8 CIL. | SIST. DE CARGA | SIST. DE ARRANQUE |
| 1998 | SEVILLE 4.6L V8 CIL | SIST. DE CARGA | SIST. DE ARRANQUE |
| Volver al listado principal |
