| DIAGRAMAS - SISTEMA DE CARGA Y ARRANQUE - 1998 - Mecanica Automotriz - INDICE |
Diagramas CHEVROLET : Carga y Arranque | Charging and Starting System: - Esquemas - Graphics 1998 - |
| Los Diagramas, listados abajo, se refieren unicamente al Circuito electrico que involucra: Alternador [Generador] y/o; Arrancador [Motor de arranque, Marcha, Starter] - INDICE: CHEVROLET - 1998 - |
| YEAR | Modelo | Alternador | Arrancador |
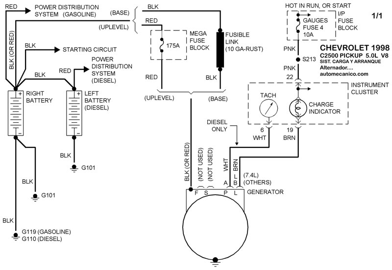
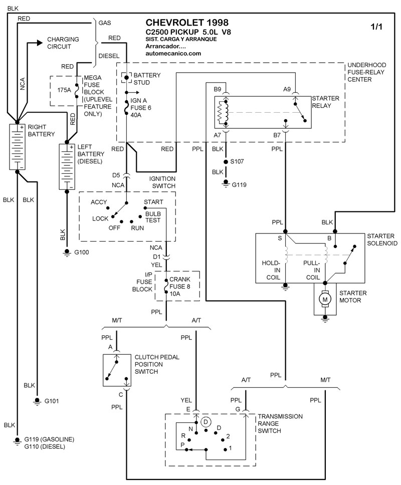
| 1998 | C2500 PICKUP - 5.0L V8 | SIST. DE CARGA | SIST. DE ARRANQUE |
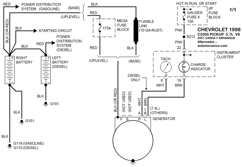
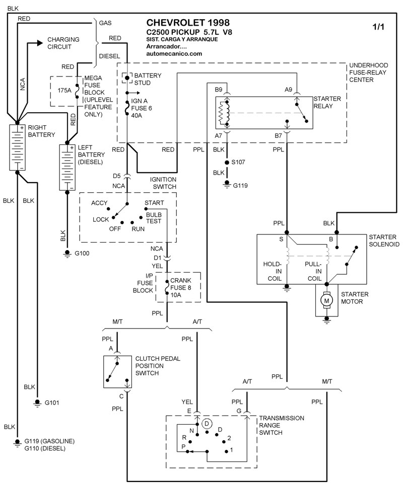
| 1998 | C2500 PICKUP - 5.7L V8 | SIST. DE CARGA | SIST. DE ARRANQUE |
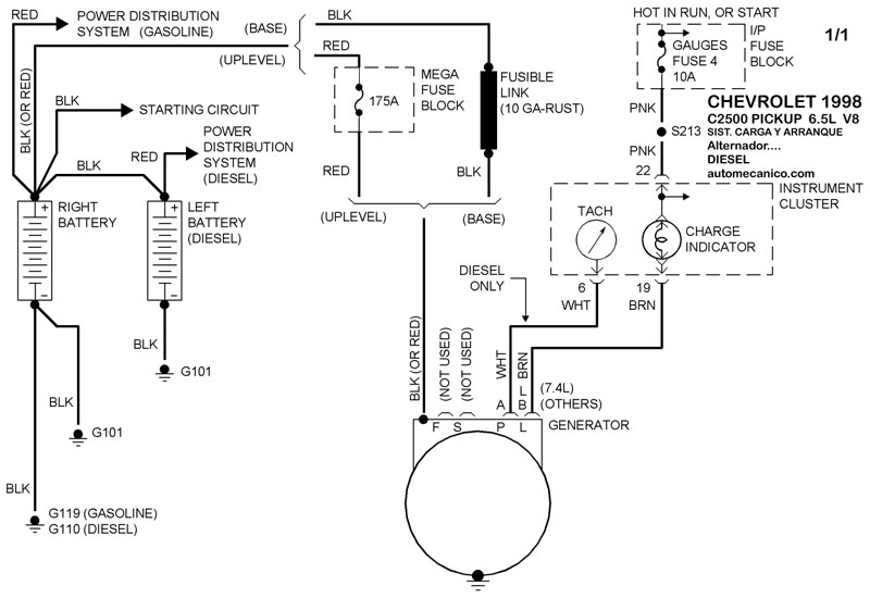
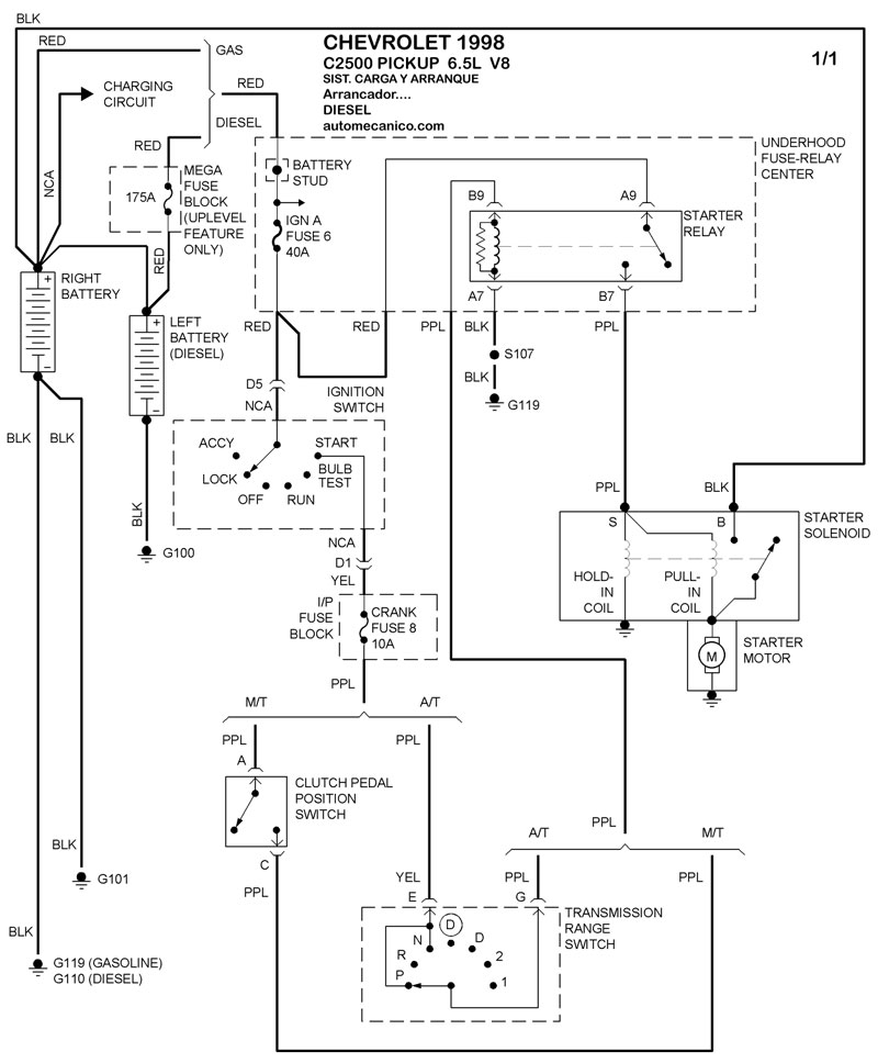
| 1998 | C2500 PICKUP - 6.5L V8 Diesel | SIST. DE CARGA | SIST. DE ARRANQUE |
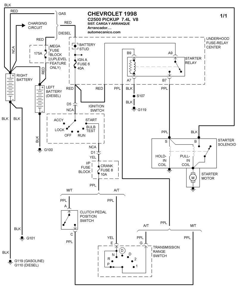
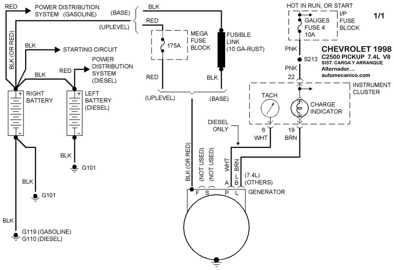
| 1998 | C2500 PICKUP - 7.4L V8 | SIST. DE CARGA | SIST. DE ARRANQUE |
| Volver al listado principal |
