| DIAGRAMAS - SISTEMA DE CARGA Y ARRANQUE - 1998 - Mecanica Automotriz - INDICE |
Diagramas DODGE : Carga y Arranque | Charging and Starting System: - Esquemas - Graphics 1998 - |
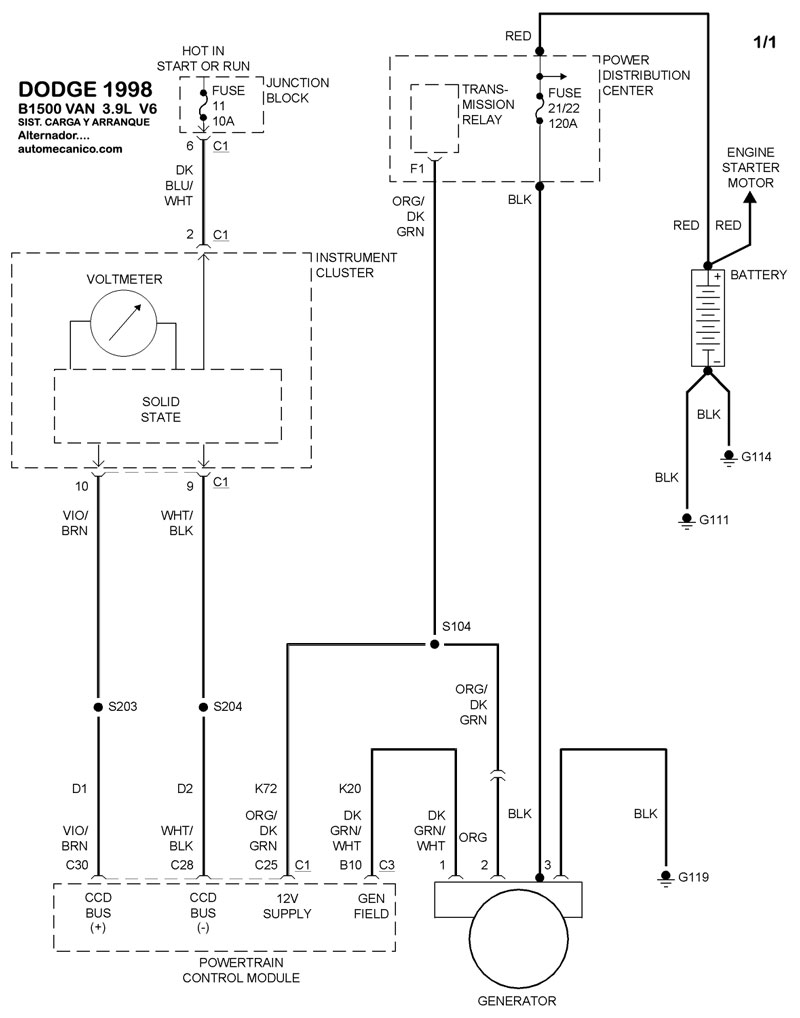
| Los Diagramas, listados abajo, se refieren unicamente al Circuito electrico que involucra: Alternador [Generador] y/o; Arrancador [Motor de arranque, Marcha, Starter] - INDICE: DODGE - 1998 - |
| YEAR | Modelo | Alternador | Arrancador |
| 1998 | B1500 VAN - 3.9L V6 CIL | SIST. DE CARGA | SIST. DE ARRANQUE |
| 1998 | B1500 VAN - 5.2L V8 CIL | SIST. DE CARGA | SIST. DE ARRANQUE |
| 1998 | B1500 VAN - 5.9L V8 CIL. | SIST. DE CARGA | SIST. DE ARRANQUE |
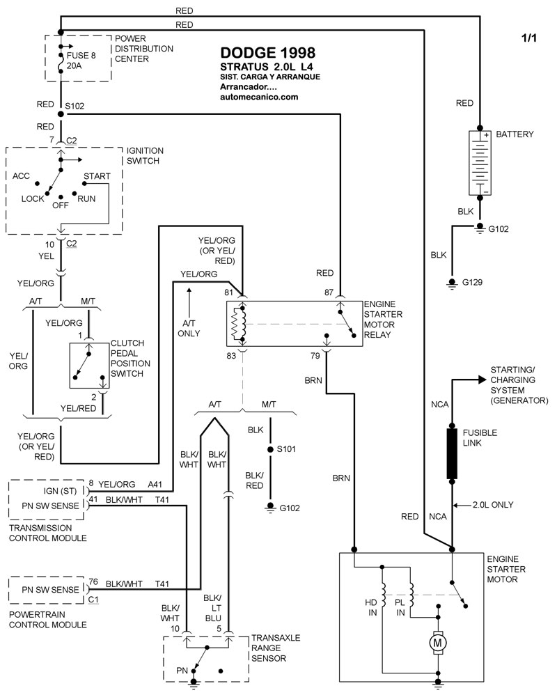
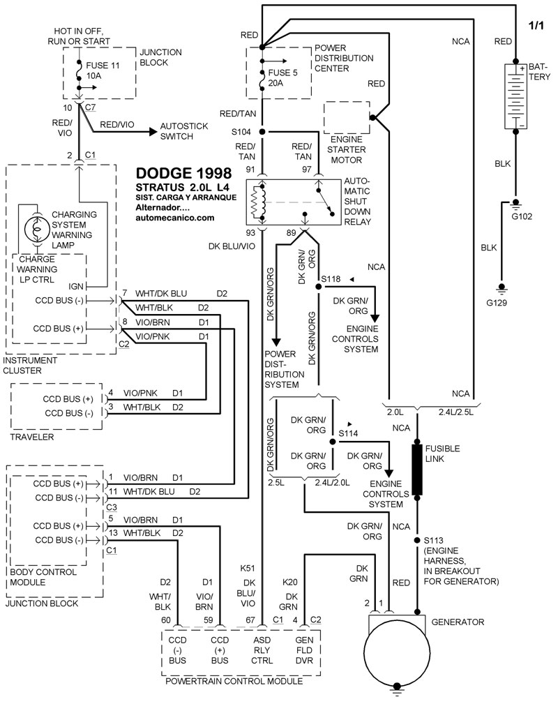
| 1998 | STRATUS - 2.0L 4 CIL | SIST. DE CARGA | SIST. DE ARRANQUE |
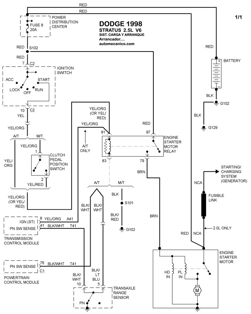
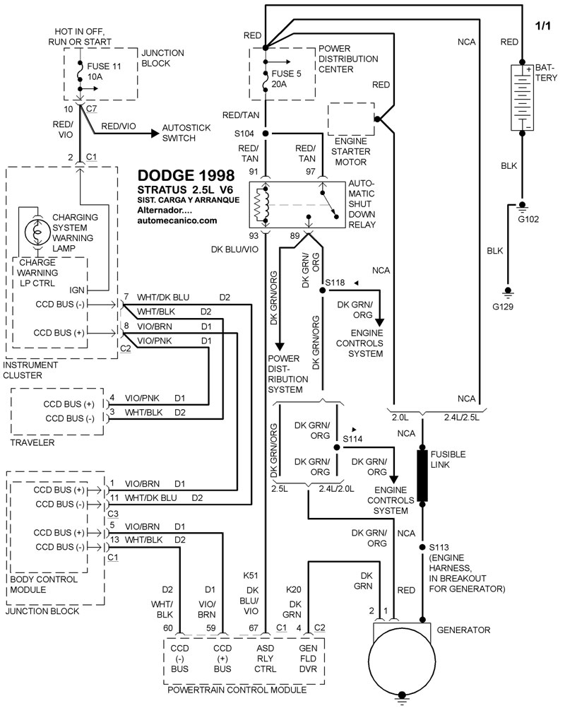
| 1998 | STRATUS - 2.5L V6 CIL | SIST. DE CARGA | SIST. DE ARRANQUE |
| Volver al listado principal |
