| DIAGRAMAS - SISTEMA DE CARGA Y ARRANQUE - 1998 - Mecanica Automotriz - INDICE |
Diagramas DODGE : Carga y Arranque | Charging and Starting System: - Esquemas - Graphics 1998 - |
| Los Diagramas, listados abajo, se refieren unicamente al Circuito electrico que involucra: Alternador [Generador] y/o; Arrancador [Motor de arranque, Marcha, Starter] - INDICE: DODGE - 1998 - |
| YEAR | Modelo | Alternador | Arrancador |
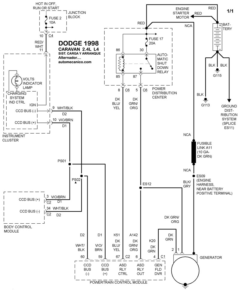
| 1998 | CARAVAN - 2.4L 4 CIL. | SIST. DE CARGA | SIST. DE ARRANQUE |
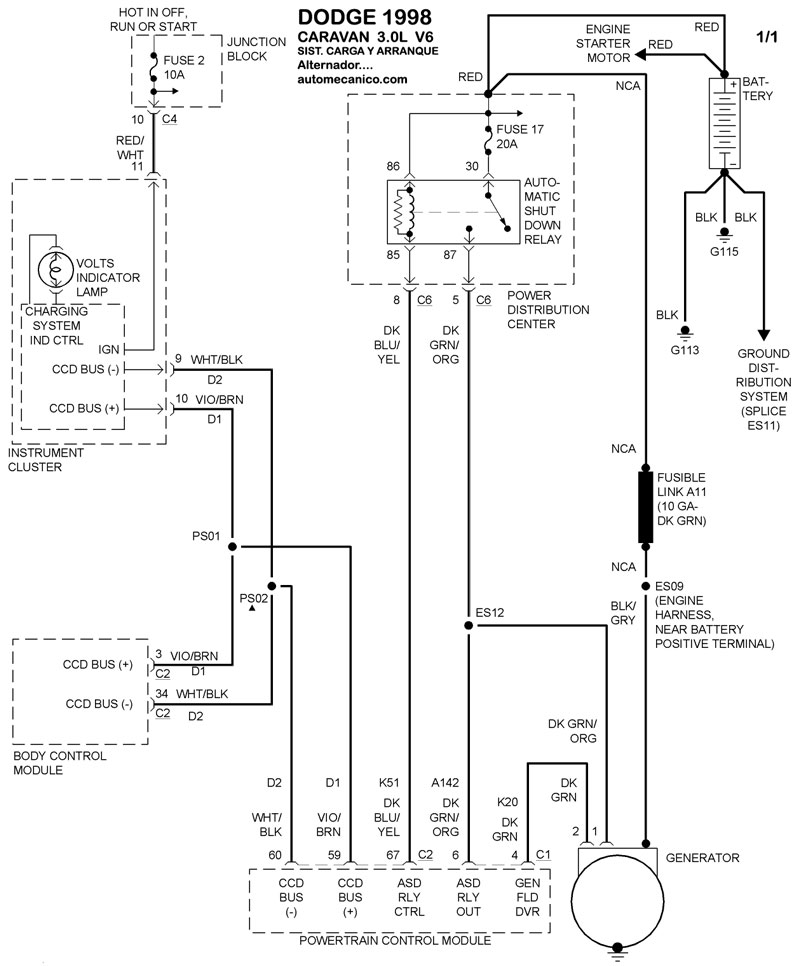
| 1998 | CARAVAN - 3.0L V6 CIL | SIST. DE CARGA | SIST. DE ARRANQUE |
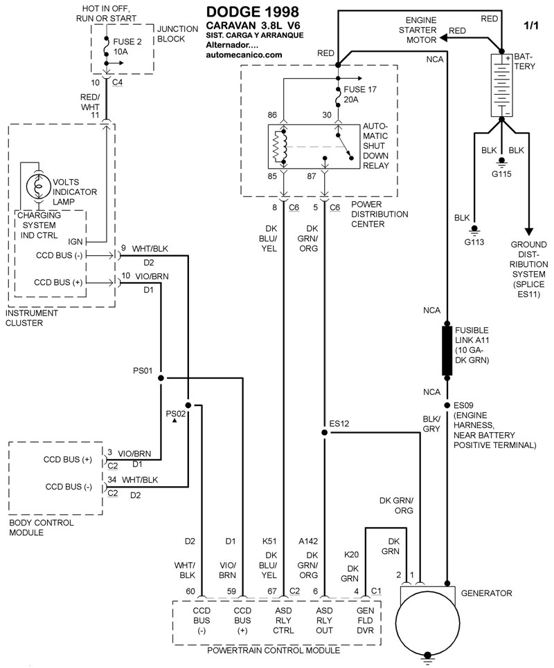
| 1998 | CARAVAN - 3.8L V6 CIL. | SIST. DE CARGA | SIST. DE ARRANQUE |
| Volver al listado principal |
