| DIAGRAMAS - SISTEMA DE CARGA Y ARRANQUE - 1998 - Mecanica Automotriz - INDICE |
Diagramas FORD : Carga y Arranque | Charging and Starting System: - Esquemas - Graphics 1998 - |
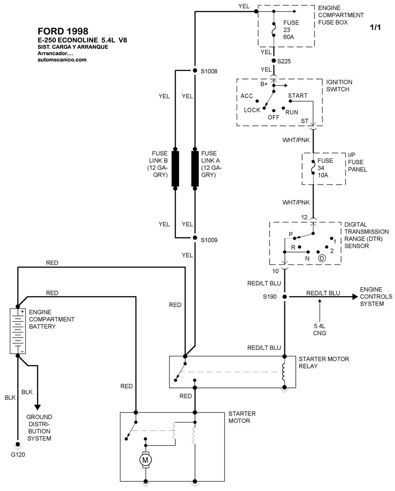
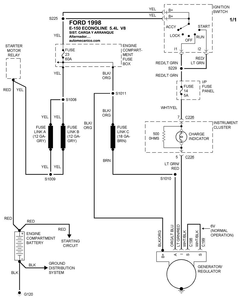
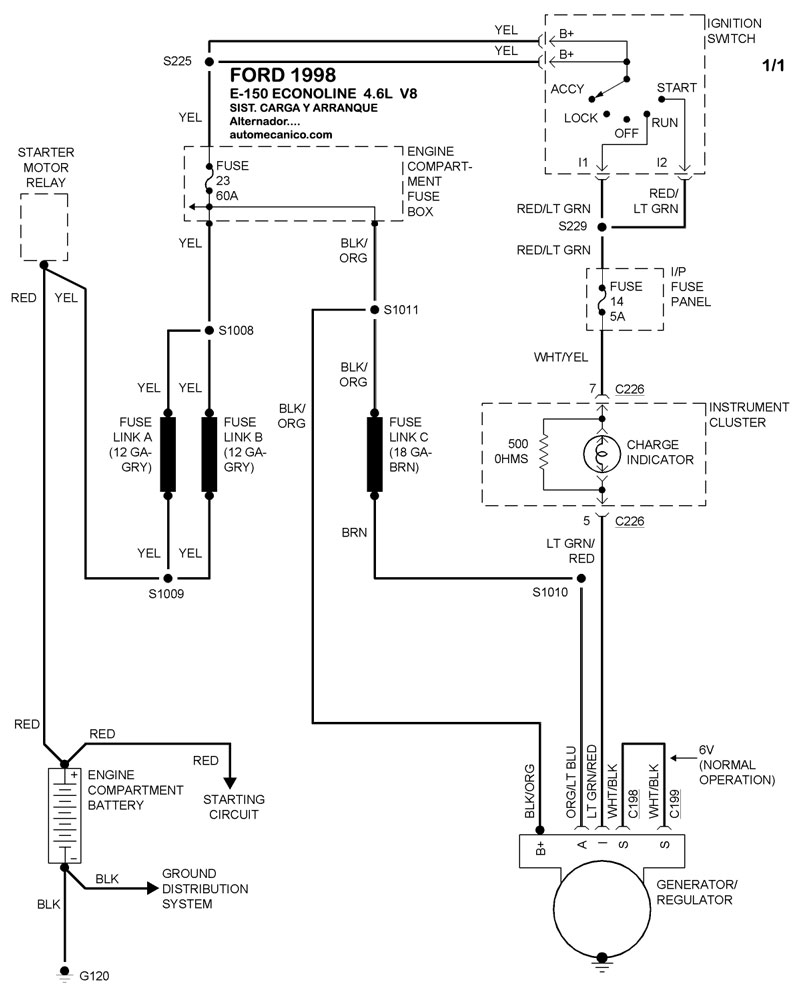
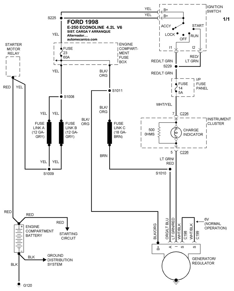
| Los Diagramas, listados abajo, se refieren unicamente al Circuito electrico que involucra: Alternador [Generador] y/o; Arrancador [Motor de arranque, Marcha, Starter] - INDICE: FORD - 1998 - |
| YEAR | Modelo | Alternador | Arrancador |
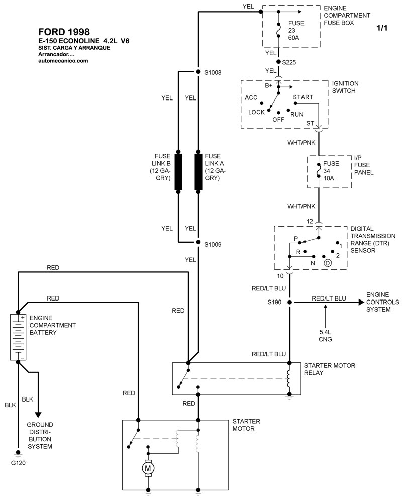
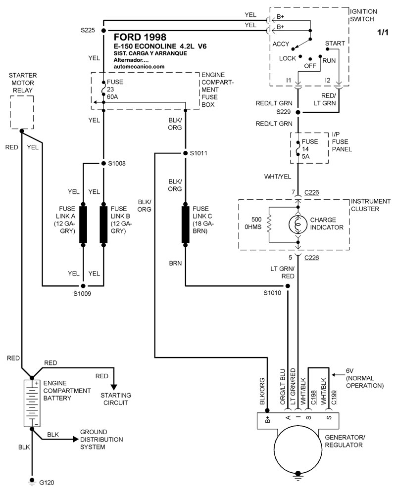
| 1998 | E-150 ECONOLINE - 4.2L V6 CIL. | SIST. DE CARGA | SIST. DE ARRANQUE |
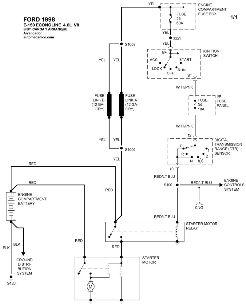
| 1998 | E-150 ECONOLINE - 4.6L V8 CIL | SIST. DE CARGA | SIST. DE ARRANQUE |
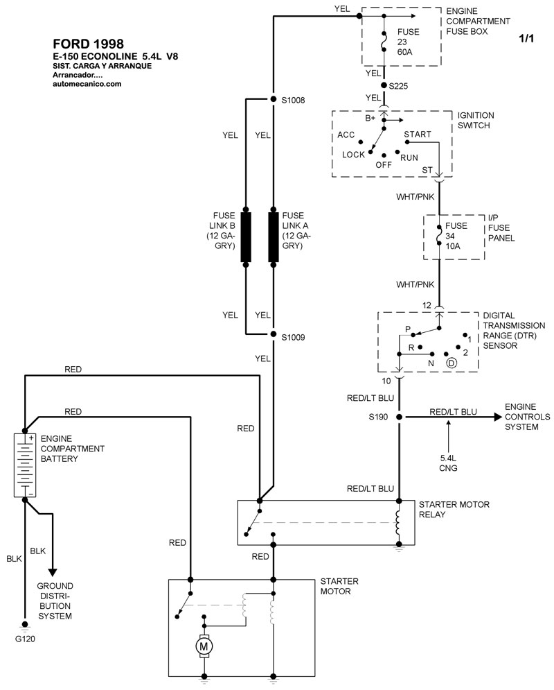
| 1998 | E-150 ECONOLINE - 5.4L V8 CIL | SIST. DE CARGA | SIST. DE ARRANQUE |
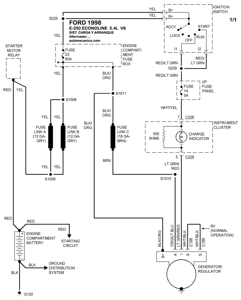
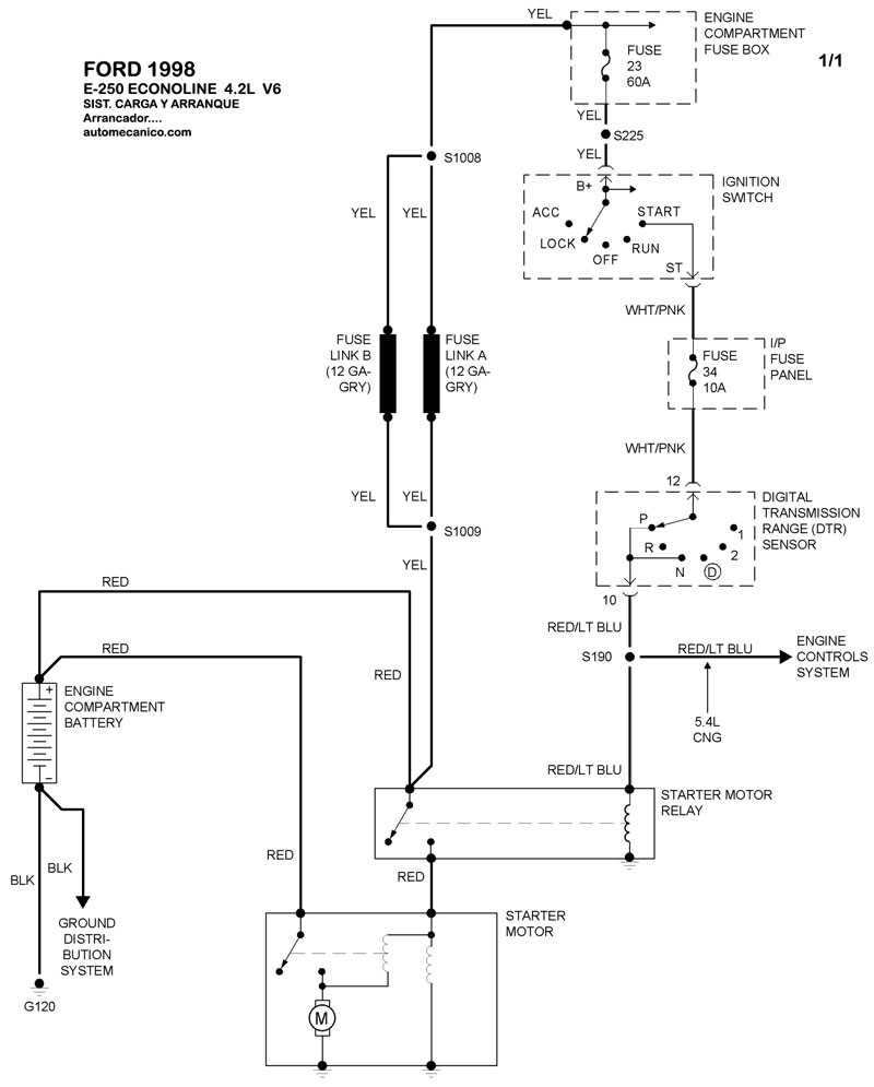
| 1998 | E-250 ECONOLINE - 4.2L V6 CIL | SIST. DE CARGA | SIST. DE ARRANQUE |
| 1998 | E-250 ECONOLINE - 5.4L V8 CIL | SIST. DE CARGA | SIST. DE ARRANQUE |
| Volver al listado principal |
