| DIAGRAMAS - SISTEMA DE CARGA Y ARRANQUE - 1998 - Mecanica Automotriz - INDICE |
Diagramas INFINITI : Carga y Arranque | Charging and Starting System: - Esquemas - Graphics 1998 - |
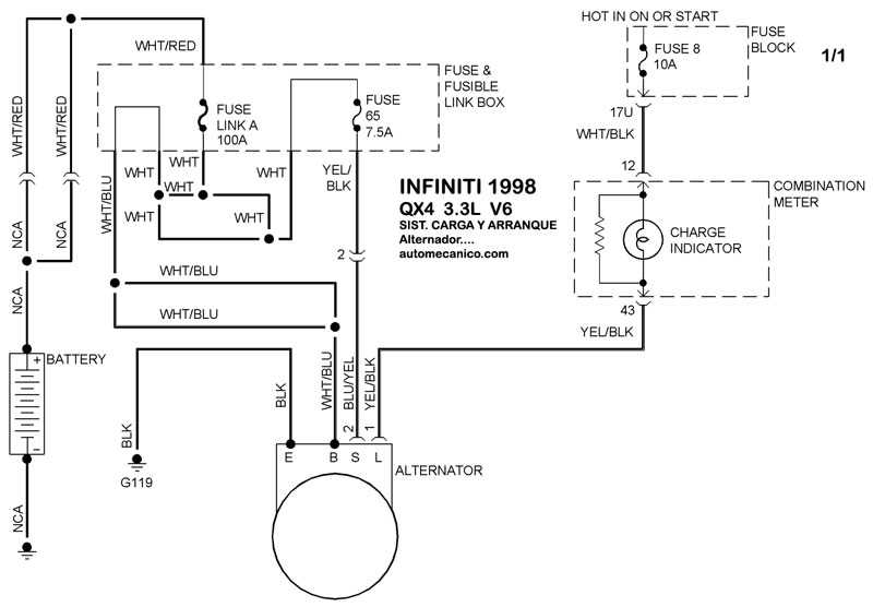
| Los Diagramas, listados abajo, se refieren unicamente al Circuito electrico que involucra: Alternador [Generador] y/o; Arrancador [Motor de arranque, Marcha, Starter] - INDICE: INFINITI - 1998 - |
| YEAR | Modelo | Alternador | Arrancador |
| 1998 | i30 - 3.0L V6 CIL | SIST. DE CARGA | SIST. DE ARRANQUE T/A |
| 1998 | i30 - 3.0L V6 CIL | 00-00 | SIST. DE ARRANQUE T/M |
| 1998 | Q45 - 4.1L V8 CIL | SIST. DE CARGA | SIST. DE ARRANQUE |
| 1998 | QX4 - 3.3L V6 CIL. | SIST. DE CARGA | SIST. DE ARRANQUE |
| Volver al listado principal |
