| DIAGRAMAS - SISTEMA DE CARGA Y ARRANQUE - 1998 - Mecanica Automotriz - INDICE |
Diagramas ISUZU : Carga y Arranque | Charging and Starting System: - Esquemas - Graphics 1998 - |
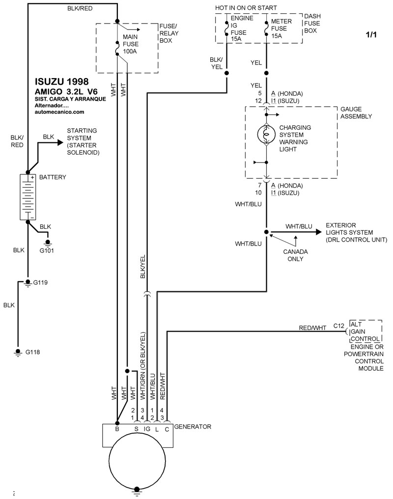
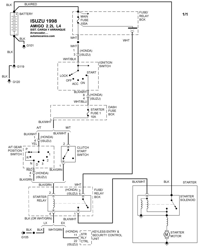
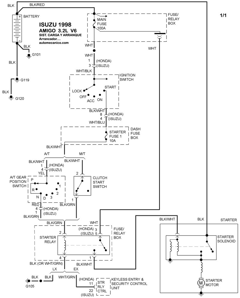
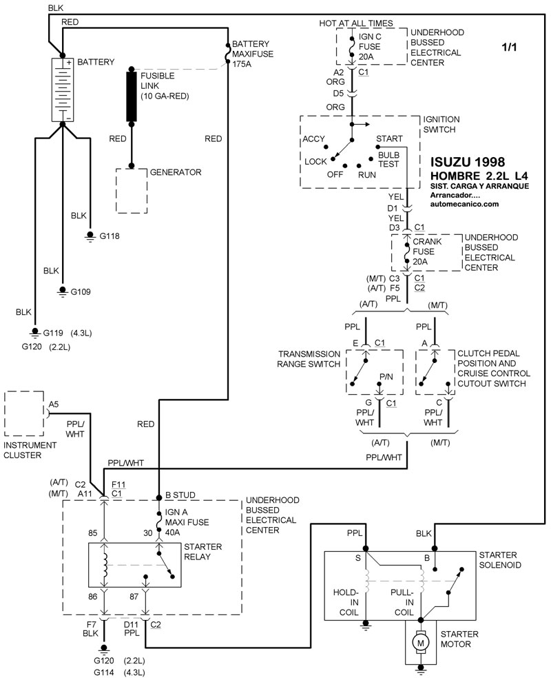
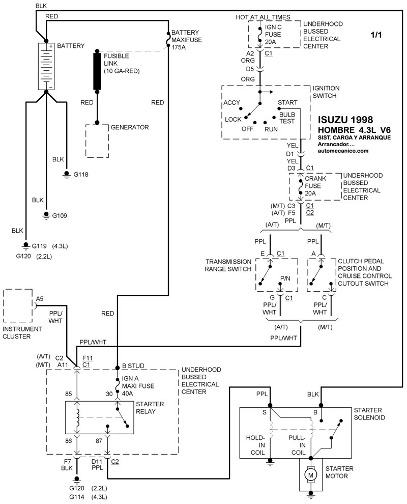
| Los Diagramas, listados abajo, se refieren unicamente al Circuito electrico que involucra: Alternador [Generador] y/o; Arrancador [Motor de arranque, Marcha, Starter] - INDICE: ISUZU - 1998 - |
| YEAR | Modelo | Alternador | Arrancador |
| 1998 | AMIGO - 2.2L 4 CIL | SIST. DE CARGA | SIST. DE ARRANQUE |
| 1998 | AMIGO - 3.2L V6 CIL. | SIST. DE CARGA | SIST. DE ARRANQUE |
| 1998 | HOMBRE - 2.2L 4 CIL | SIST. DE CARGA | SIST. DE ARRANQUE |
| 1998 | HOMBRE - 4.3L V6 CIL | SIST. DE CARGA | SIST. DE ARRANQUE |
| Volver al listado principal |
