| DIAGRAMAS - SISTEMA DE CARGA Y ARRANQUE - 1998 - Mecanica Automotriz - INDICE |
Diagramas JAGUAR : Carga y Arranque | Charging and Starting System: - Esquemas - Graphics 1998 - |
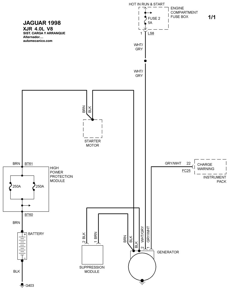
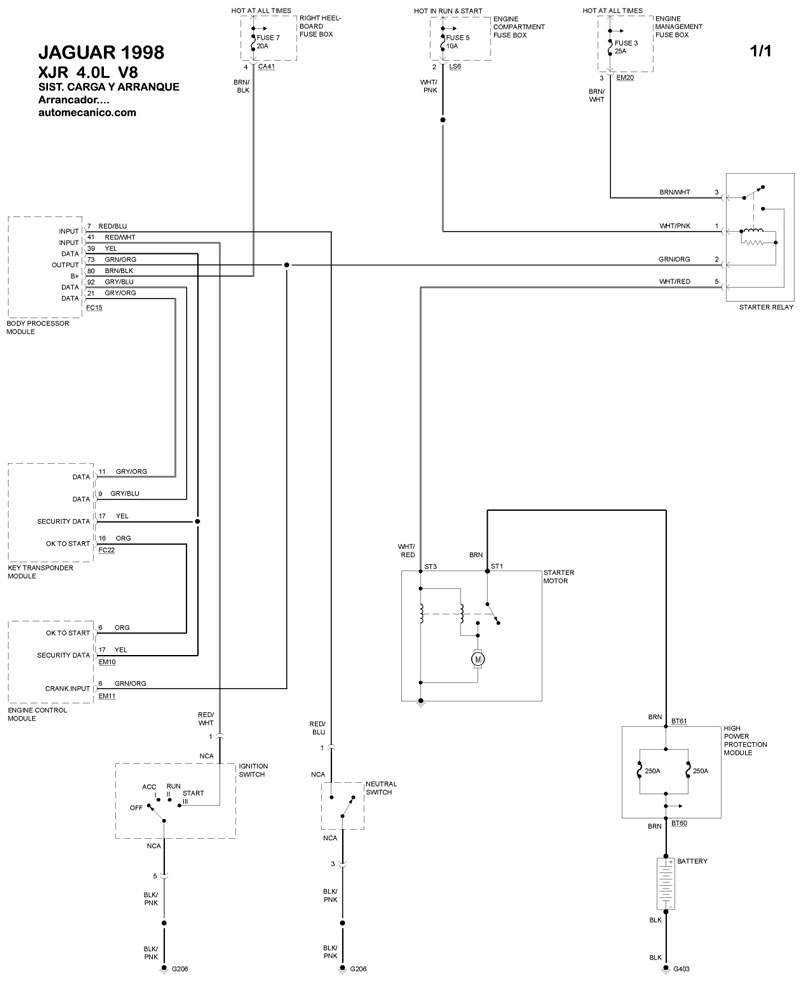
| Los Diagramas, listados abajo, se refieren unicamente al Circuito electrico que involucra: Alternador [Generador] y/o; Arrancador [Motor de arranque, Marcha, Starter] - INDICE: JAGUAR - 1998 - |
| YEAR | Modelo | Alternador | Arrancador |
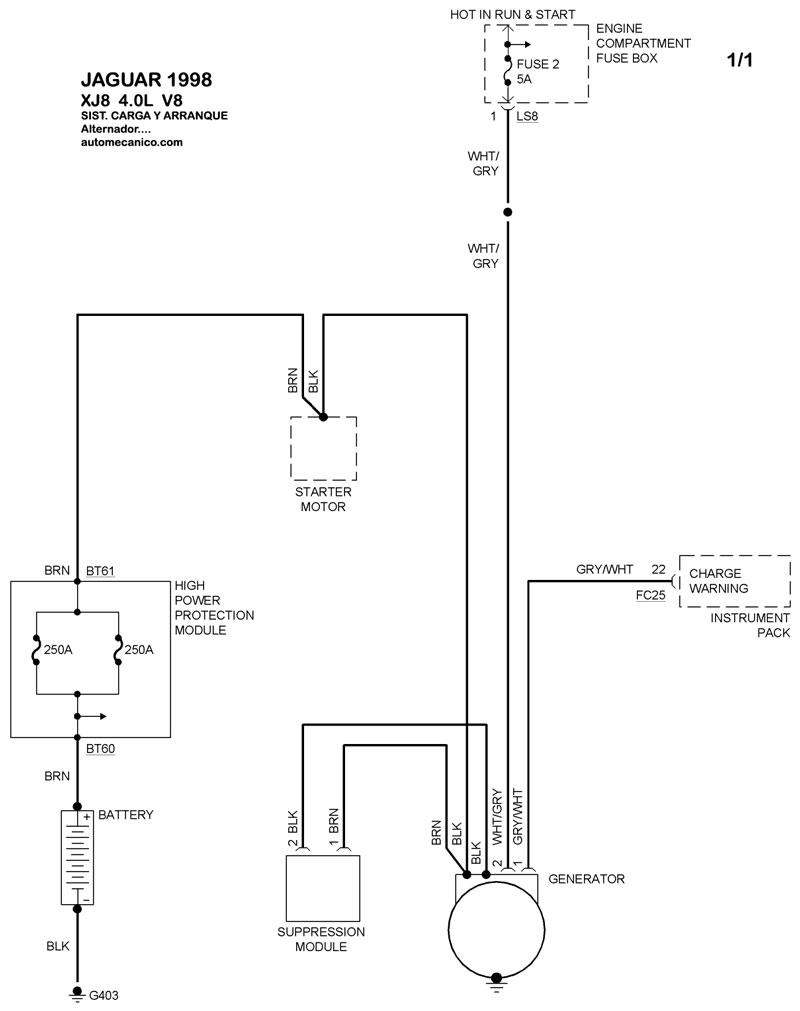
| 1998 | XJ8 - 4.0L V8 CIL. | SIST. DE CARGA | SIST. DE ARRANQUE |
| 1998 | XJR - 4.0L V8 CIL. | SIST. DE CARGA | SIST. DE ARRANQUE |
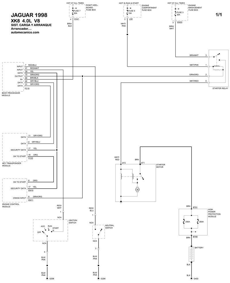
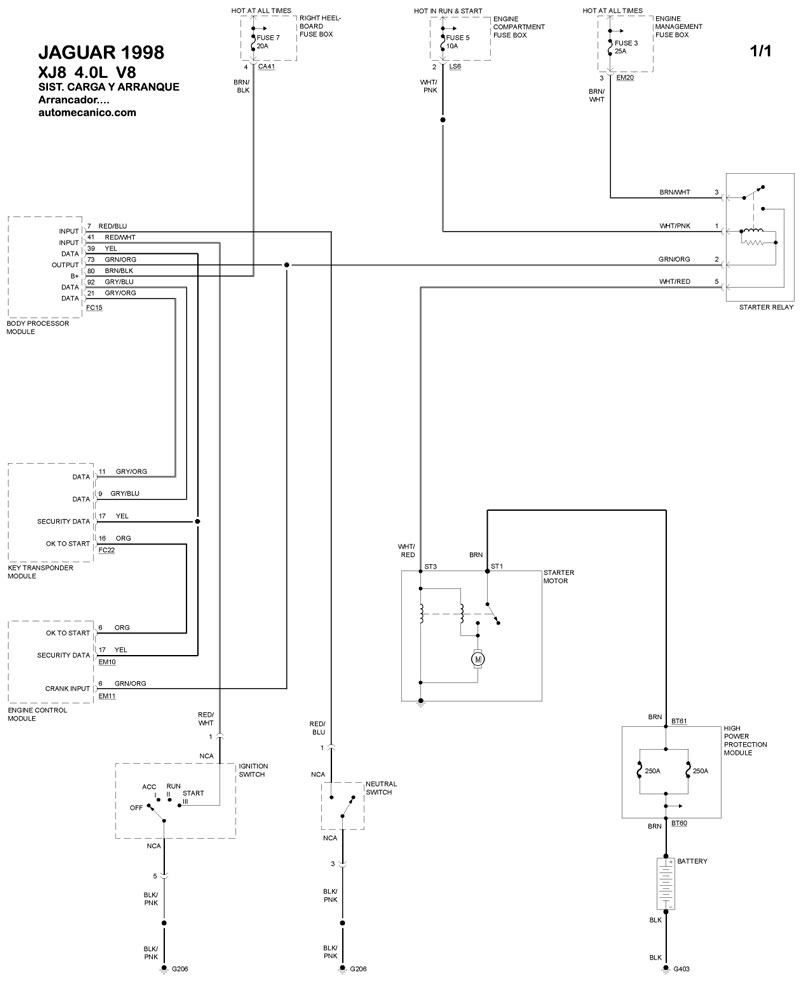
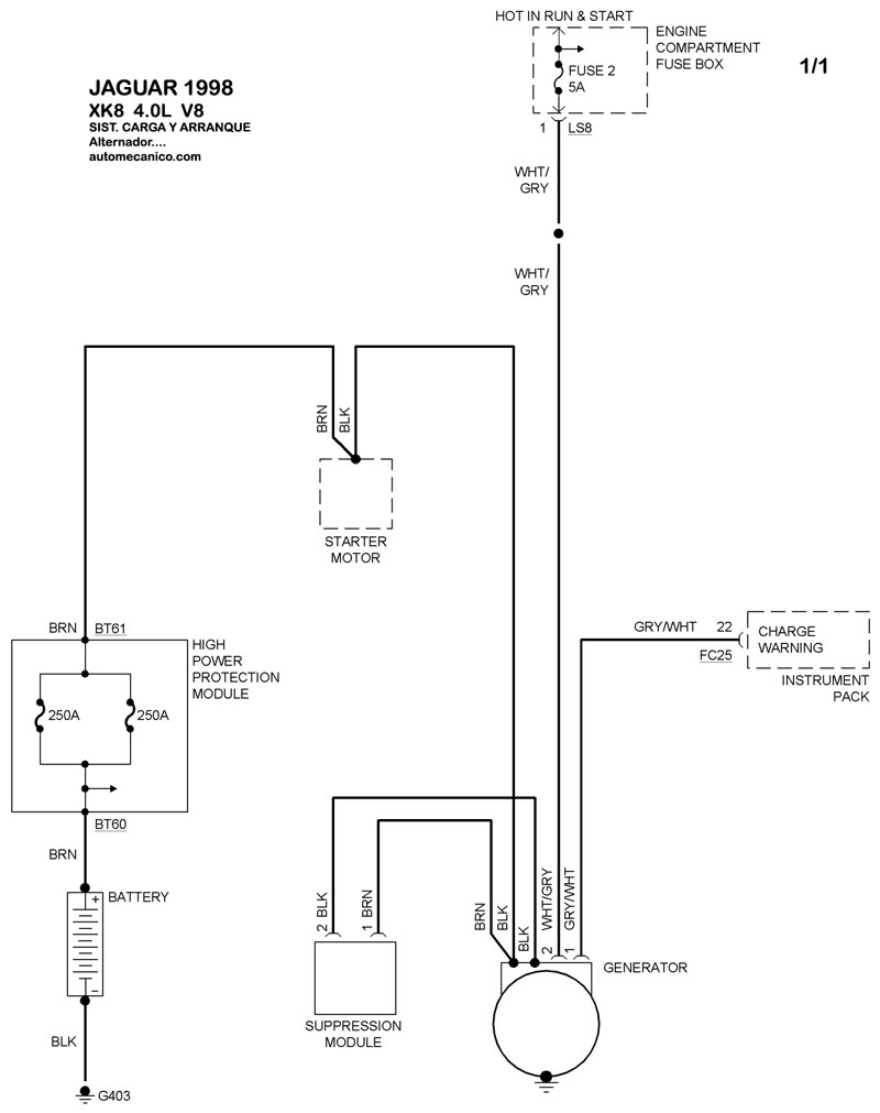
| 1998 | XK8 - 4.0L V8 CIL. | SIST. DE CARGA | SIST. DE ARRANQUE |
| Volver al listado principal |
