| DIAGRAMAS - SISTEMA DE CARGA Y ARRANQUE - 1998 - Mecanica Automotriz - INDICE |
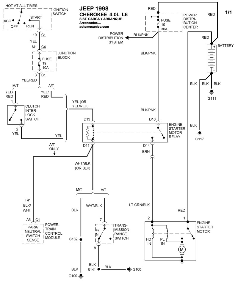
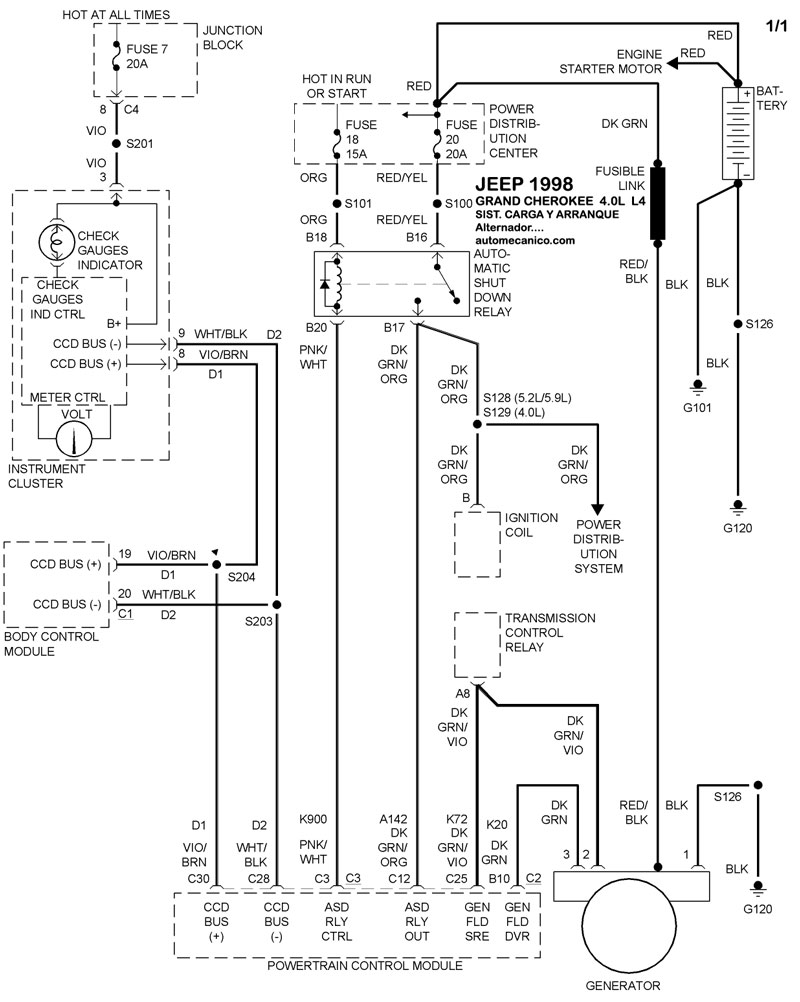
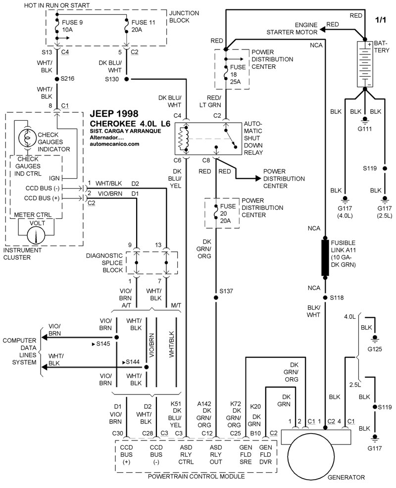
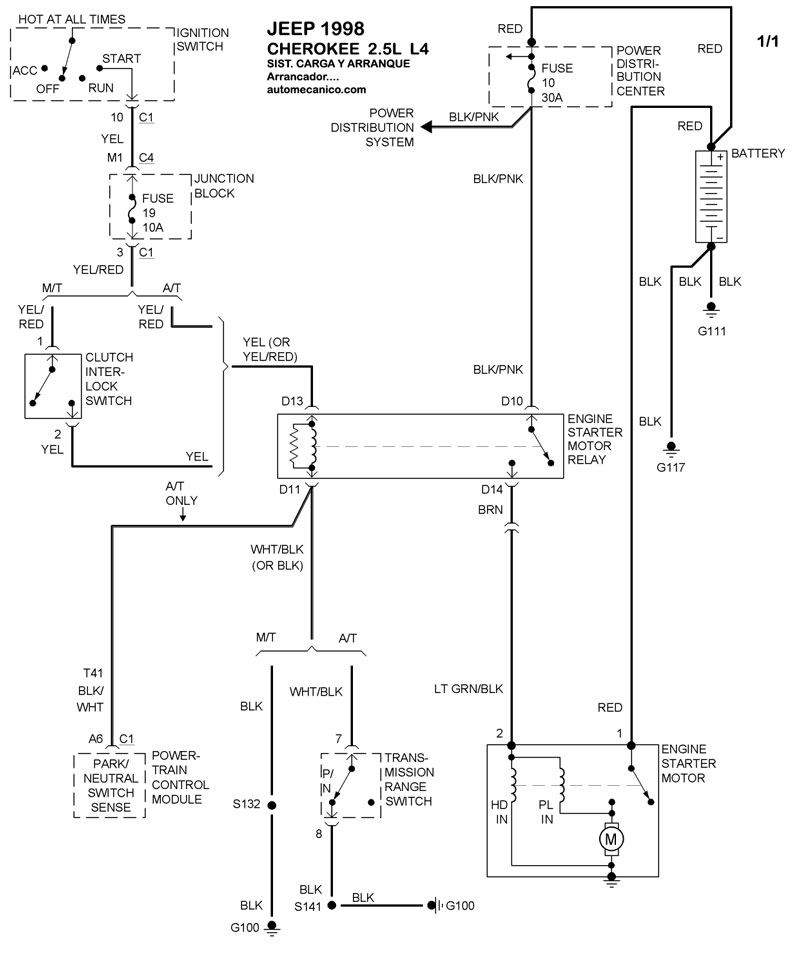
Diagramas JEEP : Carga y Arranque | Charging and Starting System: - Esquemas - Graphics 1998 - |
| Los Diagramas, listados abajo, se refieren unicamente al Circuito electrico que involucra: Alternador [Generador] y/o; Arrancador [Motor de arranque, Marcha, Starter] - INDICE: JEEP - 1998 - |
| YEAR | Modelo | Alternador | Arrancador |
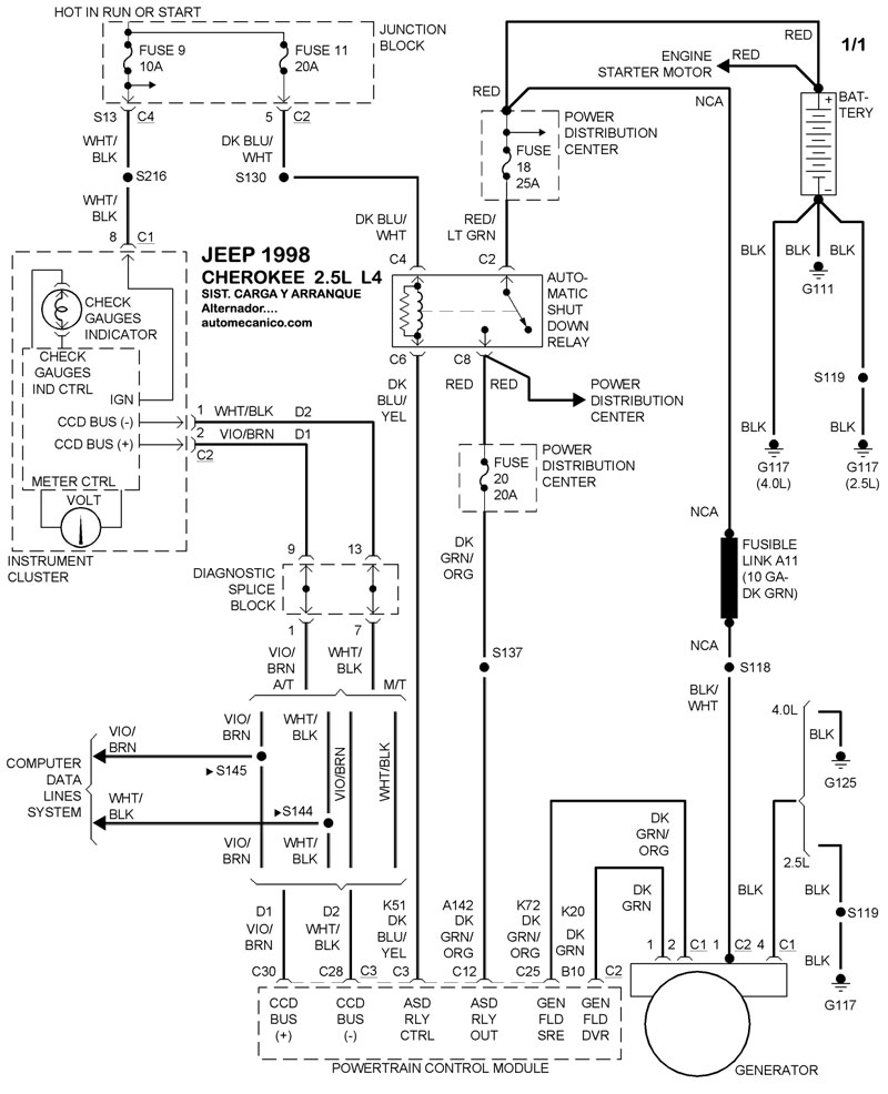
| 1998 | CHEROKEE - 2.5L 4 CIL. | SIST. DE CARGA | SIST. DE ARRANQUE |
| 1998 | CHEROKEE 4.0L L6 CIL | SIST. DE CARGA | SIST. DE ARRANQUE |
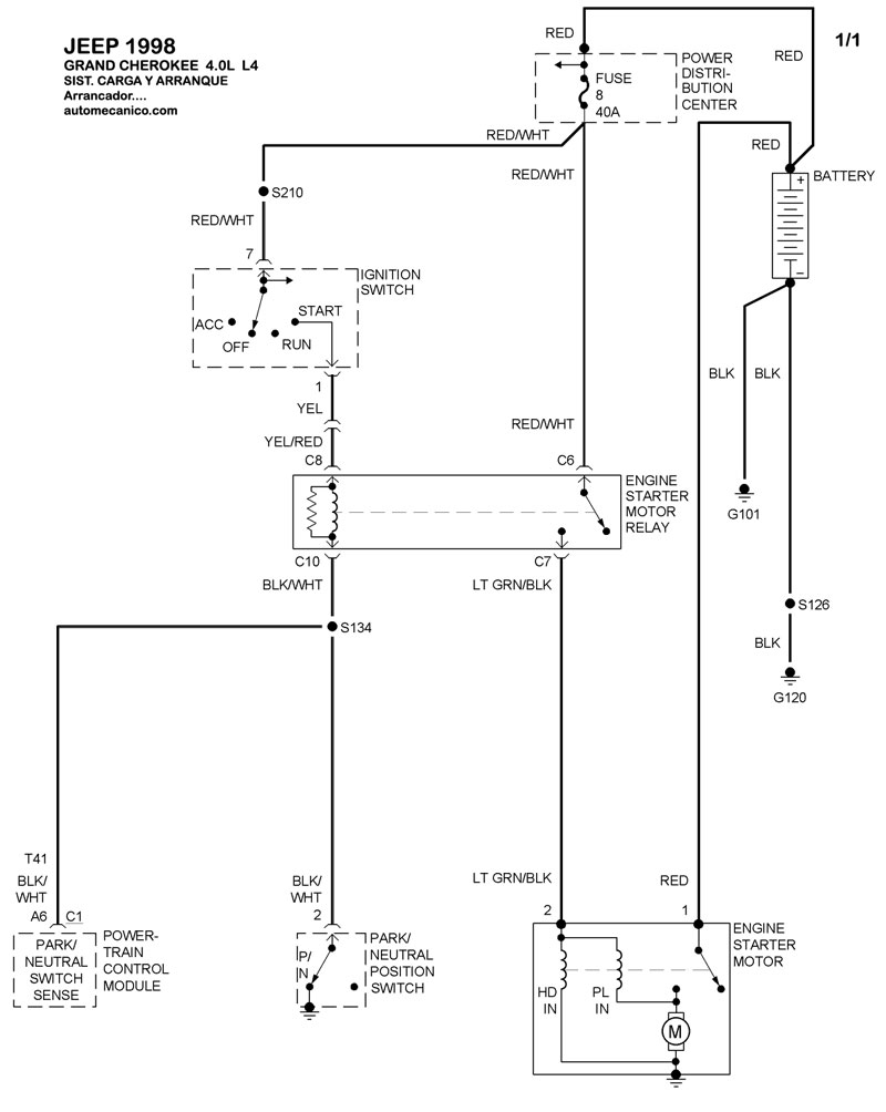
| 1998 | GRAND CHEROKEE - 4.0L L6 | SIST. DE CARGA | SIST. DE ARRANQUE |
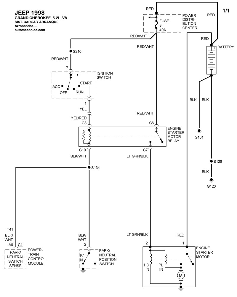
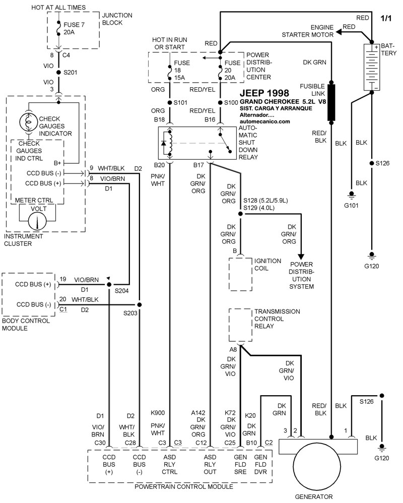
| 1998 | GRAND CHEROKEE - 5.2L V8 | SIST. DE CARGA | SIST. DE ARRANQUE |
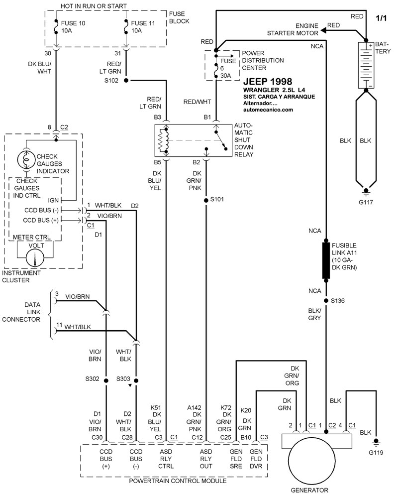
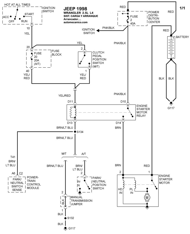
| 1998 | WRANGLER - 2.5L L4 CIL. | SIST. DE CARGA | SIST. DE ARRANQUE |
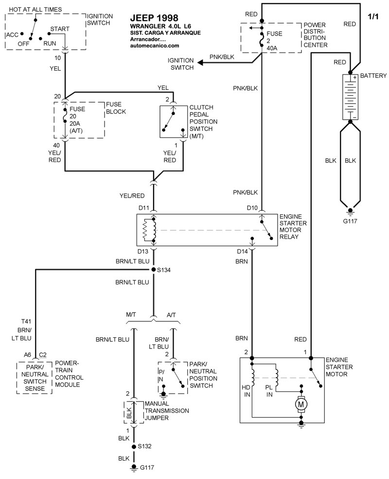
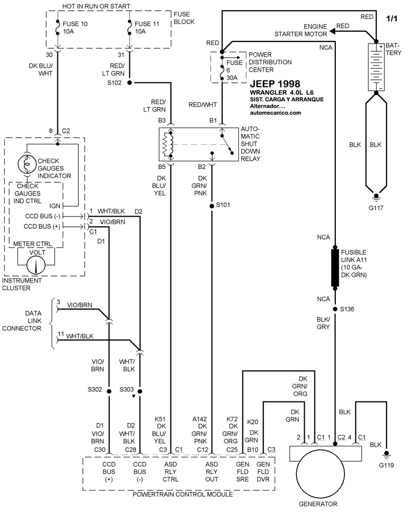
| 1998 | WRANGLER - 4.0L L6 CIL. | SIST. DE CARGA | SIST. DE ARRANQUE |
| Volver al listado principal |
