| DIAGRAMAS - SISTEMA DE CARGA Y ARRANQUE - 1998 - Mecanica Automotriz - INDICE |
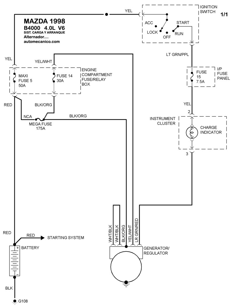
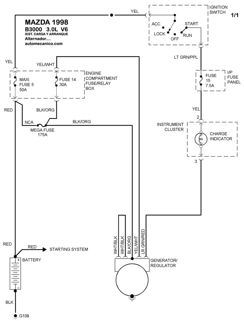
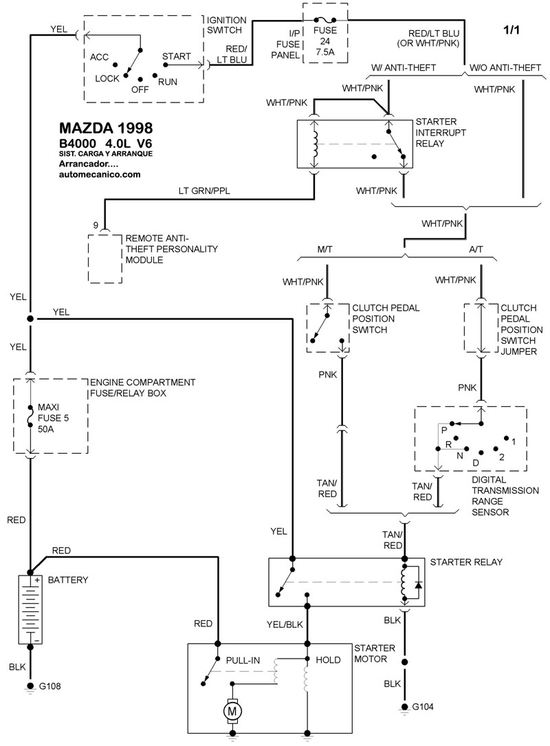
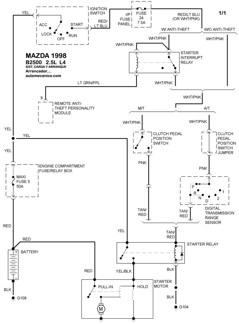
Diagramas MAZDA : Carga y Arranque | Charging and Starting System: - Esquemas - Graphics 1998 - |
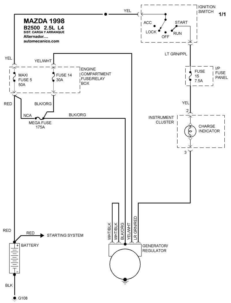
| Los Diagramas, listados abajo, se refieren unicamente al Circuito electrico que involucra: Alternador [Generador] y/o; Arrancador [Motor de arranque, Marcha, Starter] - INDICE: MAZDA - 1998 - |
| YEAR | Modelo | Alternador | Arrancador |
| 1998 | B2500 - 2.5L 4 CIL | SIST. DE CARGA | SIST. DE ARRANQUE |
| 1998 | B3000 - 3.0L V6 CIL | SIST. DE CARGA | SIST. DE ARRANQUE |
| 1998 | B4000 - 4.0L V6 CIL. | SIST. DE CARGA | SIST. DE ARRANQUE |
| Volver al listado principal |
