| DIAGRAMAS - SISTEMA DE CARGA Y ARRANQUE - 1998 - Mecanica Automotriz - INDICE |
Diagramas MERCEDES BENZ : Carga y Arranque | Charging and Starting System: - Esquemas - Graphics 1998 - |
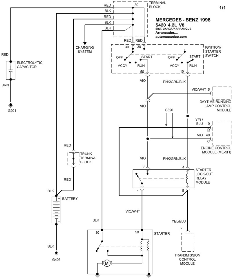
| Los Diagramas, listados abajo, se refieren unicamente al Circuito electrico que involucra: Alternador [Generador] y/o; Arrancador [Motor de arranque, Marcha, Starter] - INDICE: MERCEDES BENZ - 1998 - |
| YEAR | Modelo | Alternador | Arrancador |
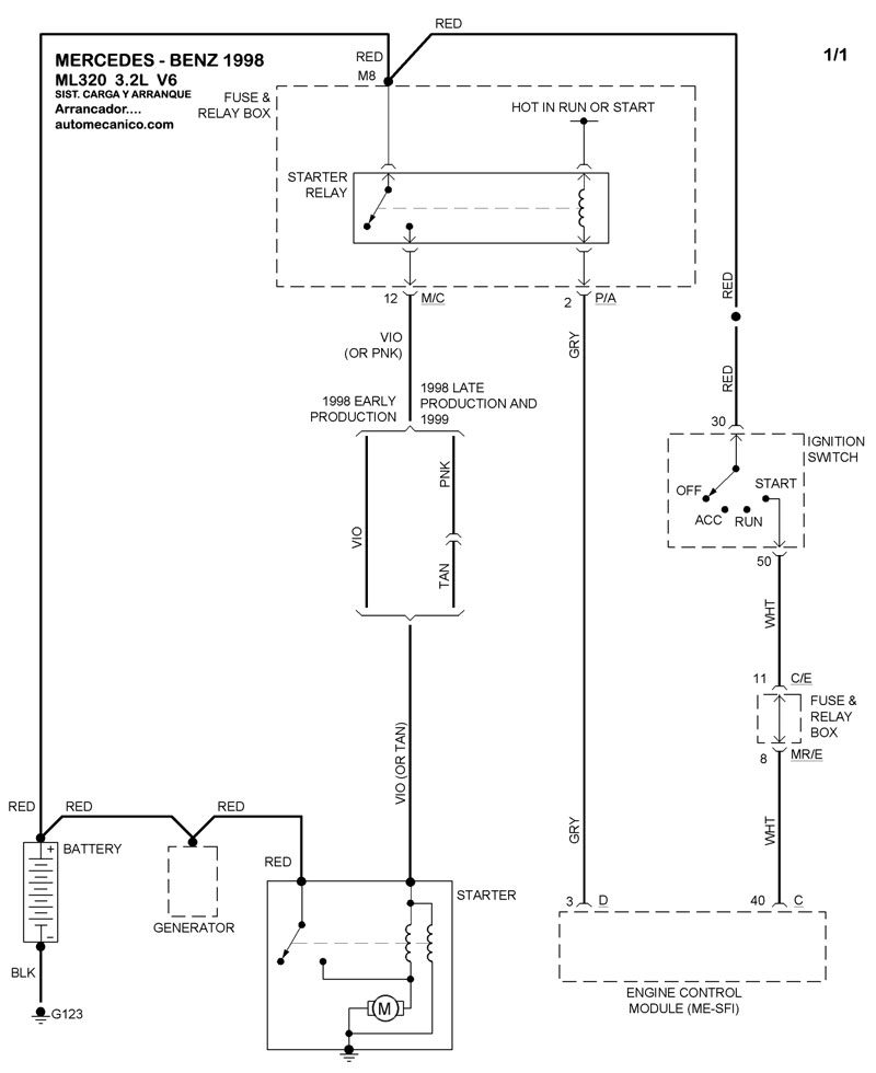
| 1998 | ML320 - 3.2L V6 CIL. | SIST. DE CARGA | SIST. DE ARRANQUE |
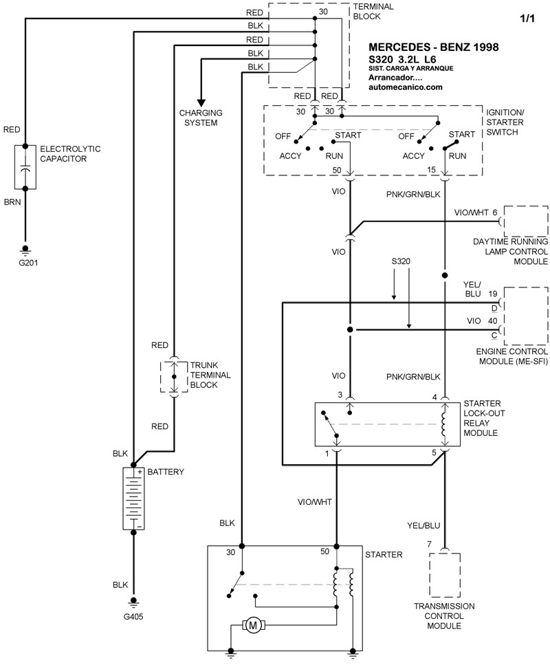
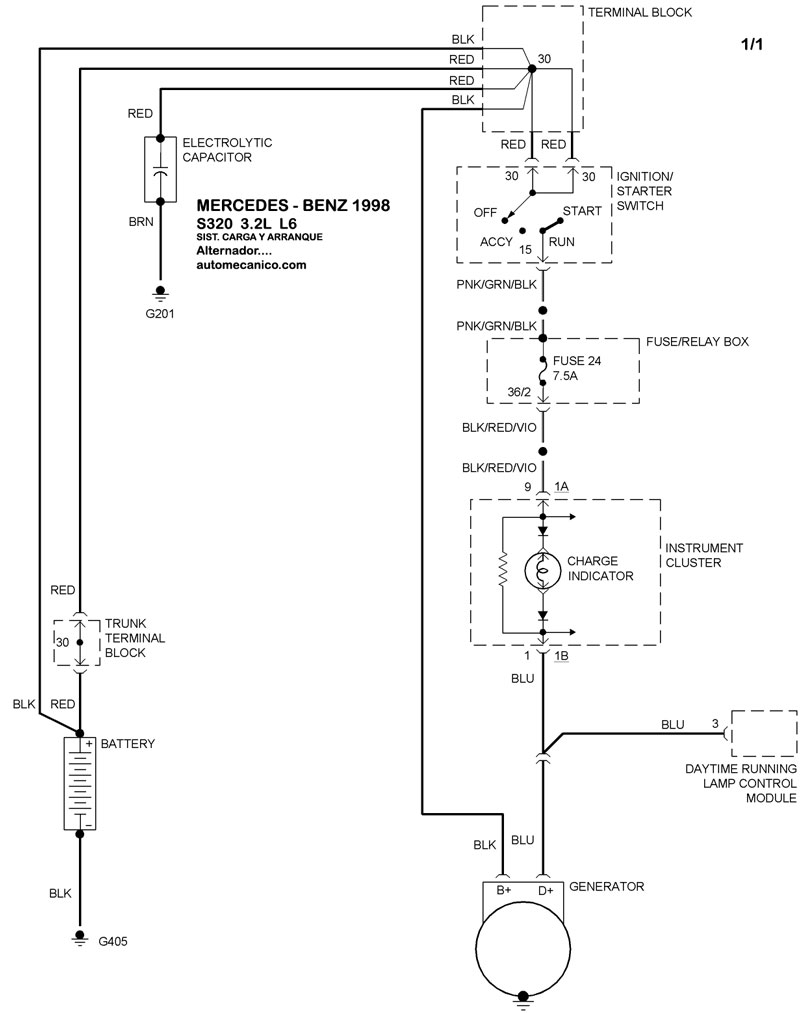
| 1998 | S320 - 3.2L L6 CIL. | SIST. DE CARGA | SIST. DE ARRANQUE |
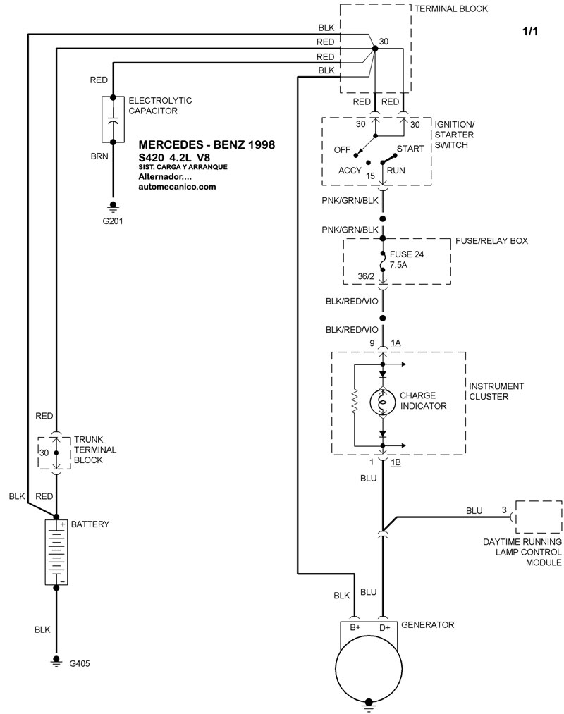
| 1998 | S420 - 4.2L V8 CIL. | SIST. DE CARGA | SIST. DE ARRANQUE |
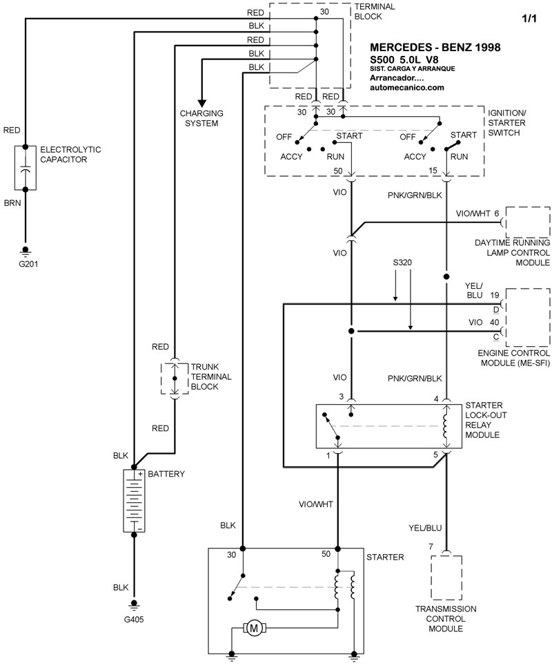
| 1998 | S500 - 5.0L V8 CIL | SIST. DE CARGA | SIST. DE ARRANQUE |
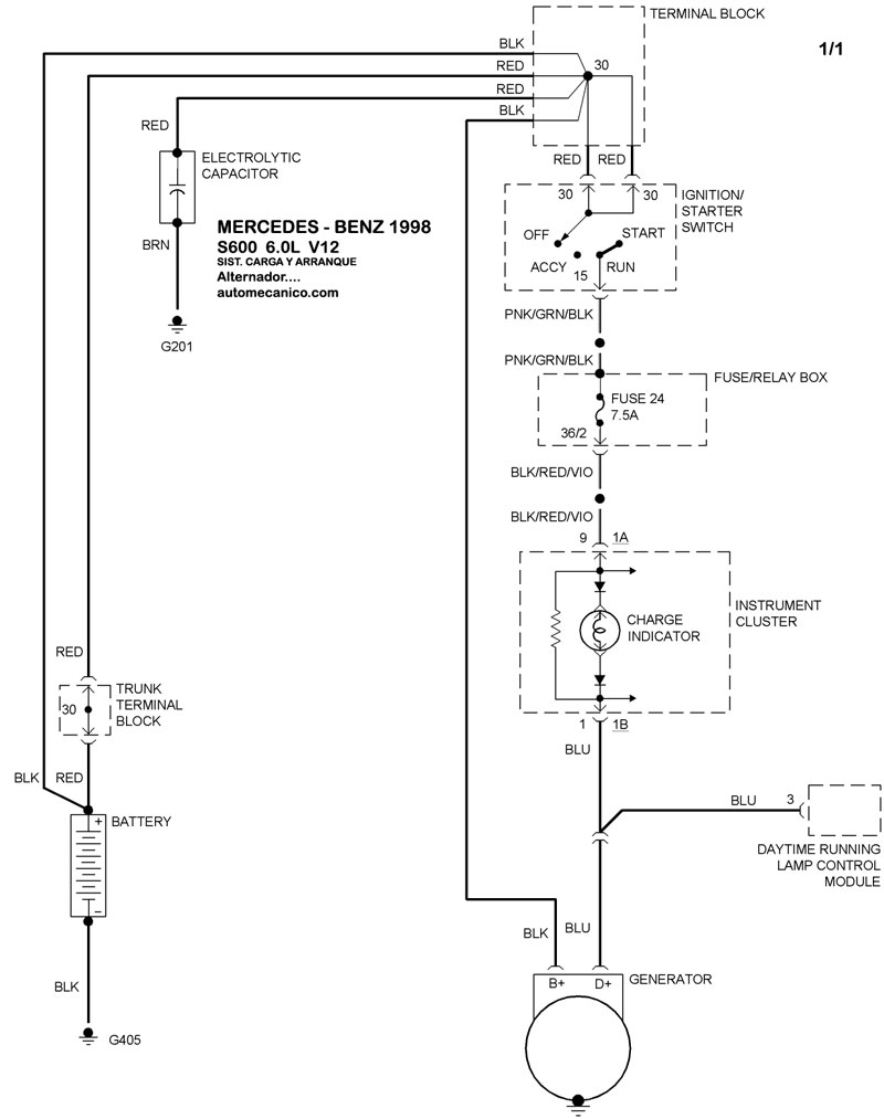
| 1998 | S600 - 6.0L V12 CIL. | SIST. DE CARGA | SIST. DE ARRANQUE |
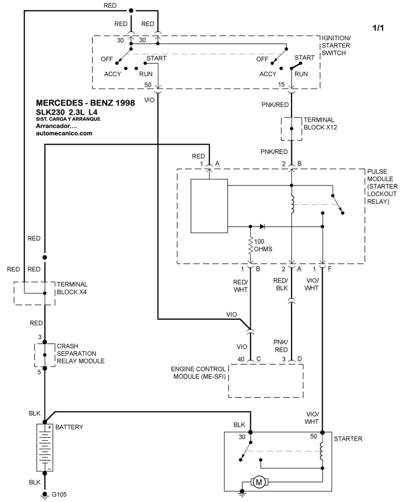
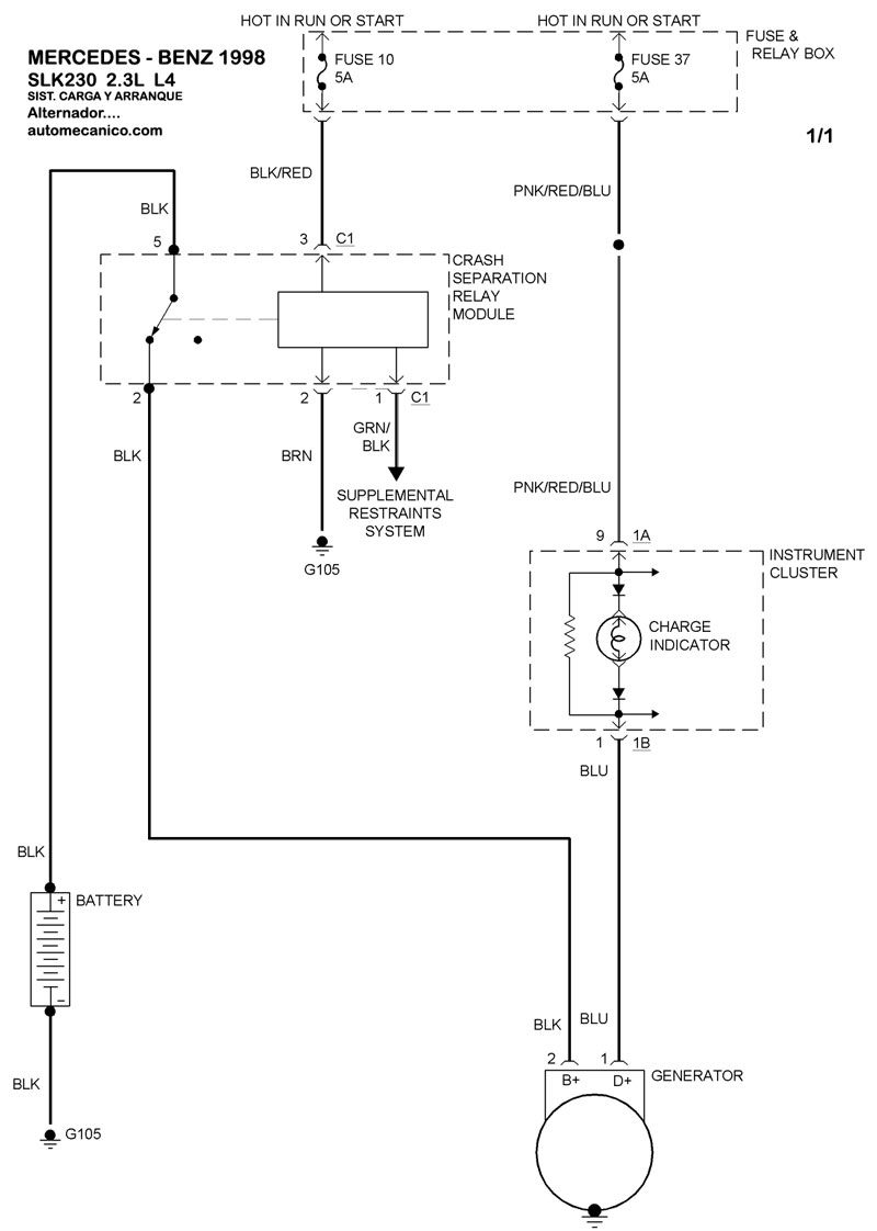
| 1998 | SLK230 - 2.3L L4 CIL | SIST. DE CARGA | SIST. DE ARRANQUE |
| Volver al listado principal |
