| DIAGRAMAS - SISTEMA DE CARGA Y ARRANQUE - 1998 - Mecanica Automotriz - INDICE |
Diagramas SUZUKI : Carga y Arranque | Charging and Starting System: - Esquemas - Graphics 1998 - |
| Los Diagramas, listados abajo, se refieren unicamente al Circuito electrico que involucra: Alternador [Generador] y/o; Arrancador [Motor de arranque, Marcha, Starter] - INDICE: SUZUKI - 1998 - |
| YEAR | Modelo | Alternador | Arrancador |
| 1998 | ESTEEM - 1.6L L4 Cil. | SIST. DE CARGA | SIST. DE ARRANQUE |
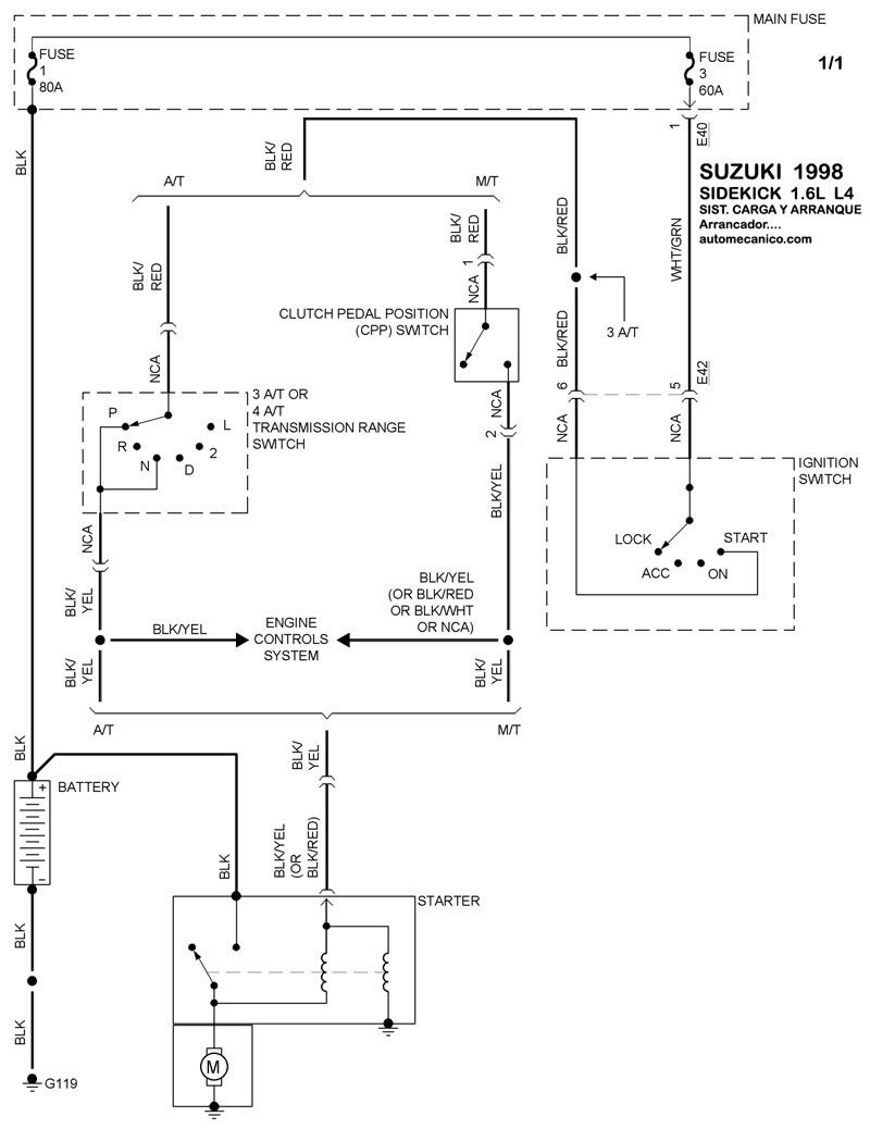
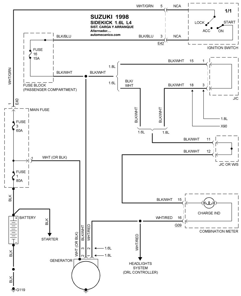
| 1998 | SIDEKICK - 1.6L L4 Cil. | SIST. DE CARGA | SIST. DE ARRANQUE |
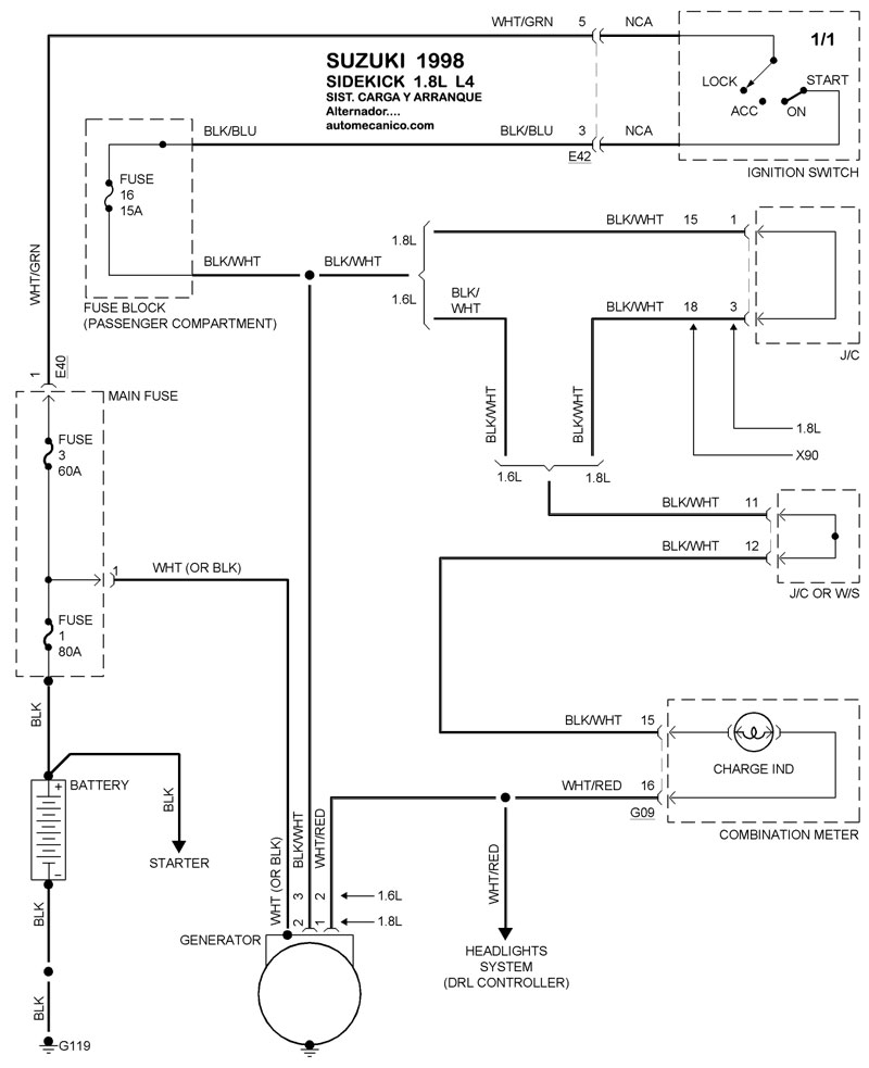
| 1998 | SIDEKICK - 1.8L L4 Cil. | SIST. DE CARGA | SIST. DE ARRANQUE |
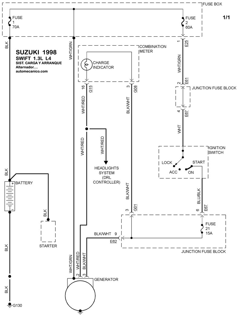
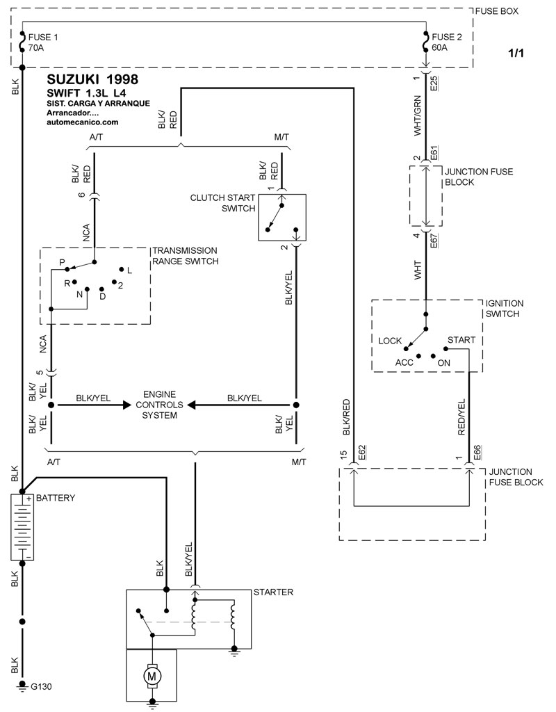
| 1998 | SWITF - 1.3L L4 Cil. | SIST. DE CARGA | SIST. DE ARRANQUE |
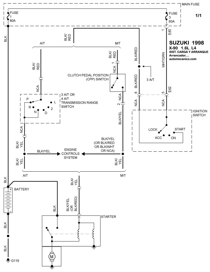
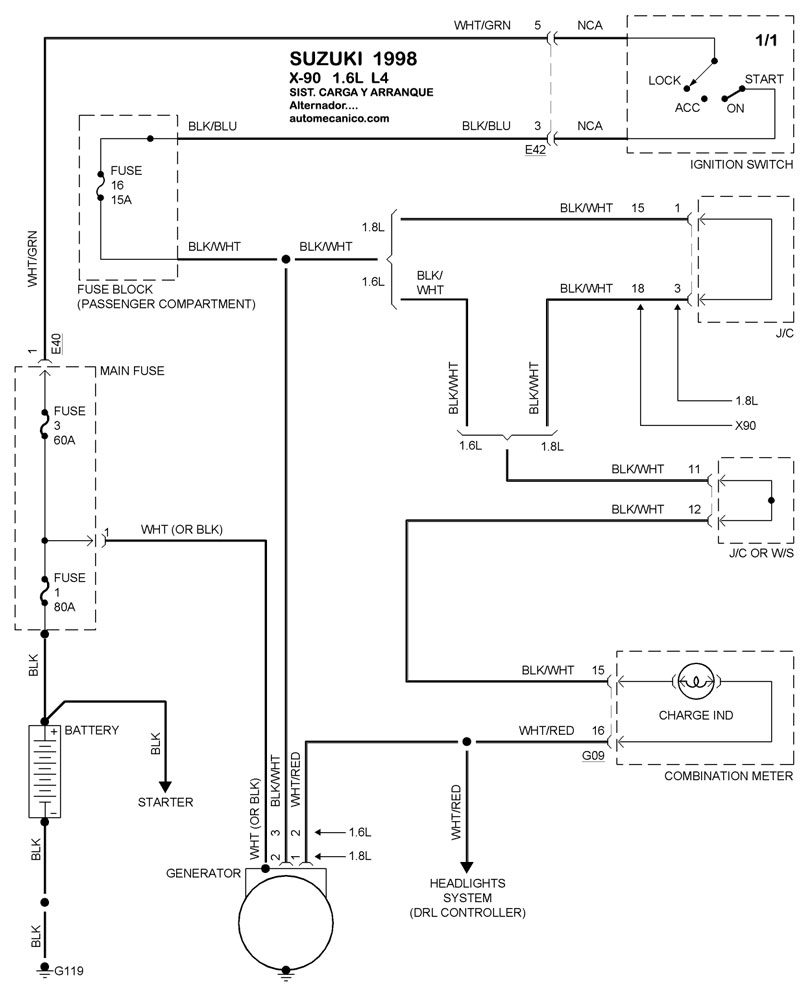
| 1998 | X-90 - 1.6L L4 Cil. | SIST. DE CARGA | SIST. DE ARRANQUE |
| Volver al listado principal |
