| DIAGRAMAS - SISTEMA DE CARGA Y ARRANQUE - 1998 - Mecanica Automotriz - INDICE |
Diagramas TOYOTA : Carga y Arranque | Charging and Starting System: - Esquemas - Graphics 1998 - |
| Los Diagramas, listados abajo, se refieren unicamente al Circuito electrico que involucra: Alternador [Generador] y/o; Arrancador [Motor de arranque, Marcha, Starter] - INDICE: TOYOTA - 1998 - |
| YEAR | Modelo | Alternador | Arrancador |
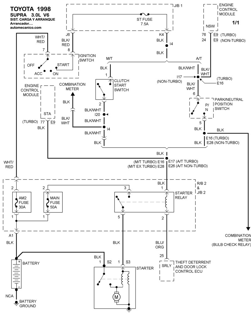
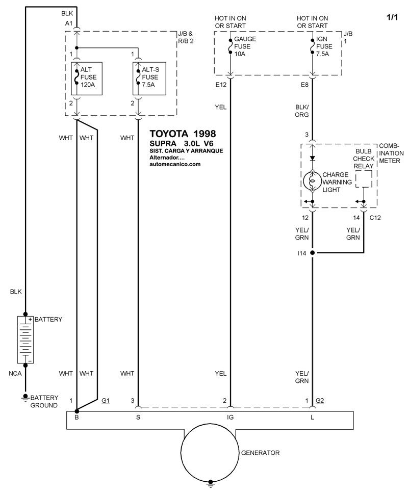
| 1998 | SUPRA - 3.0L V6 CIL. | SIST. DE CARGA | SIST. DE ARRANQUE |
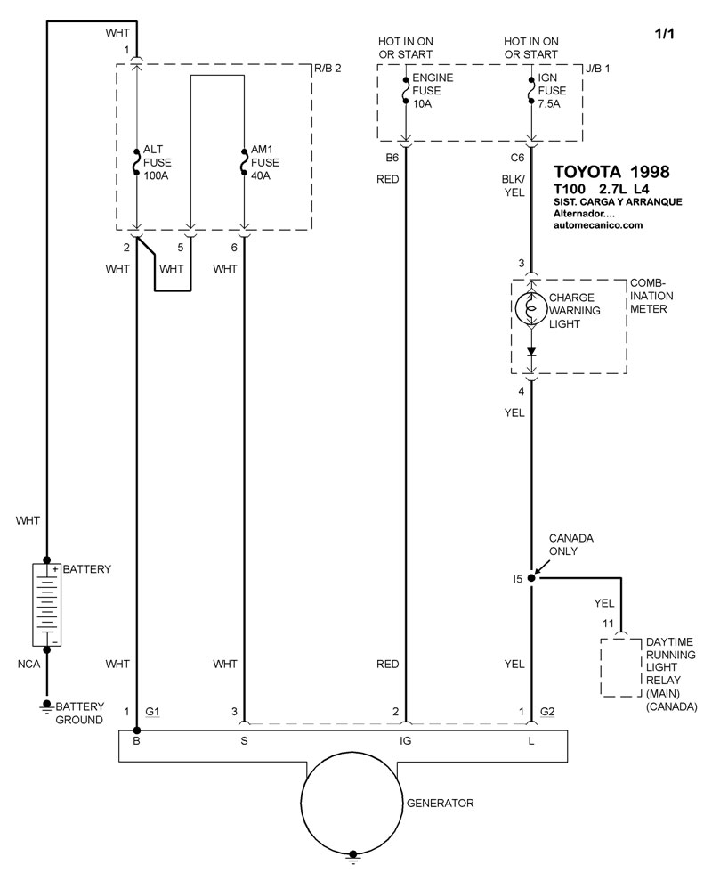
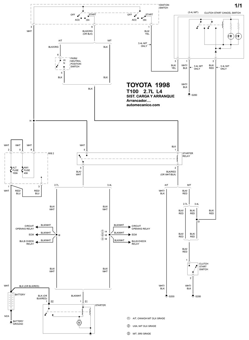
| 1998 | T100 - 2.7L - L4 CIL. | SIST. DE CARGA | SIST. DE ARRANQUE |
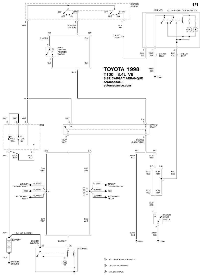
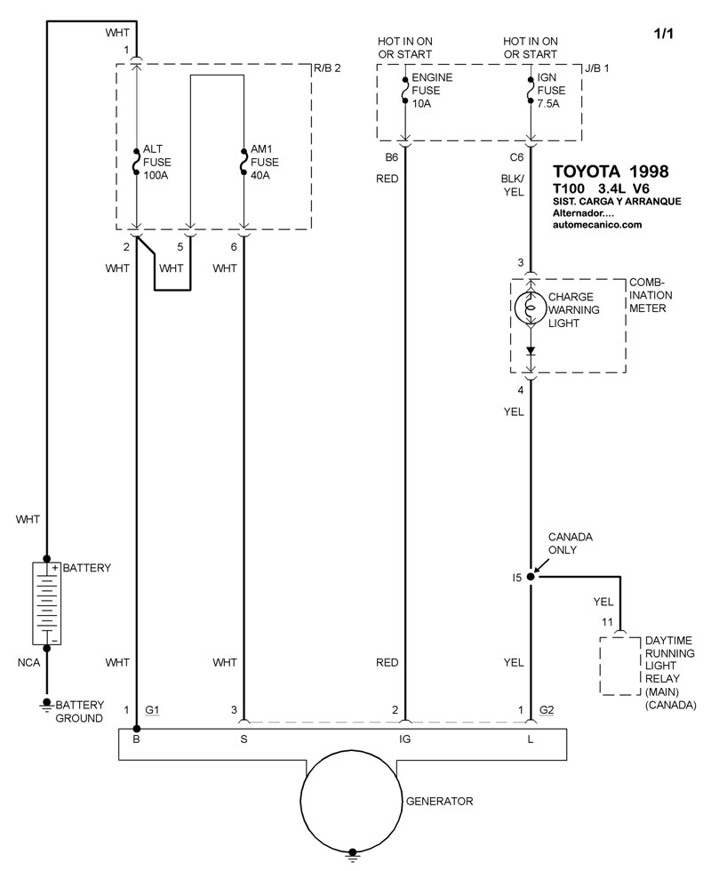
| 1998 | T100 - 3.4L V6 CIL. | SIST. DE CARGA | SIST. DE ARRANQUE |
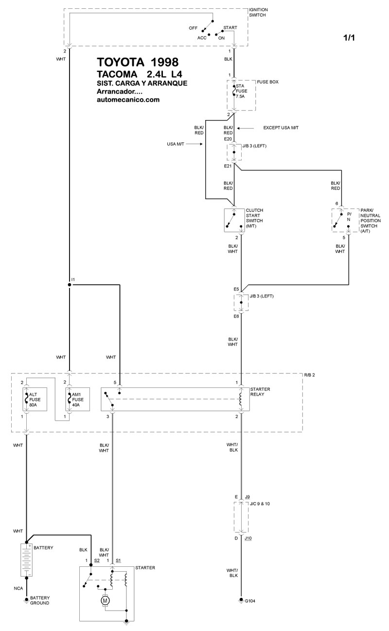
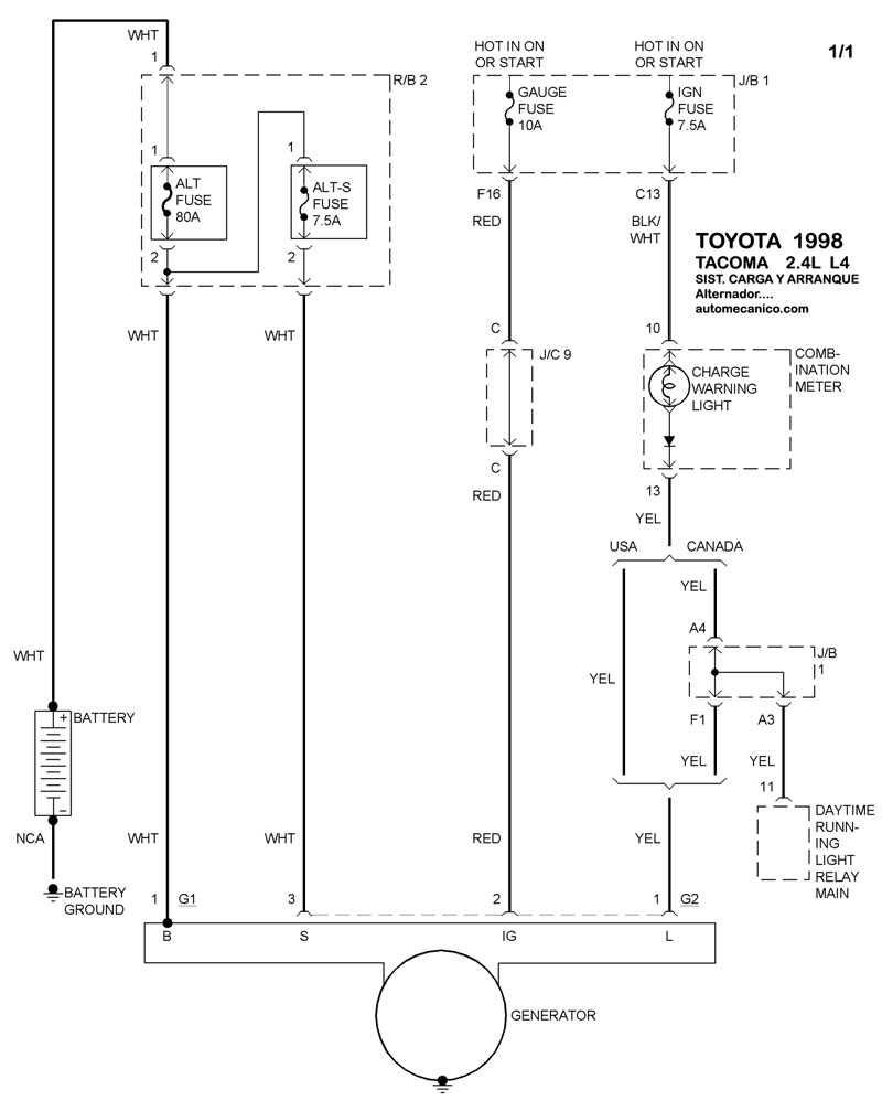
| 1998 | TACOMA - 2.4L L4 CIL. | SIST. DE CARGA | SIST. DE ARRANQUE |
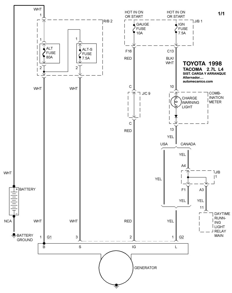
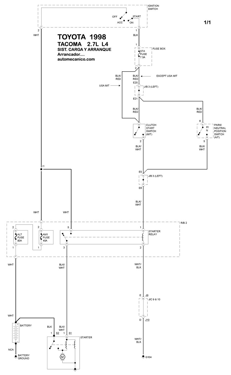
| 1998 | TACOMA - 2.7L L4 CIL | SIST. DE CARGA | SIST. DE ARRANQUE |
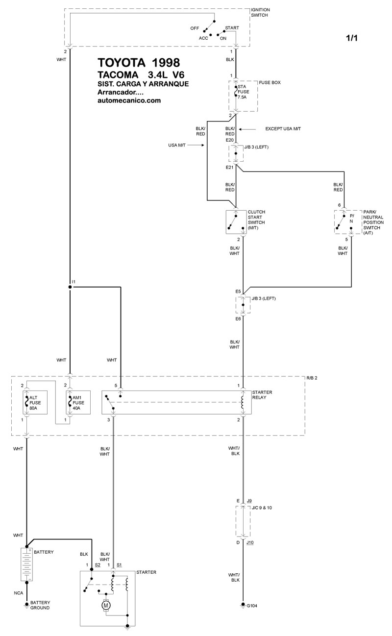
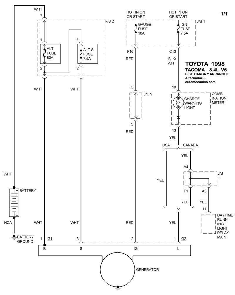
| 1998 | TACOMA - 3.4L V6 CIL. | SIST. DE CARGA | SIST. DE ARRANQUE |
| 1998 | TERCEL - 1.5L L4 CIL. | SIST. DE CARGA | SIST. DE ARRANQUE |
| Volver al listado principal |
