| DIAGRAMAS - ESQUEMAS - GRAPHICS - CHEVROLET 2000 - Mecanica Automotriz - |
Diagramas CHEVROLET : Sistema Antirobo - Anti- Theft System - Circuito Electrico CHEVROLET 2000 - |
|
Que es un Diagrama?, para que sirve un Diagrama electrico automotriz? En Mecanica: Podemos describir un Diagrama, como: |
| Los Diagramas, listados abajo, se refieren unicamente al Circuito electrico que involucra: El sistema antirobo - [Anti - Theft System] CHEVROLET 2000 - INDICE - |
| MODELO | DIAGRAMA |
| S10 PICKUP | |
| 2.2L 4 Cil. | SIST. ANTIROBO Forced Entry Circuit. |
| 2.2L 4 Cil. | SIST. ANTIROBO Pass-key Circuit. |
| 4.3L V6 Cil. | SIST. ANTIROBO Forced Entry Circuit. |
| 4.3L V6 Cil. | SIST. ANTIROBO Pass-key Circuit. |
| SILVERADO 1500 | |
| 4.3L V6 Cil. | SIST. ANTIROBO Forced Entry Circuit. |
| 4.3L V6 Cil. | SIST. ANTIROBO Pass-key Circuit. |
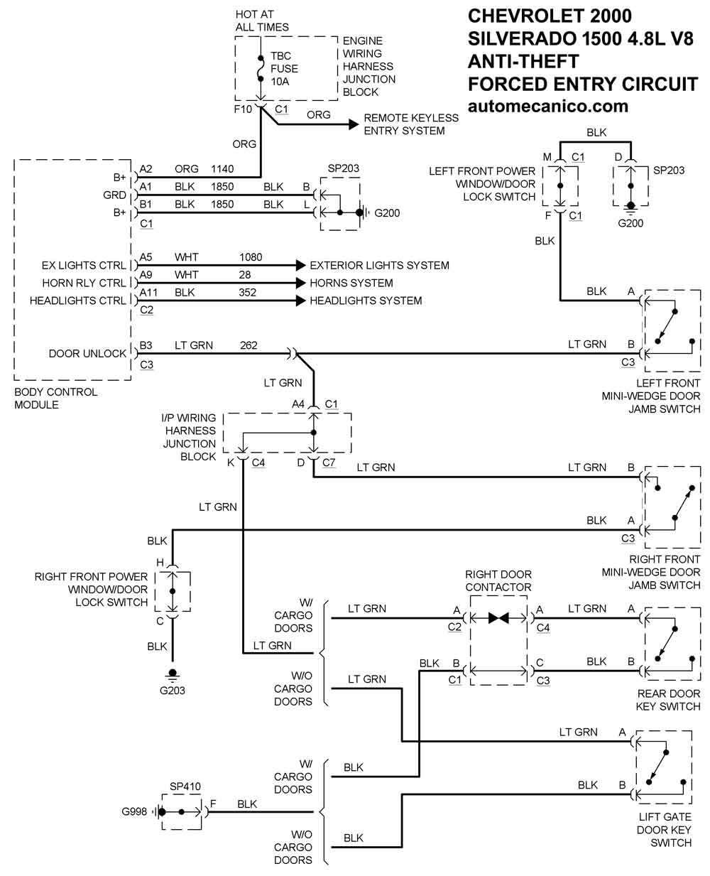
| 4.8L V8 Cil. | SIST. ANTIROBO Forced Entry Circuit. |
| 4.8L V8 Cil. | SIST. ANTIROBO Pass-key Circuit. |
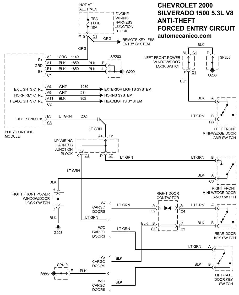
| 5.3L V8 Cil. | SIST. ANTIROBO Forced Entry Circuit. |
| 5.3L V8 Cil. | SIST. ANTIROBO Pass-key Circuit. |
| SILVERADO 2500 | |
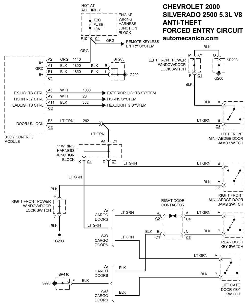
| 5.3L V8 Cil. | SIST. ANTIROBO Forced Entry Circuit. |
| 5.3L V8 Cil. | SIST. ANTIROBO Pass-key Circuit. |
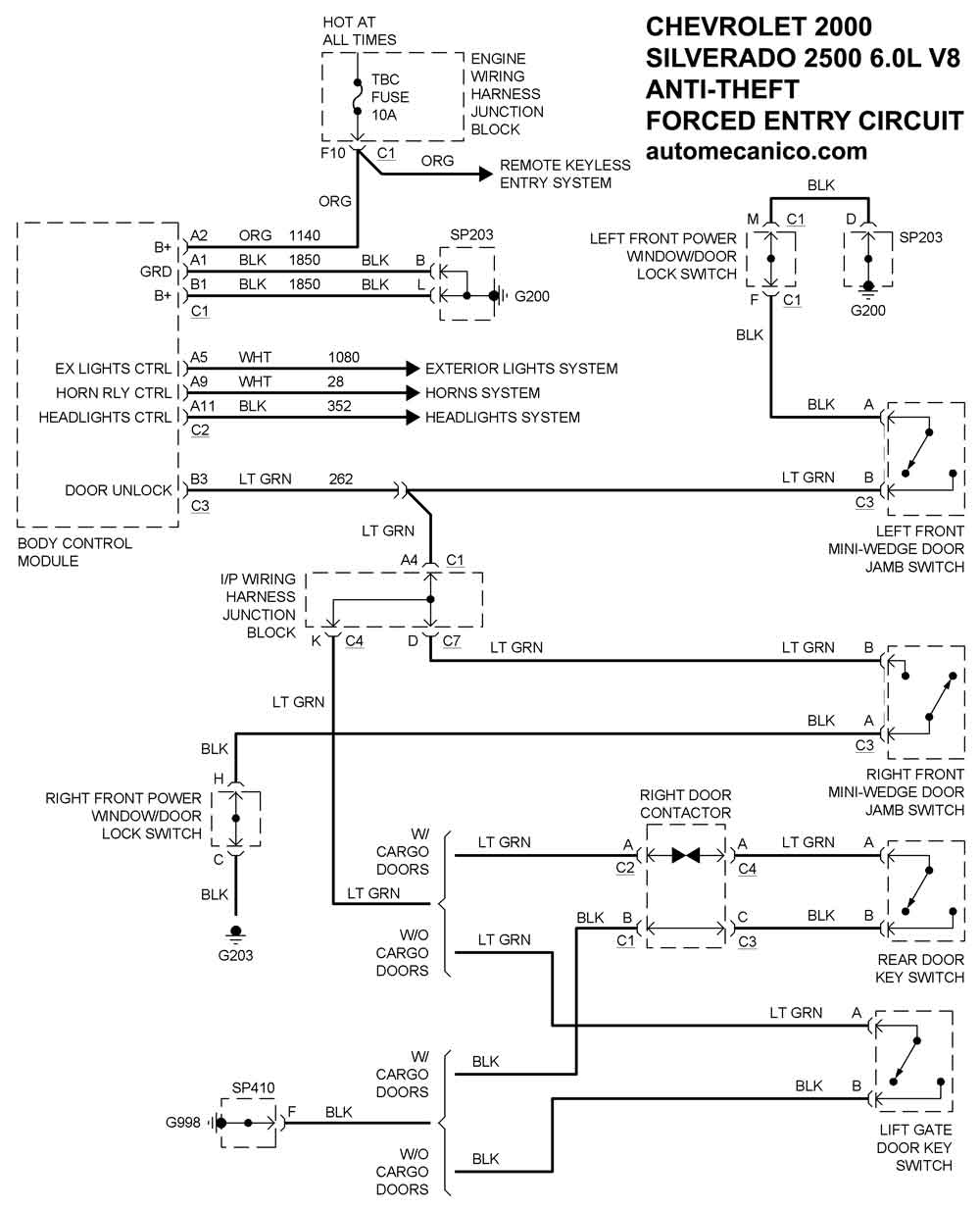
| 6.0L V8 Cil. | SIST. ANTIROBO Forced Entry Circuit. |
| 6.0L V8 Cil. | SIST. ANTIROBO Pass-key Circuit. |
| Volver al indice principal |
