| DIAGRAMAS - ESQUEMAS - GRAPHICS - HONDA 2000 - Mecanica Automotriz - |
Diagramas HONDA : Sistema Antirobo - Anti- Theft System - Circuito Electrico HONDA 2000 - |
|
Que es un Diagrama?, para que sirve un Diagrama electrico automotriz? En Mecanica: Podemos describir un Diagrama, como: |
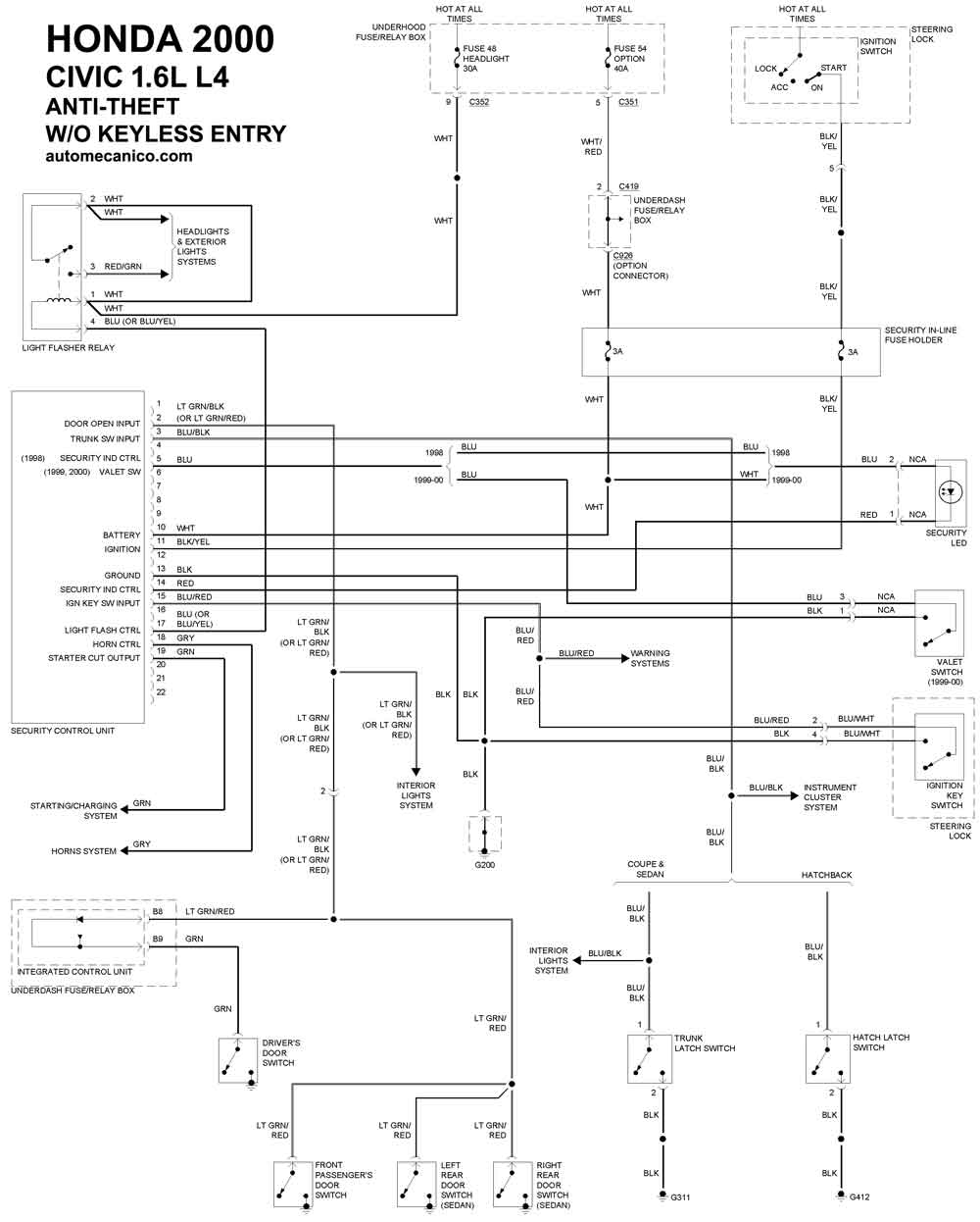
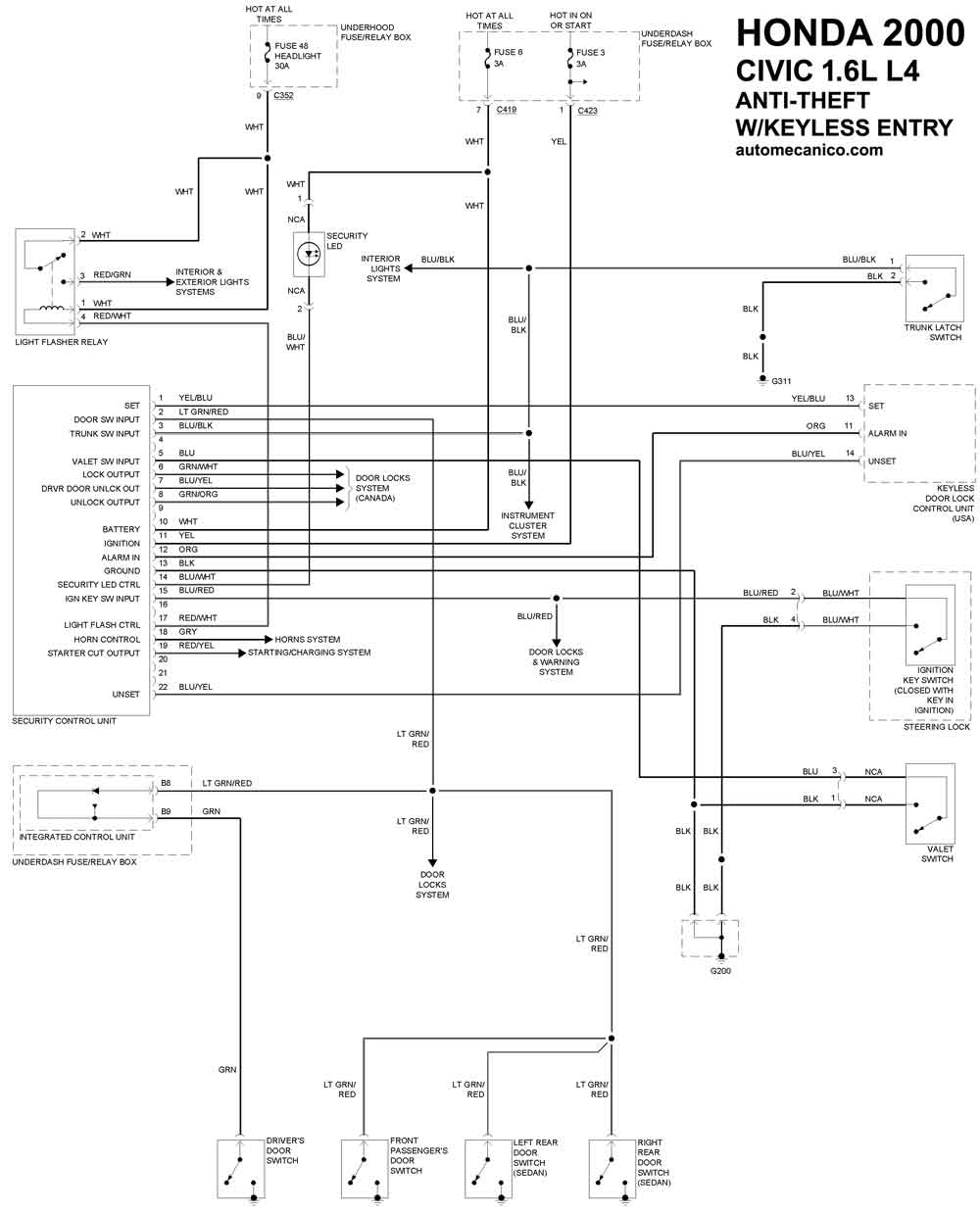
| Los Diagramas, listados abajo, se refieren unicamente al Circuito electrico que involucra: El sistema antirobo - [Anti - Theft System] HONDA 2000 - INDICE- |
| MODELO | DIAGRAMA |
| ACCORD | |
| 2.3L 4 Cil. 1/2 | SIST. ANTIROBO EX |
| 2.3L 4 Cil. 2/2 | SIST. ANTIROBO EX |
| 2.3L 4 Cil.1/2 | SIST. ANTIROBO LX |
| 2.3L 4 Cil. 2/2 | SIST. ANTIROBO LX |
| 2.3L 4 Cil. | SIST. ANTIROBO Immobilizer Circuit |
| 3.0L V6 Cil. 1/2 | SIST. ANTIROBO EX |
| 3.0L V6 Cil. 2/2 | SIST. ANTIROBO EX |
| 3.0L V6 Cil. 1/2 | SIST. ANTIROBO LX |
| 3.0L V6 Cil. 2/2 | SIST. ANTIROBO LX |
| 3.0L V6 Cil. | SIST. ANTIROBO Immobilizer Circuit |
| CIVIC | |
| 1.6L 4 Cil. | SIST. ANTIROBO W/ Keyless Entry |
| 1.6L 4 Cil. | SIST. ANTIROBO W/O Keyless Entry |
| CR-V | |
| 2.0L 4 Cil. | SIST. ANTIROBO |
| Volver al indice principal |
