| DIAGRAMAS - ESQUEMAS - GRAPHICS - OLDSMOBILE 2000 - Mecanica Automotriz - |
Diagramas OLDSMOBILE : Sistema Antirobo - Anti- Theft System - Circuito Electrico OLDSMOBILE 2000 - |
|
Que es un Diagrama?, para que sirve un Diagrama electrico automotriz? En Mecanica: Podemos describir un Diagrama, como: |
| Los Diagramas, listados abajo, se refieren unicamente al Circuito electrico que involucra: El sistema antirobo - [Anti - Theft System] OLDSMOBILE 2000 - INDICE- |
| MODELO | DIAGRAMA |
| ALERO | |
| 2.4L 4 Cil. | SIST. ANTIROBO |
| 3.4L V6 Cil. | SIST. ANTIROBO |
| BRAVADA | |
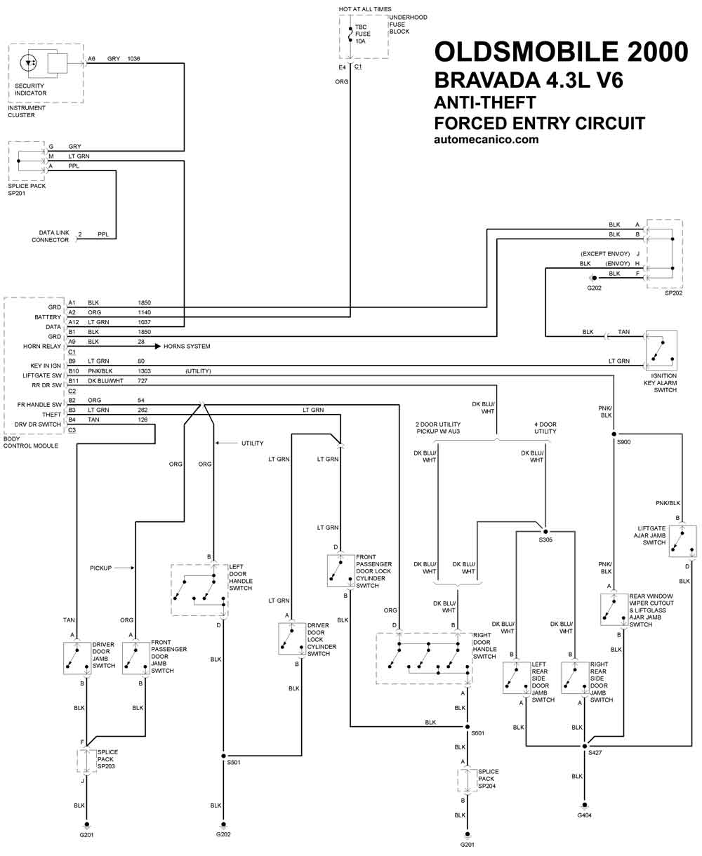
| 4.3L V6 Cil. | SIST. ANTIROBO Forced Entry Circuit. |
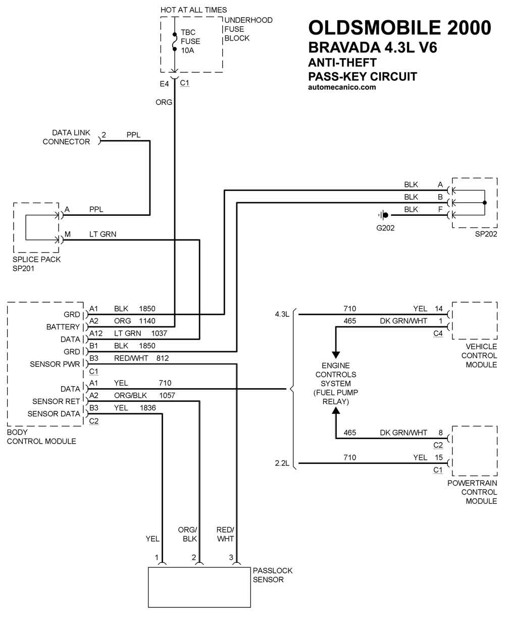
| 4.3L V6 Cil. | SIST. ANTIROBO Pass-key Circuit. |
| INTRIGUE | |
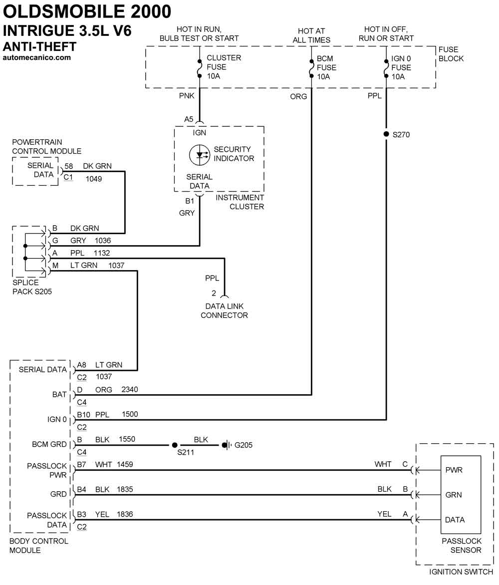
| 3.5L V6 Cil. | SIST. ANTIROBO |
| SILHOUETTE | |
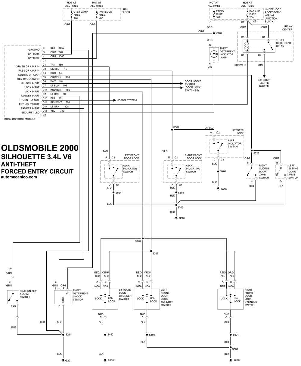
| 3.4L V6 Cil. | SIST. ANTIROBO Forced Entry Circuit. |
| 3.4L V6 Cil. | SIST. ANTIROBO Pass-key Circuit. |
| Volver al indice principal |
